Opis dotyczy tylko i wyłącznie dmuchawy z płynną regulacją obrotów.
Ze względu na to, ze miałem mnóstwo problemów z moja "dmuchawą", chciałem przedstawić tutaj rozwiązanie naprawy stopnia końcowego bez rozbierania całego kokpitu.
Tranzystor stopnia końcowego to elektroniczna wersja "sprężynek" I znajduje się po przeciwnej stronie kanału dmuchawy w stosunku do powszechnie stosowanych i opisywanych przez was opornic.
Oryginalny tranzystor o symbolu 2SD1460 jest tranzystorem NPN, niestety bardzo ciężko go zdobyć. .
Kupujemy zamiennik, powszechnie dostępny - MJ11016 (taka sama obudowa i też wytrzymuje 30A). .
Odłączamy akumulator
Ściągamy osłonę układu nawiewu nad nogami pasażera.
Odkręcamy i wyciągamy schowek(2 śrubki)
Odkręcamy i demontujemy dmuchawę (3 śrubki)
.
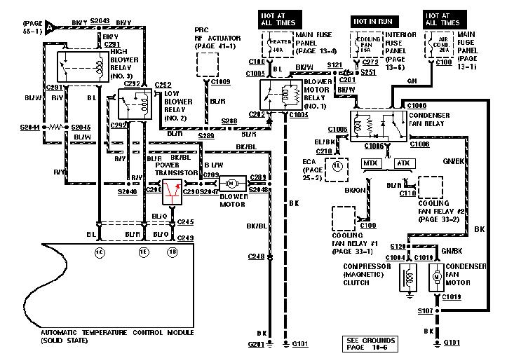
Szukamy wiązki przewodów biegnących za dmuchawę (gruby czerwono-żółty, gruby niebiesko-biały i cienki niebiesko-pomarańczowy) .
Odcinamy je tyle ile najgłębiej dostaniemy (zależne od grubości rąk, bo miejsca mało) te w czerwonym kółku .
Lutujemy do bazy cienki a emitera gruby przewód. Do collectora przykręcimy ostatni gruby przewód pod śrubę mocującą tranzystor z radiatorem podczas jego zakładania.
.
Łączymy przewody tranzystora z odciętymi przewodami z wiązki. Collector - czerwono_żółty
Emiter - niebiesko-biały
Baza - niebiesko-pomarańczowy
Nie można się pomylić! w najlepszym razie uszkodzicie tranzystor a w najgorszym spalicie regulator w panelu.
Po podłączeniu poskładajcie wszystko i tyle

.
Montujemy nowy tranzystor na radiatorze (cokolwiek aluminiowego) .
Wiercimy otwór w miejscu gdzie większość naszych dmuchaw ma (magiczne

Radiator wraz z tranzystorem wkładamy do środka dmuchawy i montujemy tak aby nie został przemielony przez wentylator dmuchawy (jeżeli tylko jest takowa możliwość, to zostawcie trochę miejsca miedzy obudowa dmuchawy a radiatorem aby mogło też tam przepływać powietrze i chłodzić tranzystor)
BARDZO WAŻNE - obudowa radiatora nie możne się stykać z masa samochodu (karoserią) ani obudową silnika wentylatora, ponieważ gdy tranzystor jest przykręcony do radiatora to jest też elektrycznie z nim połączony!!
.
Bardzo ważne są tez przekaźniki obok dmuchawy
W tej wersji występują 2 szt
Pierwszy uruchamia się po przekręceniu pokrętła w panelu, a drugi po osiągnięciu max położenia pokrętła.
Jeżeli będzie uszkodzony pierwszy z nich to dmuchawa nie będzie działała w ogóle.
Jeżeli tylko drugi padnie, to regulacja będzie chodzić i wiatrak też, ale nie będzie najwyższej mocy.
Pozdrawiam