ABS

Awatar użytkownika
Jedrek
Posty: 1134
Rejestracja: 2004-06-24 10:19
Samochód: Igen 1992 2,2GT
Lokalizacja: Ośno Lubuskie
Kontakt:

Re: ABS

Post autor: Jedrek »

Chyba za mało poczytałeś.

Przyczyn może być kilka, ale najpewniej albo masz zasyfioną zębatkę na kole, albo wyłamane parę zębów.
Może być jeszcze zasyfiony czujnik.

Tak czy tak musisz przejrzeć wszystkie 4.

Pozdro
Ostatnio zmieniony 2009-01-22 11:00 przez Jedrek, łącznie zmieniany 1 raz.
Fioletowy FORD PROBE I czywiście GT + LPG OMVL DREAM XXIN:):):):):)
Yamaha Xj 550 `83
Kawasaki ZZR600 `98
był: † Black Ford Frobe 2,2 Turbo GT `92 + LPG OMVL DREAM XXIN † A.D. 08.12.2006 Death! ;(
Mscichu
Posty: 26
Rejestracja: 2006-12-17 20:49
Samochód: brak
Lokalizacja: Giżycko, Ełk, Okolice Białegostoku

Re: Wyłącznik ABS

Post autor: Mscichu »

Mam pytanie czy jak wyłączałeś ten bezpiecznik to awaryjne działały? Walczę teraz z elektryką i niby bezpiecznik cały ale świeci mi się ANTI-LOCK mam brak wspomagania i kierunków, ale awaryjki świecą :shock: No i zepsułem włącznik długich;( od razu się gasi... Może ma ktoś schemat? proszę na priv:) Z góry THX:)

EDIT: Sorki już znalazłem co z bezpiecznikiem;) Jutro popatrze jak coś to adres to: http://www.fordprobe.pl/forum/viewtopic ... t=kierunki ale wie ktoś co źle poskładałem, i długie też naprawione:)
Ford Probe I gen 91r. kolor czarny... raketa:D
Ford Probe I gen 89r. kolor biały... R.I.P.;(
Awatar użytkownika
OLEY
Klubowicz
Posty: 12763
Rejestracja: 2004-10-07 22:17
Samochód: I Gen 3.0 V6 Vulcan '90
Lokalizacja: Szczecin

Re: ABS

Post autor: OLEY »

Połączyłem wątki dotyczące ABS-u.
[o]Piękno nie zna ceny.[/o]
pene_czw
Posty: 234
Rejestracja: 2008-09-30 16:24
Galeria: viewtopic.php?t=18656

Re: ABS

Post autor: pene_czw »

Bardzo cfanie:P Wiec panowie, mi włącza sie anti-lock juz nie przy 80km/h tylko przy 75km/h. Mechanik twierdzi ze to nie wina zębatek, ze najlepiej postawić na komputer...chociaż zębatek nie przeglądał. Co radzicie? Zaciągnąć go pod koła i zeby zebatki sprawzdał, czy odrazu na komputer? <- bo tutaj trzeba kaski wyłożyć 5dyszek chyba...
Ford Probe I 92' 2.2GT Człuchów/Piła
Awatar użytkownika
Pelot
Posty: 4620
Rejestracja: 2004-11-02 21:33
Samochód: F4
Galeria: viewtopic.php?t=5515
Lokalizacja: Wars i Sawa

Re: ABS

Post autor: Pelot »

problem tkwi w zębatkach, tylko żeby sie do nich dostać musisz zdjąć tarcze hamulcowa zbić i powoli i równomiernie nabijać.

Jak żle zostaną nabite to problem wróci...
Obrazek
pene_czw
Posty: 234
Rejestracja: 2008-09-30 16:24
Galeria: viewtopic.php?t=18656

Re: ABS

Post autor: pene_czw »

No wiec z mechanikiem dojżeliśmy małą usterke. Otóż przy lewym kole, na kilku ząbkach sa wyszczerbione krawędzie zewn. Takie coś może powodować swiecenie kontrolki Anti-Lock przy 80km/h i odłączenie ABS-u? Co z tym teraz zrobić ? Czy trzeba wymieniać cały przegłub?
Ford Probe I 92' 2.2GT Człuchów/Piła
Awatar użytkownika
Maciucha
Posty: 1564
Rejestracja: 2004-08-26 22:11
Samochód: I GT
Galeria: viewtopic.php?t=7836
Lokalizacja: Gorzów Wielkopolski
Kontakt:

Re: ABS

Post autor: Maciucha »

To pewnie będzie przyczyną. Wyszczerbione ząbki dają słabszy sygnał. Samą zębatkę to chyba tylko z innego przegubu zdobędziesz.
ObrazekObrazekautomat USA '90
a na spotach u Golluma => Obrazek :mrgreen:
pene_czw
Posty: 234
Rejestracja: 2008-09-30 16:24
Galeria: viewtopic.php?t=18656

Re: ABS

Post autor: pene_czw »

Tylko z innego przegubu? a da rade wymienić samą zębatkę? czy kompletny przegub trzeba wymieniać?
Ford Probe I 92' 2.2GT Człuchów/Piła
Awatar użytkownika
Lisiu
Klubowicz
Posty: 3620
Rejestracja: 2005-04-05 17:40
Samochód: Corvette C4 LT1
Galeria: viewtopic.php?t=6117
Lokalizacja: Sieraków

Re: ABS

Post autor: Lisiu »

Możesz mienić samą zębatkę- zbijasz starą młotkiem i zakładasz nową, nic trudnego
EX:Probe 2.2 GT red perla
EX: Firebird 3.1 white
EX: W140 Coupe 6.0 black/red perla
Jest: Trans AM 5.0 black w trakcie odbudowy...
Awatar użytkownika
towarzysz
Posty: 102
Rejestracja: 2007-11-29 12:15
Samochód: Ford Probe GL 1991 wersja USA
Galeria: viewtopic.php?t=14578
Lokalizacja: Pabianice

Re: ABS

Post autor: towarzysz »

dobra to teraz ja!
Jakis debil (patrz poprzedni wlasciciel -Niemiec-) postanowil wywalic ABS-y tzn, czujniki! bo pompa jest. Orientuje się ktoś z was jaki koszt moze być zalozenia ABS-u. Powiedzmy, ze calości!! pompy itd. Jaki koszt? i jakie rzeczy są potrzebne?
F.Probe 91" GL 2.2. wersja USA!
Awatar użytkownika
Bendek
Posty: 553
Rejestracja: 2007-01-22 20:53
Galeria: viewtopic.php?t=14998
Lokalizacja: Tomaszów Maz.- Będków

Re: ABS

Post autor: Bendek »

będzie potrzebne- czujniki, komp abs i pompa abs a i jeszcze jakiś przekaźnik...może tylko czujników brakuje skoro pompa jest?!
PROBE I 2,2 Turbo black 91r.
Awatar użytkownika
OLEY
Klubowicz
Posty: 12763
Rejestracja: 2004-10-07 22:17
Samochód: I Gen 3.0 V6 Vulcan '90
Lokalizacja: Szczecin

Re: ABS

Post autor: OLEY »

Myślę, że komp powinien być na miejscu. Mógł ewentualnie wyjąć wtyczki z niego, ale po co wywalał czujniki? :shock:
Gdzie znajduje się komputer od ABS-u jest już na forum napisane, więc nie będę się powtarzał. :wink:
[o]Piękno nie zna ceny.[/o]
Awatar użytkownika
towarzysz
Posty: 102
Rejestracja: 2007-11-29 12:15
Samochód: Ford Probe GL 1991 wersja USA
Galeria: viewtopic.php?t=14578
Lokalizacja: Pabianice

Re: ABS

Post autor: towarzysz »

Bendek pisze:będzie potrzebne- czujniki, komp abs i pompa abs a i jeszcze jakiś przekaźnik...może tylko czujników brakuje skoro pompa jest?!
A sprawdziłbyś mni czego barakuje??
F.Probe 91" GL 2.2. wersja USA!
Awatar użytkownika
pichow
Posty: 55
Rejestracja: 2008-12-01 21:46
Samochód: Ford Probe '91 2.2 GT
Lokalizacja: Poznan

Re: ABS

Post autor: pichow »

Ja mam za to inną bajkę.
Kontrolka się nie pali, a ABS nie działa.
Działał do pewnego felernego manewru wyprzedzania.
Wyprzedzałem ciężarówkę dość szybko i z na przeciwka cosik szybko nadjeźdzał samochód, więc przychamowałem dość sensownie by się wpasować pomiędzy ciężarówkę i kolejny samochód.
Prędkość była około 130, wilgotna nawierzchnia i zblokowało się przednie prawe koło. Pisk hamowania był dość sensowny i z tego powodu nie mam pojęcia czy było coś jeszcze.
Od tego momentu ABS nie działa i żadnych błędów nie ma.
Nie mam zielonego pojęcia jak się do tego zabrać i co z tym zrobić.
Awatar użytkownika
Robert
Posty: 12613
Rejestracja: 2004-10-21 19:12
Samochód: Probe GT2.0'89; ForTwo 0.6turbo; HRV 1.6
Galeria: viewtopic.php?t=6900
Lokalizacja: Leszno (maz)
Kontakt:

Re: ABS

Post autor: Robert »

pichow pisze:Kontrolka się nie pali, a ABS nie działa.
...
ABS nie działa i żadnych błędów nie ma.
Nie mam zielonego pojęcia jak się do tego zabrać i co z tym zrobić.
Zacznij od kontrolki - czy zapala się testowo po przekręceniu kluczyka?
Jeśli to przepalona żarówka, to nowa szklana kula przepowie Ci, co dalej. ;)
Poświęć niecałe 2 minuty na naukę korzystania z forum: :arrow: Lekcja 1 (bardzo krótka) i :arrow: Lekcja 2 (krótka)
Obrazek ObrazekObrazek'89 2.0 Turbo downgrade
Awatar użytkownika
Bendek
Posty: 553
Rejestracja: 2007-01-22 20:53
Galeria: viewtopic.php?t=14998
Lokalizacja: Tomaszów Maz.- Będków

Re: ABS

Post autor: Bendek »

towarzysz pisze:
Bendek pisze:będzie potrzebne- czujniki, komp abs i pompa abs a i jeszcze jakiś przekaźnik...może tylko czujników brakuje skoro pompa jest?!
A sprawdziłbyś mni czego barakuje??
mogę sprawdzić co z Twoim abs-em...np na jakimś spocie... :D
PROBE I 2,2 Turbo black 91r.
Awatar użytkownika
pichow
Posty: 55
Rejestracja: 2008-12-01 21:46
Samochód: Ford Probe '91 2.2 GT
Lokalizacja: Poznan

Re: ABS

Post autor: pichow »

jedyne co mi sie zapala na desce to Oil jak jest pod gorke i Check E
Awatar użytkownika
OLEY
Klubowicz
Posty: 12763
Rejestracja: 2004-10-07 22:17
Samochód: I Gen 3.0 V6 Vulcan '90
Lokalizacja: Szczecin

Re: ABS

Post autor: OLEY »

pichow pisze:jedyne co mi sie zapala na desce to Oil jak jest pod gorke i Check E
Czy zadałeś sobie w ogóle trud, aby sprawdzić poziom oleju?
No i sprawdź te kody jeszcze raz dokładnie.
Check bez powodu się nie zapala.
[o]Piękno nie zna ceny.[/o]
Awatar użytkownika
pichow
Posty: 55
Rejestracja: 2008-12-01 21:46
Samochód: Ford Probe '91 2.2 GT
Lokalizacja: Poznan

Re: ABS

Post autor: pichow »

Mój drogi OLEY'u,
naturalnie że sprawdzam olej. Raz na 2 tygodnie, bo lubi podpijać (ostatnio odkryłem, że nie gaśnie jak odkręcę korek od wlewu oleju).
Wczoraj skasowałem kompa i wywala tylko EGR, co opisałem w odpowiednim wątku.
Awatar użytkownika
Robert
Posty: 12613
Rejestracja: 2004-10-21 19:12
Samochód: Probe GT2.0'89; ForTwo 0.6turbo; HRV 1.6
Galeria: viewtopic.php?t=6900
Lokalizacja: Leszno (maz)
Kontakt:

Re: ABS

Post autor: Robert »

Ja nie pytałem, co Ci się zapala w czasie jazdy
Robert pisze:Zacznij od kontrolki - czy zapala się testowo po przekręceniu kluczyka?
więc Twoją odpowiedź zinterpretowałem jako potwierdzenie moich domysłów
pichow pisze:jedyne co mi sie zapala na desce to Oil jak jest pod gorke i Check E
Robert pisze:Jeśli to przepalona żarówka, to nowa szklana kula przepowie Ci, co dalej. ;)
Nie wiem... Akurat sprawdzenie, które żaróweczki zapalają Ci się tuż po przekręceniu kluczyka (bez odpalania auta), a które się przepaliły, wydaje się nie być aż tak trudne. :P
Poświęć niecałe 2 minuty na naukę korzystania z forum: :arrow: Lekcja 1 (bardzo krótka) i :arrow: Lekcja 2 (krótka)
Obrazek ObrazekObrazek'89 2.0 Turbo downgrade
Awatar użytkownika
pichow
Posty: 55
Rejestracja: 2008-12-01 21:46
Samochód: Ford Probe '91 2.2 GT
Lokalizacja: Poznan

Re: ABS

Post autor: pichow »

Zapalają się tylko te, które wymieniłem.
Dziś dolałem litr oleju i pozostał tylko Check E.
Anti Lock nie zapala się wcale, więc pewnie padła żarówka.
Jak uproszę szefową i wjadę na halę, to będę grzebał z deską.
Jakie tam są żarówki?
Awatar użytkownika
Kondzio
Posty: 246
Rejestracja: 2006-04-08 18:59
Samochód: brak
Lokalizacja: Żarnów(łódzkie)

Re: ABS

Post autor: Kondzio »

witam
wracajac do tematu absu, ogolnie juz nie mam sily do tego, ale tak na szybko jakby ktos mi tu powiedzial czy wszystko robie okej, czy moze cos spierd...wstawiam zdjecia i jakby mi ktos podpowiedzial dzis to bym sobie juz to skrecil...
konkretniej to dostalem sie do wtyczki od czujnika ktory idzie od kola, wpinam sie do niego miernikiem, a czarny daje do sruby po mase, i na dwoch kolach mam zero, czy to znaczy ze oba sa do kitu czy moze ja je zle sprawdzam;/
Obrazek Obrazek Obrazek Obrazek
PROBE 2.2 TURBO GT (91) USA
Obrazek
Awatar użytkownika
Robert
Posty: 12613
Rejestracja: 2004-10-21 19:12
Samochód: Probe GT2.0'89; ForTwo 0.6turbo; HRV 1.6
Galeria: viewtopic.php?t=6900
Lokalizacja: Leszno (maz)
Kontakt:

Re: ABS

Post autor: Robert »

Rezystancja na czujniku (między stykami na wypiętej wtyczce) ma być 800-1200 omów.

Natomiast przebicie sprawdzasz na kablach między czujnikiem a modułem, nie na czujniku (i przy wypiętych i czujniku, i module pod siedzeniem).
Poświęć niecałe 2 minuty na naukę korzystania z forum: :arrow: Lekcja 1 (bardzo krótka) i :arrow: Lekcja 2 (krótka)
Obrazek ObrazekObrazek'89 2.0 Turbo downgrade
Awatar użytkownika
Kondzio
Posty: 246
Rejestracja: 2006-04-08 18:59
Samochód: brak
Lokalizacja: Żarnów(łódzkie)

Re: ABS

Post autor: Kondzio »

Robert pisze:Rezystancja na czujniku (między stykami na wypiętej wtyczce) ma być 800-1200 omów.
Czyli wypinam wtyczke, a rezystencje mierze na czujniku tym przy zebatce?dobrze to rozumiem?
Robert pisze:Natomiast przebicie sprawdzasz na kablach między czujnikiem a modułem, nie na czujniku (i przy wypiętych i czujniku, i module pod siedzeniem).
juz jestem zamieszany :roll: wiem ze dla niektórych to smieszne ale nigdy tego nie robilem i prosze o wyrozumialosc :oops:
PROBE 2.2 TURBO GT (91) USA
Obrazek
Awatar użytkownika
Robert
Posty: 12613
Rejestracja: 2004-10-21 19:12
Samochód: Probe GT2.0'89; ForTwo 0.6turbo; HRV 1.6
Galeria: viewtopic.php?t=6900
Lokalizacja: Leszno (maz)
Kontakt:

Re: ABS

Post autor: Robert »

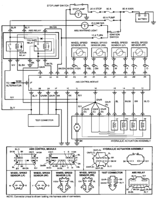
Pomocny będzie rozmieszczenie elementów oraz schemat z wtyczkami i kolorami kabli:
ABS-elementy.GIF
ABS-schemat,wtyczki.gif
Zaczynamy od sprawdzenia na przekręconym kluczyku przy wyłączonym silniku (KOEO - key on engine off)
  • Lampka ABS nie świeci w ogóle - sprawdzamy bezpiecznik METER (w kabinie), żarówkę oraz sprawdź niebiesko-żółty (BL/Y) przewód od "zegarów" do ukladu ABS (czy jest połączenie i czy nie zwiera do masy).
  • Kontrolka ABS świeci 1.5 sekundy i gaśnie bez włączania silnika - niskie napięcie -
    • napięcie na klemach akumulatora (przy wyłączonym silniku i odbiornikach prądu typu wentylatory, światła, radio) winno być co najmniej 12.4V
    • napięcie zasilania modułu na pinie 1H (czarno-zielony przewód BK/GN) przy wyłączonym kluczyku powinno wynosić 0V, po przekręceniu minimum 10V
    • sprawdź alernator (w innym wątku, może kiedyś ja albo ktoś rozpisze procedurę na takie kroki)
    • sprawdź na pinie 2F (biało-czarny przewód W/BK) napięcie z alternatora dochodzące do modułu ABS - po przekręceniu kluczyka powinno wynosić 0.8 - 3V przy wyłączonym silniku i minimum 10V przy chodzącym na wolnych obrotach.
  • kontrolka miga - sprawdź, czy zielono-czarny (GN/BK) i czarny (BK) przewód z wtyczki testowej nie są zwarte ze sobą lub do masy
  • kontrolka świeci ciągle - przechodzimy do testu KOER (key on engine running), czyli odpalamy silnik
    • kontrolka gaśnie - ABS działa poprawnie (jeśli coś jest nie tak, to ogólnie z układem hamowania)
    • sprawdź podłączenie wszystkich wtyczek
    • odczytaj kody
      • kontrolka zapala się na krótko i gaśnie - to nie jest problem z ABS, ale ogólny z układem hamowania
      • zapisz kody (na kartce) - znaczenie w różnych rocznikach na 1 i 2 stronie wątku
      • wyczyść kody (w układzie)
      • powtórz procedurę
        • brak kodów - ok, to były zapamiętane błędy, jeśli się któryś powtórzy, to szukaj przyczyny
        • błędy są konsekwentnie ponawiane - namierz sygnalizowany problem
Test WSS (wheel speed sensors and sensor rotors):
  • sprawdź (obejrzyj) wszystkie elementy układu (np. kable, połączenia, przewody hamulcowe) czy nie widać oznak przegrzania, zniszczonej izolacji, poluzowania, zwarcia lub innych zniszczeń
  • wyłącz kluczyk, odłącz centralkę (moduł) ABS i sprawdź na kablach we wtyczce od modułu, czy nie ma zwarcia do masy - powinno być ponad 10kiloomów gdy jeden przewód omomierza podłączymy do masy a drugi do odpowiedniego kabla:
    • lewy przód - biały (W)
    • prawy przód - żółty (Y)
    • prawy tył - zielony (GN)
    • lewy tył - żółto-zielony (Y/GN)
  • sprawdź opór czujników na pinach we wtyczce od modułu - powinien być między 800 a 1200 omów
    • lewy przód - między białym (W) a czerwonym (R)
    • prawy przód - między żółtym (Y) a pomarańczowym (O)
    • prawy tył - między zielonym (GN) a niebieskim (BL)
    • lewy tył - między żółto-zielonym (Y/GN) a żółto-niebieskim (Y/BL)
    (jeśli rezystancja była ok, to pomiń poniższy pomiar i skocz do następnego punktu)
    sprawdź opór czujników na ich wtyczkach:
    • lewy przód - między białym (W) a czerwonym (R)
    • prawy przód - między żółtym (Y) a pomarańczowym (O)
    • prawy tył - między zielonym (GN) a niebieskim (BL)
    • lewy tył - między żółto-zielonym (Y/GN) a żółto-niebieskim (Y/BL)
      ABS-czujniki.GIF
      ABS-czujniki.GIF (8.81 KiB) Przejrzano 10204 razy
      • zmierzona wartość mieści się między 800 a 1200 omów - napraw kable pomiędzy czujnikiem a modułem ABS
      • nie - wymień czujnik(i)
  • sprawdź (woltomierzem) sygnał dochodzący z czujników do modułu ABS (na wtyczce przy module) przy 60 obrotach koła na minutę (1Hz):
    • lewy przód - między białym (W) a czerwonym (R)
    • prawy przód - między żółtym (Y) a pomarańczowym (O)
    • prawy tył - między zielonym (GN) a niebieskim (BL)
    • lewy tył - między żółto-zielonym (Y/GN) a żółto-niebieskim (Y/BL)
      ABS-sygnal.GIF
      ABS-sygnal.GIF (2.31 KiB) Przejrzano 10181 razy
    jeśli zmierzone napięcie (zmienne) było pomiędzy 0.25 a 1.1V - pomiń poniższy punkt - skocz do następnego
    • sprawdź czujniki i zębatki
      • (zdemontuj koło)
      • sprawdź, czy czujnik lub zębatka nie są uszkodzone mechanicznie
      • czy coś się do nich nie przyczepiło (mogą być oblepione opiłkami metalu)
      • sprawdź siłę (moment) dokręcenia czujników (16-23Nm / 12-17lb-ft)
      • zmierz odstęp między czujnikiem a zębatką (0.3-1.1mm / 0.012-0.043cala)
        ABS-czujnik,zebatka.GIF
        ABS-czujnik,zebatka.GIF (5.52 KiB) Przejrzano 10181 razy
      jeśli wszystkie 4 powyższe punkty były ok - wymień czujnik(i)
  • sprawdź działanie świateł stopu - może nie działa czujnik przy pedale hamulca
  • wyłącz kluczyk, odłącz moduł ABS, przekręć (włącz) kluczyk, zmierz napięcie we wtyczce przy module na kablu biało-zielonym (W/GN)
    • przy wciśniętym pedale hamulca powinno wynosić ponad 10V
    • przy puszczonym pedale poniżej 2V
    jeśli jest poza zakresem - sprawdź tenże biało-zielony (W/GN) przewód pomiędzy modułem ABS a lampą stopu
  • jeśli żadne z powyższych nie rozwiązało problemu
    • podnieś samochód tak, by wszystkie koła były w powietrzu (a samochód musi być stabilnie podparty)
    • zwolnij hamulec ręczny
    • upewnij się, że nie ma oporów przy obracaniu kół ręką
    • zewrzyj piny zielono-czarny (GN/BK) i czarny (BK) we wtyczce testowej ABS
    • wciśnij pedał hamulca a druga osoba niech sprawdzi, czy koła się nie obracają
    • z nadal wciśniętym pedałem przekręć (włącz) kluczyk i sprawdź, że ciśnienie hamowania spada natychmiast i że każde koło obraca się, gdy ciśnienie maleje, jak na rysunku:
      ABS-test.GIF
      ABS-test.GIF (6.67 KiB) Przejrzano 10184 razy
      • coś nie tak - sprawdź przewody ciśnieniowe, jeśli są w porządku - wymień regulator ciśnienia (hydraulic actuation assembly)
      • działa ok - powtórz test KOER (znajdź na górze) w 2 osoby - jedna niech obserwuje wskazania kontrolki lub woltomierza, a druga stuka w elementy układu, rusza czujnikami, przesuwa kable - może błąd występuje tylko podczas jazdy i uda się go powtórzyć
Gdyby ktoś miał uwagi do tłumaczenia, to chętnie poznam / uwzględnię.
Poświęć niecałe 2 minuty na naukę korzystania z forum: :arrow: Lekcja 1 (bardzo krótka) i :arrow: Lekcja 2 (krótka)
Obrazek ObrazekObrazek'89 2.0 Turbo downgrade
ODPOWIEDZ

Wróć do „I gen (1989 - 1992)”