czyżby pasek rozrządu....?!?

Awatar użytkownika
black_martines
Posty: 1217
Rejestracja: 2006-11-27 08:39
Samochód: czołg w wersji sport
Galeria: viewtopic.php?t=13292
Lokalizacja: Gdzieś W Polsce

Re: czyżby pasek rozrządu....?!?

Post autor: black_martines »

każde probe ma silnik mazdy... (nie dotyczy I gen 3.0 - to SHO fordowskie)
ford do probe nie ma części i nie podejmuje się ich robić :)
Moją najulubieńszą złośliwością i sztuczką jest to, że moje milczenie umie się nie zdradzać milczeniem.
Awatar użytkownika
Kocureq
Klubowicz
Posty: 10631
Rejestracja: 2006-03-21 21:35
Samochód: Patrol Y60 1991, Audi A4 2023
Galeria: viewtopic.php?t=10333
Lokalizacja: Warszawa

Re: czyżby pasek rozrządu....?!?

Post autor: Kocureq »

Poczytaj forum i performanceprobe.com a dowiesz się kto i co w Twoim aucie wyprodukował :)
Awatar użytkownika
Sallmo
Klubowicz
Posty: 1888
Rejestracja: 2007-08-26 17:46
Samochód: Mazda Probe - 2,5 V6 USA 92r & Honda CBR 929RR FireBlade
Galeria: viewtopic.php?t=14192
Lokalizacja: Warszawa Praga Północ

Re: czyżby pasek rozrządu....?!?

Post autor: Sallmo »

:mrgreen: Wiedziałem :mrgreen: ale tak robię postępy- czytam czytam i się uczę :wink:
Wspomnienia..Probe 2,2 GL 89 USA jest......
Jedyna w Polsce Mazda Probe GT V6 93r.......a może i na świecie ?
"...nie mam RWD , bokiem jeździć nie muszę
wolę mieć przód napęd ale taki co ma Duszę ..."
"Potrzeba dwóch lat, aby nauczyć się rozkręcać; pięćdziesięciu, aby nauczyć się skręcać." (Sallmo)
"...Osiagnąłem już ten określony wiek, w którym moj mózg przeszedł z "lepiej abyś tego nie mówił" do "Je..Bać to ,zobaczymy co sie stanie "..."
Awatar użytkownika
Sieger
Posty: 129
Rejestracja: 2008-08-01 13:30
Samochód: Ford Puma 1,7
Lokalizacja: Pabianice

Re: czyżby pasek rozrządu....?!?

Post autor: Sieger »

Mam pytanie dotyczące osłony paska rozrządu.

Moja osłona jest w nie najlepszym stanie. Czy można ją w miarę szybko wymienić na nową czy jest przy tym dużo kręcenia i wiąże się to z rozbieraniem wielu elementów?
Silver Probe 2,5 V6 `94 & Silver Puma '98 1,7 VTC
Awatar użytkownika
2Ya
Posty: 979
Rejestracja: 2007-05-06 21:28
Samochód: >>GT<<
Lokalizacja: Aloha Hawaii
Kontakt:

Re: czyżby pasek rozrządu....?!?

Post autor: 2Ya »

Sieger pisze:Mam pytanie dotyczące osłony paska rozrządu.

Moja osłona jest w nie najlepszym stanie. Czy można ją w miarę szybko wymienić na nową czy jest przy tym dużo kręcenia i wiąże się to z rozbieraniem wielu elementów?
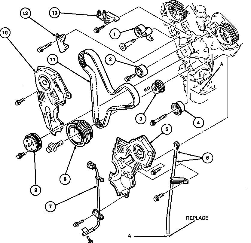
Masz rzutowe rysunki jak to wygląda.
Oczywiście nie odkręcasz wszystkiego.
Tak z grubsza to kilka śrubek ,od osłony rozrzadu(klucz 10),prowadnice miarki oleju,napinacz paska alternatora itd.
Dosyć ciężko się wyciaga tą osłonę jak i zakłada,bo ciasno i miejsca mało ale idzie.

Pzdr. & c ya..
Załączniki
v6.jpg
v62.jpg
Obrazek
Awatar użytkownika
Sieger
Posty: 129
Rejestracja: 2008-08-01 13:30
Samochód: Ford Puma 1,7
Lokalizacja: Pabianice

Re: czyżby pasek rozrządu....?!?

Post autor: Sieger »

Wielkie dzięki za rysuneczki, może nie będzie tak źle bo teraz dopiero zobaczyłem, że osłona podzielona jest na dwie części, a ja mam uszkodzoną jedną część, tą do której wydaje się dostęp jest lepszy.

jeszcze raz dziękuje
Silver Probe 2,5 V6 `94 & Silver Puma '98 1,7 VTC
Awatar użytkownika
Tomasz S
Posty: 1692
Rejestracja: 2004-11-25 18:21
Galeria: viewtopic.php?t=5611
Lokalizacja: Łódź

Re: czyżby pasek rozrządu....?!?

Post autor: Tomasz S »

Uprość sobie nieco i zdejmij prawe koło . Dostęp łatwiejszy a i przy okazji sprawdzisz dokładniej stan napinacza , pompy wody czy rolek .
PZDR
Obrazek
Awatar użytkownika
Sieger
Posty: 129
Rejestracja: 2008-08-01 13:30
Samochód: Ford Puma 1,7
Lokalizacja: Pabianice

Re: czyżby pasek rozrządu....?!?

Post autor: Sieger »

Dzięki za wskazówki, na pewno skorzystam,

Pozdrawiam,
Silver Probe 2,5 V6 `94 & Silver Puma '98 1,7 VTC
Awatar użytkownika
MajinSky
Posty: 145
Rejestracja: 2013-01-26 01:30
Samochód: Ford Probe II 2.0 16v '94 // Ford Probe 2.5 v6 '93
Galeria: viewtopic.php?t=23077
Lokalizacja: Kłodzko

Czy silnik w probe jest bezkolizyjny?

Post autor: MajinSky »

Witam serdecznie wszystkich.

Juz nie raz mi pomogliscie.

Podczas jazdy z prędkością około 100 zacząłem słyszeć pisk potem smród spalenizny i nie zdążyłem zjechać i silnik po prostu zgasł.

Wcześniej jechał bardzo żwawo na autostradzie jechałem ponad 220 wiec silnik był wysilony

Stało się tak po przejechaniu 300km w tym były 2 postoje.

Do samego końca jechał jak należy

Co to może być rozrząd?

Dodam że nie idzie go odpalić

Czy zepsuty rozrząd podczas jazdy powoduje zniszczenie silnika?
Awatar użytkownika
vitek
Klubowicz
Posty: 1749
Rejestracja: 2007-11-22 17:26
Galeria: viewtopic.php?t=13010
Lokalizacja: Skarżysko

Re: Czy silnik w probe jest bezkolizyjny?

Post autor: vitek »

Voodoo pisze:Proszę o to szybka i rzeczowa odpowiedź: :wink: :D
- silnik 2,5 jest bezkolizyjny 8)
był Ford Probe 2.0 16V - '96 Grey Green Metallic
jest Mondeo MK3 2.0 16V 145 KM ATX
Awatar użytkownika
Romas
Klubowicz
Posty: 5262
Rejestracja: 2009-12-23 22:35
Samochód: PROBE '94 2.5V6 GT MTX
Galeria: viewtopic.php?t=19226
Lokalizacja: Warszawa

Re: czyżby pasek rozrządu....?!?

Post autor: Romas »

tak silnik jest bezkolizyjny pod warunkiem ze w przeszłości głowica bardzo szlifowana.
A co do przyczyny to bez oględzin nikt Ci nie powie niestety. Jeszcze nie dorobiliśmy się jasnowidza :|
Awatar użytkownika
duracell
Posty: 830
Rejestracja: 2006-06-17 22:25
Samochód: osobowy
Lokalizacja: CB

Re: czyżby pasek rozrządu....?!?

Post autor: duracell »

Zdejmij kopułkę z aparatu zapłonowego, jeśli kręcąc rozrusznikiem palec będzie stał w miejscu to znaczy że pasek jest zerwany.
„czysta krew, trzeźwy umysł”
Awatar użytkownika
Romas
Klubowicz
Posty: 5262
Rejestracja: 2009-12-23 22:35
Samochód: PROBE '94 2.5V6 GT MTX
Galeria: viewtopic.php?t=19226
Lokalizacja: Warszawa

Re: czyżby pasek rozrządu....?!?

Post autor: Romas »

albo odchyl obudowe rozrządu, 2 srubki i widzisz
Awatar użytkownika
modano
Posty: 96
Rejestracja: 2007-07-22 10:43
Samochód: Probe II V6
Galeria: viewtopic.php?t=16692
Lokalizacja: Siemianowice, Polkowice

Re: czyżby pasek rozrządu....?!?

Post autor: modano »

Romas pisze:tak silnik jest bezkolizyjny pod warunkiem ze w przeszłości głowica bardzo szlifowana.
:|
nie strasz kolegi, silnik jest bezkolizyjny
Czy jak próbujesz odpalić to silnik kręci?
Ford Probe 2,5 V6 sensual styling, steering performance etc.
Awatar użytkownika
MajinSky
Posty: 145
Rejestracja: 2013-01-26 01:30
Samochód: Ford Probe II 2.0 16v '94 // Ford Probe 2.5 v6 '93
Galeria: viewtopic.php?t=23077
Lokalizacja: Kłodzko

Re: czyżby pasek rozrządu....?!?

Post autor: MajinSky »

Witam ponownie.

Okazało się, że pasek jest w strzępach.

Mechanik powiedział również, że silnik jest uszkodzony. ;(

Mój ford to wersja z 93 roku USA

jutro dowiem się więcej na razie dowiedziałem się tylko, że silnik jest uszkodzony i że cena naprawy około 3000 zł... to już lepiej chyba nowy silnik kupić nie ?

To jak to jest w końcu jest tam jakaś blokada czy nie ?
Awatar użytkownika
mysz
Klubowicz
Posty: 1941
Rejestracja: 2010-04-03 15:02
Galeria: viewtopic.php?t=18115
Lokalizacja: wwa

Re: czyżby pasek rozrządu....?!?

Post autor: mysz »

A po czym stwierdził, że uszkodzony? Bo pasek rozrządu zerwany? :mrgreen:
Było: Probe '94r
Jest: ST220 2005r
Awatar użytkownika
MajinSky
Posty: 145
Rejestracja: 2013-01-26 01:30
Samochód: Ford Probe II 2.0 16v '94 // Ford Probe 2.5 v6 '93
Galeria: viewtopic.php?t=23077
Lokalizacja: Kłodzko

Re: czyżby pasek rozrządu....?!?

Post autor: MajinSky »

Jutro będę z nim gadał to wam napiszę i mi doradzicie ;)
Awatar użytkownika
Sallmo
Klubowicz
Posty: 1888
Rejestracja: 2007-08-26 17:46
Samochód: Mazda Probe - 2,5 V6 USA 92r & Honda CBR 929RR FireBlade
Galeria: viewtopic.php?t=14192
Lokalizacja: Warszawa Praga Północ

Re: czyżby pasek rozrządu....?!?

Post autor: Sallmo »

Uważaj bo jak żyje nie widziałem uczciwego mechanika. Każdy naciągnąć się stara. Napisz co powiedział i podebatujemy ;)
Wspomnienia..Probe 2,2 GL 89 USA jest......
Jedyna w Polsce Mazda Probe GT V6 93r.......a może i na świecie ?
"...nie mam RWD , bokiem jeździć nie muszę
wolę mieć przód napęd ale taki co ma Duszę ..."
"Potrzeba dwóch lat, aby nauczyć się rozkręcać; pięćdziesięciu, aby nauczyć się skręcać." (Sallmo)
"...Osiagnąłem już ten określony wiek, w którym moj mózg przeszedł z "lepiej abyś tego nie mówił" do "Je..Bać to ,zobaczymy co sie stanie "..."
Awatar użytkownika
MajinSky
Posty: 145
Rejestracja: 2013-01-26 01:30
Samochód: Ford Probe II 2.0 16v '94 // Ford Probe 2.5 v6 '93
Galeria: viewtopic.php?t=23077
Lokalizacja: Kłodzko

Re: czyżby pasek rozrządu....?!?

Post autor: MajinSky »

A i jeśli chodzi o to czy kręci to tak.

Tzn jak kręcę kluczykiem to tak jakby chciał odpalić a nie może.
Awatar użytkownika
Romas
Klubowicz
Posty: 5262
Rejestracja: 2009-12-23 22:35
Samochód: PROBE '94 2.5V6 GT MTX
Galeria: viewtopic.php?t=19226
Lokalizacja: Warszawa

Re: czyżby pasek rozrządu....?!?

Post autor: Romas »

mechanik z automatu stwierdził że są uszkodzone zawory, i tu jest zapewne w błędzie, jak nie uwierzy że silnik jest bezkolizyjny to zabieraj samochód i jedź gdzie indziej :wink:
Awatar użytkownika
MajinSky
Posty: 145
Rejestracja: 2013-01-26 01:30
Samochód: Ford Probe II 2.0 16v '94 // Ford Probe 2.5 v6 '93
Galeria: viewtopic.php?t=23077
Lokalizacja: Kłodzko

Re: czyżby pasek rozrządu....?!?

Post autor: MajinSky »

Witam

Dzwoniłem i mechanik powiedział że znając życie w każdej v-ce po zerwaniu paska jest po silniku.

Dzwoniłem do innego i powiedział że krzywki się wyginaja i coś z zaworami się dzieje
Awatar użytkownika
mysz
Klubowicz
Posty: 1941
Rejestracja: 2010-04-03 15:02
Galeria: viewtopic.php?t=18115
Lokalizacja: wwa

Re: czyżby pasek rozrządu....?!?

Post autor: mysz »

Każdy silnik benzynowy mazdy z lat 92-2001 (?) jest bezkolizyjny (nie wiem czy dobre daty podałem)- w każdym razie silniki w probe są bezkolizyjne- zawory mijają się z tlokami w momencie zerwania paska rozrzadu. Zabieraj samochod do innego mechanika.

Ps. Chyba, że głowica była robiona to wtedy kolizja mogła nastąpić
Było: Probe '94r
Jest: ST220 2005r
Awatar użytkownika
Sallmo
Klubowicz
Posty: 1888
Rejestracja: 2007-08-26 17:46
Samochód: Mazda Probe - 2,5 V6 USA 92r & Honda CBR 929RR FireBlade
Galeria: viewtopic.php?t=14192
Lokalizacja: Warszawa Praga Północ

Re: czyżby pasek rozrządu....?!?

Post autor: Sallmo »

Żeby Ci pocieszyć, w moim Probku pasek pękł 2 razy ( winą był rolka) ale zawsze po złożeniu odpalał i jeździł ....zanim nie trafił do szafy....ale to już inna historia ;)
Zmieniaj mechanika a następnemu powiedz od razu ze to bezkolizyjny i udawaj że się znasz , ale czasu nie masz robić i nie lubisz ;) Inaczej gadać będzie ;)
Wspomnienia..Probe 2,2 GL 89 USA jest......
Jedyna w Polsce Mazda Probe GT V6 93r.......a może i na świecie ?
"...nie mam RWD , bokiem jeździć nie muszę
wolę mieć przód napęd ale taki co ma Duszę ..."
"Potrzeba dwóch lat, aby nauczyć się rozkręcać; pięćdziesięciu, aby nauczyć się skręcać." (Sallmo)
"...Osiagnąłem już ten określony wiek, w którym moj mózg przeszedł z "lepiej abyś tego nie mówił" do "Je..Bać to ,zobaczymy co sie stanie "..."
Awatar użytkownika
MajinSky
Posty: 145
Rejestracja: 2013-01-26 01:30
Samochód: Ford Probe II 2.0 16v '94 // Ford Probe 2.5 v6 '93
Galeria: viewtopic.php?t=23077
Lokalizacja: Kłodzko

Re: czyżby pasek rozrządu....?!?

Post autor: MajinSky »

-- oryginalny post 2015-06-04 19:38 --

Dziękuję wszystkim w poniedziałek dowiem się ile kosztuje rozrząd + robocizna i wam napisze :)

-- dodano 2015-06-05 10:10 --

TO jeszcze raz ja możecie mi napisać od jakich modeli będzie pasować cały rozrząd ?

znalazłem że mazda 323f , mx-3 ,mx-6, xedos-6 ,xedos-9, i Probe może ktoś mi dokładnie potwierdzić jakie wersje ? z jakimi silnikami ? dziękuje ślicznie ;)
Awatar użytkownika
vitek
Klubowicz
Posty: 1749
Rejestracja: 2007-11-22 17:26
Galeria: viewtopic.php?t=13010
Lokalizacja: Skarżysko

Re: czyżby pasek rozrządu....?!?

Post autor: vitek »

Generalnie od Mazdy 626 2.5 V6; zerknij tu :arrow: http://ford-probe.net/content/view/32/42/ masz wykaz pasków i rolek.
był Ford Probe 2.0 16V - '96 Grey Green Metallic
jest Mondeo MK3 2.0 16V 145 KM ATX
ODPOWIEDZ

Wróć do „2.5 V6 KL”