Problem: Odpala za 3-cim razem
- Flyke
- Posty: 712
- Rejestracja: 2006-10-18 22:00
- Galeria: viewtopic.php?t=10424
- Lokalizacja: Jelenia Góra
tfu... :PP Sorcia oczywiście kod 5
auto stoi pod domem nie ma przeglądu wiec nie bardzo moge nim pojezdzic
stało jakiś czas po czym trafilo do mnie
:twisted:i jest w nim jeszcze duzo do robienia mam nadzieje ze do wakacji będzie już wszystko jak ma byc
Z tą mocą : wsiadam odpalam wrzucam 1 , jade dodaje gazu a on przyśpiesza jak maluch :/
24v wykorzystane az do granic - BYłOOOOOOOOOOOOO
e46 z ....
- JEsttttttttttt
e46 z ....
- wingerman
- Klubowicz
- Posty: 2887
- Rejestracja: 2003-03-21 10:31
- Samochód: Probe 3.0L
- Lokalizacja: Łódź/W-wa
Sprawdz przewody przy apaacie zaplonowym czy sa cale i zdrowe, jesli tak to ja obstawialbym rozrzad.
Napisz czy tak bylo odkad go kupiles\dostales czy zrobilo sie gdy byl juz Twoj. Jesli stalo sie to Tobie to opisz dokladnie jakie byly objawy nim doszlo do obecnego stanu.
Napisz czy tak bylo odkad go kupiles\dostales czy zrobilo sie gdy byl juz Twoj. Jesli stalo sie to Tobie to opisz dokladnie jakie byly objawy nim doszlo do obecnego stanu.

Rowy dla rowerzystow.
I gen 90r. LX 3,0L V6
- Flyke
- Posty: 712
- Rejestracja: 2006-10-18 22:00
- Galeria: viewtopic.php?t=10424
- Lokalizacja: Jelenia Góra
hmm dostałem je od brata który kupił za grosze i auto wogle nie odpalało , brat wyjechał a ja oddałem auto do mechanika, wymienil stacyjke i auto pali , znaczy paliło bo włanie przed chwilą próbowałem go odpalić i lipa
oddaje Probka do warsztatu zobaczymy co mu dolega 
:D:D Wymieniłem świece i o dziwo zaczął odpalac za każdym razem
:D tylko pozostał jeden problem bardzo długo trzeba kręcic zeby zapalił ,,, [/code]
24v wykorzystane az do granic - BYłOOOOOOOOOOOOO
e46 z ....
- JEsttttttttttt
e46 z ....
- wingerman
- Klubowicz
- Posty: 2887
- Rejestracja: 2003-03-21 10:31
- Samochód: Probe 3.0L
- Lokalizacja: Łódź/W-wa
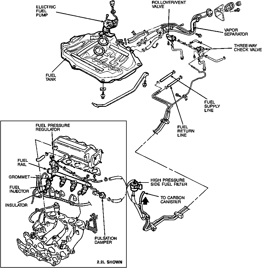
przyczyn moze byc kilka, zakladajac ze po odpaleniu chodzi ladnie, pierwsze co mi przychodzi na mysl to zawor zwrotny paliwa.
O tym zaworku mozna poczytac w kilku miejscach.
Uzyj
Szukaj
O tym zaworku mozna poczytac w kilku miejscach.
Uzyj

Rowy dla rowerzystow.
I gen 90r. LX 3,0L V6
- Flyke
- Posty: 712
- Rejestracja: 2006-10-18 22:00
- Galeria: viewtopic.php?t=10424
- Lokalizacja: Jelenia Góra
- Pelot
- Posty: 4620
- Rejestracja: 2004-11-02 21:33
- Samochód: F4
- Galeria: viewtopic.php?t=5515
- Lokalizacja: Wars i Sawa
ja zaobserwowałem identyczne zjawisko, po wymianie wszystkich elementów WN tj kopułka, palec, świece, kable niestety trzeba go rano dużo więcej kręcić żeby odpaliłflyke pisze: tylko pozostał jeden problem bardzo długo trzeba kręcic zeby zapalił ,,, [/code]

- Bogdan9999
- Posty: 4272
- Rejestracja: 2005-04-11 00:42
- Samochód: Black 1GT 91r. Sportage FE3N 4X4
- Galeria: viewtopic.php?t=7485
- Lokalizacja: Przasnysz
Ten problem mam i ja. Z tym że ja wiem dlaczego tak sie dzieje
uszkodzony mamy zaworek przy pompie paliwa który nie trzyma ciśnienia i przy dłuższym postoju ciśnienie schodzi a my musimy trochę pokręcić zanim pompa napompuje paliwko
Dla przy pomienia i tych co nie wiedza pompa paliwa u nas jest załączana jak załączymy zapłon. Pozdro
PROBE "Blackbird" FE3N POWER 
Sportage FE3N 4X4
Sportage FE3N 4X4
- Robert
- Posty: 12613
- Rejestracja: 2004-10-21 19:12
- Samochód: Probe GT2.0'89; ForTwo 0.6turbo; HRV 1.6
- Galeria: viewtopic.php?t=6900
- Lokalizacja: Leszno (maz)
- Kontakt:
Jesli to prawda, to nie należy go kręcić z rana od razu, tylko przekręcić kluczyk, poczekać aż ciśnienie w układzie osiągnie ile trzeba (36psi) i odpali od razu.
Poświęć niecałe 2 minuty na naukę korzystania z forum:
Lekcja 1 (bardzo krótka) i
Lekcja 2 (krótka)

'89 2.0 Turbo downgrade

'89 2.0 Turbo downgrade- skorik
- Posty: 588
- Rejestracja: 2005-10-15 08:27
- Galeria: viewtopic.php?t=9986
- Lokalizacja: Toruń
Nie jestem pewien, ale pompa nie kręci chyba w pozycji zapłon, tylko na rozruchu i dopiro potem cały czas jak silnik pracuje.Robert pisze:Jesli to prawda, to nie należy go kręcić z rana od razu, tylko przekręcić kluczyk, poczekać aż ciśnienie w układzie osiągnie ile trzeba (36psi) i odpali od razu.
Ale jak piszę nie jestem pewien. Ale swoją drogą wyjaśniałoby to dlaczego trzeba dłużej kręcić...
- Bogdan9999
- Posty: 4272
- Rejestracja: 2005-04-11 00:42
- Samochód: Black 1GT 91r. Sportage FE3N 4X4
- Galeria: viewtopic.php?t=7485
- Lokalizacja: Przasnysz
Niestety nie pisząc wcześniej po że pompa załącza sie na zapłonie to walnąłem gapę a załącza sie na rozruchu. I w probkach pompa nie załącza sie po przekręceniu kluczyka na zapłon na 2 sekundy bynajmniej w 2.2 GT. Nie wiem jak w 3.0 ale w 2.2 GT macie na bank walnięte pompy paliwa i kropka
Pozdro
PROBE "Blackbird" FE3N POWER 
Sportage FE3N 4X4
Sportage FE3N 4X4
- skorik
- Posty: 588
- Rejestracja: 2005-10-15 08:27
- Galeria: viewtopic.php?t=9986
- Lokalizacja: Toruń
Czyli jednak jak pisałem. Na zapłonie pompa nie chodzi. I u mnie też raczej nie słychać, żadnego przekaźnika. Dlatego jeżeli zawór powrotny słabo trzyma i paliwo się cofa to faktycznie trzeba by dłużej kręcić a czekanie na przekręconym zapłonie nic nie da.Bogdan9999 pisze:...w probkach pompa nie załącza sie po przekręceniu kluczyka na zapłon na 2 sekundy bynajmniej w 2.2 GT
- Robert
- Posty: 12613
- Rejestracja: 2004-10-21 19:12
- Samochód: Probe GT2.0'89; ForTwo 0.6turbo; HRV 1.6
- Galeria: viewtopic.php?t=6900
- Lokalizacja: Leszno (maz)
- Kontakt:
Racja - nie chodzi (o ile nie została zmostkowana wtyczka kontrolna testowania pompy).
Serwisówka pisze:Pressure Regulator
The pressure regulator is mounted to the return line end of the fuel rail. It is controlled by manifold vacuum and will always maintain fuel pressure between 235-275 kPa (34-40 psi). To prevent percolation of the fuel during idling, after the engine is restarted, vacuum is cut to the fuel pressure regulator for approximately 120 seconds, increasing the fuel pressure under the following conditions:
* When the intake air temperature is above 20°C (68°F).
* When the engine coolant temperature is above 70°C (158°F).
Poświęć niecałe 2 minuty na naukę korzystania z forum:
Lekcja 1 (bardzo krótka) i
Lekcja 2 (krótka)

'89 2.0 Turbo downgrade

'89 2.0 Turbo downgradeciekawe rzeczy piszeszBogdan9999 pisze:Niestety nie pisząc wcześniej po że pompa załącza sie na zapłonie to walnąłem gapę a załącza sie na rozruchu. I w probkach pompa nie załącza sie po przekręceniu kluczyka na zapłon na 2 sekundy bynajmniej w 2.2 GT. Nie wiem jak w 3.0 ale w 2.2 GT macie na bank walnięte pompy paliwa i kropkaPozdro
Mechanika samochodowa
Pranie czyszczenie tapicerek
Pranie czyszczenie tapicerek
- Flyke
- Posty: 712
- Rejestracja: 2006-10-18 22:00
- Galeria: viewtopic.php?t=10424
- Lokalizacja: Jelenia Góra
- pytlar
- Posty: 954
- Rejestracja: 2006-06-05 11:04
- Galeria: viewtopic.php?t=8824
- Lokalizacja: Prabuty
dlugo kreci rozrusznikiem zanim odpali...
mam taki problem: musze dlugo krecic rozrusznikiem zanim odpale samochod z rana albo po dluzszym postoju
jak zgasze i po paru minutach odpalam to pali na dotyk!! czy to normalne jest w probkach?? czy moze byc gdzies nieszczelnosc w przewodach paliwowych?? bo niedawno jak cofalem to wujek powiedzial ze poczul jakby benzyne, a ja niestety nie czulem jeszcze zeby cos przy moim probku zajezdzalo benzyna
bo ja juz nie mam pomyslow co moze bycz tym spalaniem w tym samochodzie.... zeby zaczynalo sie od 16 przy spokojnej jezdzie to juz rece opadaja!!
bo ja juz nie mam pomyslow co moze bycz tym spalaniem w tym samochodzie.... zeby zaczynalo sie od 16 przy spokojnej jezdzie to juz rece opadaja!!
- Pluto
- Posty: 597
- Rejestracja: 2006-04-23 17:57
- Galeria: viewtopic.php?t=11609
- Lokalizacja: Ostrołęka
- daniel
- Posty: 947
- Rejestracja: 2006-07-27 20:23
- Galeria: viewtopic.php?t=9642
- Lokalizacja: Rumia
- Flyke
- Posty: 712
- Rejestracja: 2006-10-18 22:00
- Galeria: viewtopic.php?t=10424
- Lokalizacja: Jelenia Góra
- daniel
- Posty: 947
- Rejestracja: 2006-07-27 20:23
- Galeria: viewtopic.php?t=9642
- Lokalizacja: Rumia
- pytlar
- Posty: 954
- Rejestracja: 2006-06-05 11:04
- Galeria: viewtopic.php?t=8824
- Lokalizacja: Prabuty
ten czujnik mam nowy... wymienilem go jak walczylem z obrotamidaniel pisze:sprawdź czujnik temperatury co idzie do kompa, u mnie byl walniety i po dłuższym postoju nie chciał zapalić,a i "chlapał" też nieźle, koszt czujnika to 30zł. wiec nie wiele
ogladalem dzisiaj listwe wtryskowa i przewody co sa w komorze i nic nie widac niepokojacego...
- Bogdan9999
- Posty: 4272
- Rejestracja: 2005-04-11 00:42
- Samochód: Black 1GT 91r. Sportage FE3N 4X4
- Galeria: viewtopic.php?t=7485
- Lokalizacja: Przasnysz
Wina stoi po stronie pompy paliwa jak byś poszukał i poczytał to byś sie tego dowiedział bo już to kilka razy pisałem. A na oko to nic nie sprawdzisz. Do pompy dostajesz sie wyjmując siedzisko tylnej kanapy i tam już powinieneś wiedzieć co robić
Pozdro Pozdrawiam
PROBE "Blackbird" FE3N POWER 
Sportage FE3N 4X4
Sportage FE3N 4X4


I love Skyline