Nigdy nie miałem d.generacji, więc piszę tylko na podstawie serwisówki, performanceprobe.com, chwilowego układu tupolewów nad Polską oraz promili przemierzających mój krwioobieg. Dzisiaj niebo jest czyste, pora wczesna, dlatego obstawiałbym METER.
Miganie kontrolki poduszki powietrznej...?
- Robert
- Posty: 12613
- Rejestracja: 2004-10-21 19:12
- Samochód: Probe GT2.0'89; ForTwo 0.6turbo; HRV 1.6
- Galeria: viewtopic.php?t=6900
- Lokalizacja: Leszno (maz)
- Kontakt:
Re: Miganie kontrolki poduszki powietrznej...?
Bo teoretycznie teoria działa, ale praktycznie praktyka wykazuje swą wyższość. 
Nigdy nie miałem d.generacji, więc piszę tylko na podstawie serwisówki, performanceprobe.com, chwilowego układu tupolewów nad Polską oraz promili przemierzających mój krwioobieg. Dzisiaj niebo jest czyste, pora wczesna, dlatego obstawiałbym METER.
Nigdy nie miałem d.generacji, więc piszę tylko na podstawie serwisówki, performanceprobe.com, chwilowego układu tupolewów nad Polską oraz promili przemierzających mój krwioobieg. Dzisiaj niebo jest czyste, pora wczesna, dlatego obstawiałbym METER.
Poświęć niecałe 2 minuty na naukę korzystania z forum:
Lekcja 1 (bardzo krótka) i
Lekcja 2 (krótka)

'89 2.0 Turbo downgrade

'89 2.0 Turbo downgrade-
kocurro
- Posty: 484
- Rejestracja: 2007-03-25 18:50
- Samochód: była skoda superb
- Lokalizacja: Gdańsk Bartoszyce
Re: Miganie kontrolki poduszki powietrznej...?
no cóż wyciągałem każdy bezpiecznik po kolei i nic dalej miga. może po wyjęciu bezpiecznika muszę zrobić reset???????
wszyscy mają PROBE. miałem i ja:(:( 2.0 16v,94r.
Re: Miganie kontrolki poduszki powietrznej...?
ROOM hehe
Jak wyciągnie METER to mu licznik zgaśnie
Po 1 jeśli jest błąd to należy go usunąć ,a nie leczyć syfa pudrem
,a jeśli nie chcesz by poduszka ci migała to wywal kontrolkę albo sterownik airbagu ale myślę,że nie tędy droga
Kod 34 - sprawdź dobrze polączenia pod kierownicą itd - sprawdź taśmę itd.
To wszystko ma już swoje lata i wariuje i w Probe błędy nieraz same z siebie wywalają,bo szczerze mówiąc ten układ airbagu to przerost treści nad formą
Jeśli się nie znasz co i jak to jedź do fachowców,od poduszek i ci sczyszczą sterownik lub zakup sterownik w pełni sprawny czyli czysty.
Oczywiście jeśli masz gdzies usterkę to i po założeniu czystego modułu błąd znów ci wywali.
Po 1 jeśli jest błąd to należy go usunąć ,a nie leczyć syfa pudrem
Kod 34 - sprawdź dobrze polączenia pod kierownicą itd - sprawdź taśmę itd.
To wszystko ma już swoje lata i wariuje i w Probe błędy nieraz same z siebie wywalają,bo szczerze mówiąc ten układ airbagu to przerost treści nad formą
Jeśli się nie znasz co i jak to jedź do fachowców,od poduszek i ci sczyszczą sterownik lub zakup sterownik w pełni sprawny czyli czysty.
Oczywiście jeśli masz gdzies usterkę to i po założeniu czystego modułu błąd znów ci wywali.

-
kocurro
- Posty: 484
- Rejestracja: 2007-03-25 18:50
- Samochód: była skoda superb
- Lokalizacja: Gdańsk Bartoszyce
Re: Miganie kontrolki poduszki powietrznej...?
wolę to naprawić bo jeśli fabryka dała to ma być, ale chcę ją wyłączyć tylko na czas przeglądu bo ostatnio mi diagnosta powiedział żę jeśli miga jakaś kontrolka ostrzegawcza to nie zrobi przeglądu
wszyscy mają PROBE. miałem i ja:(:( 2.0 16v,94r.
- wujeksex
- Posty: 1395
- Rejestracja: 2008-09-08 21:09
- Samochód: Probe II 93 2.0 BASE MTX USA
- Galeria: viewtopic.php?t=14440
- Lokalizacja: Żarowo, Stargard Szczeciński
Re: Miganie kontrolki poduszki powietrznej...?
Jak ją wyłączysz, to też nie przejdzie przeglądu.
Skoro jest poducha, to kontrolka musi się świecić po przekręceniu kluczyka na zapłon, a później ma zgasnąć i nie migać.
Skoro jest poducha, to kontrolka musi się świecić po przekręceniu kluczyka na zapłon, a później ma zgasnąć i nie migać.
Był Probe II 93 2.0 BASE LPG ATX USA
Probe II 93 2.0 BASE MTX USA
Odważni nie żyją wiecznie - Ostrożni nie żyją wcale...
Na rozstaju dróg..... redukcja i but
Kobieta - istota stabilna emocjonalnie, niczym powierzchnia szklanki wody, trzymanej przez osobę z chorobą Parkinsona, któremu palą się spodnie podczas tańczenia Lambady
Lepiej być znanym pijakiem niż anonimowym alkoholikiem
Probe II 93 2.0 BASE MTX USA
Odważni nie żyją wiecznie - Ostrożni nie żyją wcale...
Na rozstaju dróg..... redukcja i but
Kobieta - istota stabilna emocjonalnie, niczym powierzchnia szklanki wody, trzymanej przez osobę z chorobą Parkinsona, któremu palą się spodnie podczas tańczenia Lambady
Lepiej być znanym pijakiem niż anonimowym alkoholikiem
Re: Miganie kontrolki poduszki powietrznej...?
To jakiś upierdliwy diagnosta 
Dlatego zrób jak napisałem,odłącz aku,poczekaj z 5 minut (minuta wystarczy jak pamietam ale co szkodzi dłuzej),wykrec poduche i posprawdzaj taśmę czy sprawna itd oraz połaczenia dalej pod kolumna kierowniczą - czasem taśma nawet podczas sprawdzania okazuje sie,że jest niby ok ale dopiero podczas obracania kołem kierownicy nie łaczy itd i wywala błąd.
Niestety 15 lat kręceniem kieratem robi swoje
Pzdr. & c ya..
Dlatego zrób jak napisałem,odłącz aku,poczekaj z 5 minut (minuta wystarczy jak pamietam ale co szkodzi dłuzej),wykrec poduche i posprawdzaj taśmę czy sprawna itd oraz połaczenia dalej pod kolumna kierowniczą - czasem taśma nawet podczas sprawdzania okazuje sie,że jest niby ok ale dopiero podczas obracania kołem kierownicy nie łaczy itd i wywala błąd.
Niestety 15 lat kręceniem kieratem robi swoje
Pzdr. & c ya..

- wujeksex
- Posty: 1395
- Rejestracja: 2008-09-08 21:09
- Samochód: Probe II 93 2.0 BASE MTX USA
- Galeria: viewtopic.php?t=14440
- Lokalizacja: Żarowo, Stargard Szczeciński
Re: Miganie kontrolki poduszki powietrznej...?
Można tak powiedzieć, ale w sumie działa według prawa.2Ya pisze:To jakiś upierdliwy diagnosta
Niektórzy przymykają oko, ale ostatnio coraz częściej zdarzają się różnego rodzaju łapanki i każdy się po prostu boi.
Był Probe II 93 2.0 BASE LPG ATX USA
Probe II 93 2.0 BASE MTX USA
Odważni nie żyją wiecznie - Ostrożni nie żyją wcale...
Na rozstaju dróg..... redukcja i but
Kobieta - istota stabilna emocjonalnie, niczym powierzchnia szklanki wody, trzymanej przez osobę z chorobą Parkinsona, któremu palą się spodnie podczas tańczenia Lambady
Lepiej być znanym pijakiem niż anonimowym alkoholikiem
Probe II 93 2.0 BASE MTX USA
Odważni nie żyją wiecznie - Ostrożni nie żyją wcale...
Na rozstaju dróg..... redukcja i but
Kobieta - istota stabilna emocjonalnie, niczym powierzchnia szklanki wody, trzymanej przez osobę z chorobą Parkinsona, któremu palą się spodnie podczas tańczenia Lambady
Lepiej być znanym pijakiem niż anonimowym alkoholikiem
-
kocurro
- Posty: 484
- Rejestracja: 2007-03-25 18:50
- Samochód: była skoda superb
- Lokalizacja: Gdańsk Bartoszyce
Re: Miganie kontrolki poduszki powietrznej...?
dobra panowie za chwilę idę i będę szukał. chociaż nie wiem czy podołam bo w takim temacie nie wiem nic. mogę robić wszystko tylko nie coś co jest związane z prądem ale się postaram. a na temat łapanek to fakt. znajomy z bartoszyc poleciał za coś takiego z roboty i jak dobrze pamiętam czekała go sprawa sądowa
Ostatnio zmieniony 2010-06-19 15:12 przez kocurro, łącznie zmieniany 1 raz.
wszyscy mają PROBE. miałem i ja:(:( 2.0 16v,94r.
Re: Miganie kontrolki poduszki powietrznej...?
I dobrze i tak powinno być choc nie powiem ,że przydaje się diagnosta,który nieraz na jakąś pierdołe przymknie oko 
Oczywiście w granicach rozsądku i zaufania,że ktoś usterkę w najbliższym czasie usunie,a nie stempelek i w du..e mam
Oczywiście w granicach rozsądku i zaufania,że ktoś usterkę w najbliższym czasie usunie,a nie stempelek i w du..e mam

-
kocurro
- Posty: 484
- Rejestracja: 2007-03-25 18:50
- Samochód: była skoda superb
- Lokalizacja: Gdańsk Bartoszyce
Re: Miganie kontrolki poduszki powietrznej...?
dzisiaj znów trochę poszperałem i teraz pytanko: kiedyś Robert pisał że czasami wystarczy dokręcić masę? bo z czasem rdzewieje. czy owa masa jest mniej więcej pod lewą lampą, przed chłodnicą????? właśnie w tym miejscu znalazłem 4 kabelki przykręcone raczej jako masa. gdybym miał aparat to bym zrobił foto, ale powiemtak: mam dość cienkie ręce i włożyłem jedną w wolne miejsce obok halogena i ją sięgnąłem. i jeszcze jedno pytanie: czy nasz system SRS jest połączony z napinaczami pasów i jest jeszcze jakaś niespodzianka pod fotelem kierowcy????
wszyscy mają PROBE. miałem i ja:(:( 2.0 16v,94r.
- Robert
- Posty: 12613
- Rejestracja: 2004-10-21 19:12
- Samochód: Probe GT2.0'89; ForTwo 0.6turbo; HRV 1.6
- Galeria: viewtopic.php?t=6900
- Lokalizacja: Leszno (maz)
- Kontakt:
Re: Miganie kontrolki poduszki powietrznej...?
-- oryginalny post 2010.06.24 19:31 --
Kiepska masa była możliwą przyczyną błędu 45, nie 34.
http://www.performanceprobe.com/doityou ... 94&code=34
-- dodano 2010.06.24 19:51 --
Kiepska masa była możliwą przyczyną błędu 45, nie 34.
-- dodano 2010.06.24 19:51 --
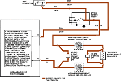
Pinpoint Tests -- Air Bag System
DRIVER SIDE AIR BAG MODULE CIRCUIT LOW RESISTANCE OR SHORTED FAULT CODE 34
Normal Operation
The air bag diagnostic monitor measures the resistance across pin 10 (circuit 937 "GY") and pin 11 (circuit 944A "GN/W") every time the ignition switch is turned to the ON position. Normal resistance across these circuits is between 1.5 ohms and 2.0 ohms. This resistance comes from the air bag module itself (approximately 1.0 ohm) and the air bag sliding contact windings (approximately 0.25 ohms to 0.5 ohms per winding, two windings in all) and the safing sensor (approximately 0.2 ohms). If the resistance across these three circuits is less than 0.7 ohms, the air bag diagnostic monitor will flash a code 34 on the air bag warning indicator.
Possible Causes
- NOTE:
The connectors for the air bag module and the air bag sliding contact have metal spring clips that act as shorting bars. These shorting bars are built into the plastic hardshell connectors. The shorting bars are designed to short circuits 937 and 938 together when the connectors are not mated. Do not attempt to remove the air bag shorting bar and measure the resistance of the air bag module. The air bag sliding contact shorting bar may be removed to measure the air bag sliding contact resistance. Use extreme care when reinstalling the shorting bar to ensure it is installed correctly.
Low resistance across pins 10 and 11 can be caused by the following:
- A poorly mated air bag siding contact connector may not push the shorting bars back into their fully retracted positions.
- A faulty shorting bar may short circuits 937 and 938 together.
- A short in the air bag sliding contact windings between circuits 937 and 938.
- A short across the air bag terminals within the driver side air bag module. DO NOT attempt a direct resistance measurement of the driver side air bag module. Follow the diagnostic procedures to determine if the driver side air bag module resistance is lower than normal.
Electrical Schematic -- Driver Side Air Bag Module Circuit Low Resistance or Shorted Fault Code 34 Pinpoint Test -- Driver Side Air Bag Module Circuit Low Resistance or Shorted Fault Code 34
- 34-1: VERIFY CONDITION
- Key ON.
- Count the fault code (if any).
- Is code 34 flashing?
- Yes
- GO to 34-2.
- No
- READ the Normal Operation Description for this fault code. EXAMINE the fault code schematic and look for areas where intermittent problems would occur (connectors, splices, crimps, etc.). DO NOT PROCEED WITH PINPOINT TESTS UNTIL THE CODE IS FLASHING! FAILURE TO DO SO WILL RESULT IN NEEDLESS REPLACEMENT OF THE AIR BAG DIAGNOSTIC MONITOR AND REPEAT REPAIRS.
- 34-2: CHECK AIR BAG CIRCUIT
- Deactivate the air bag system - leave the driver side air bag module connector disconnected (do not install Rotunda Air Bag Simulator 105-00009).
- Disconnect the air bag diagnostic monitor connectors.
- Measure the resistance across Pin 11 (circuit 944A "GN/W") and Pin 10 (circuit 937 "GY") at the black air bag diagnostic monitor harness connector.
- Is the resistance across Pins 10 and 11 infinite (open)?
- Yes
- GO to 34-3.
- No
- GO to 34-4.
- 34-3: CHECK FOR SHORT IN AIR BAG MODULE
- Install Rotunda Air Bag Simulator 105-00009 onto the air bag sliding contact connector at the steering wheel.
- Reconnect the air bag diagnostic monitor connectors.
- Turn the key from off to ON.
- Wait 30 seconds.
- Is code 34 flashing?
- Yes
- REPLACE the air bag diagnostic monitor. VERIFY the system. REACTIVATE the system.
- No
- EXAMINE the shorting bar on the driver side air bag module connector for proper function. (EXAMINE the air bag sliding contact-to-main harness connector as an example of a normal shorting bar.) REPLACE the driver side air bag module if the shorting bar is normal. VERIFY the system. REACTIVATE the system.
- 34-4: CHECK FOR SHORT IN AIR BAG SLIDING CONTACT
- Disconnect the air bag sliding contact connector at the base of the steering column where it mates with the main vehicle harness.
- Measure the resistance across Pin 11 (circuit 944A "GN/W") and Pin 10 (circuit 937 "GY") at the black air bag diagnostic monitor harness connector.
- Is the resistance across Pins 10 and 11 infinite (open)?
- Yes
- EXAMINE the shorting bar in the air bag sliding contact-to-main harness connector for proper function. (EXAMINE the driver side air bag module connector as an example of a normal shorting bar.) REPLACE the air bag sliding contact if the shorting bar is normal. VERIFY the system. REACTIVATE the system.
- No
- LOCATE and SERVICE the short across circuits 944A and 937 in the wiring harness. INSPECT the air bag diagnostic monitor harness connector and the air bag sliding contact harness connector for shorted terminals. VERIFY the system. REACTIVATE the system.
Poświęć niecałe 2 minuty na naukę korzystania z forum:
Lekcja 1 (bardzo krótka) i
Lekcja 2 (krótka)

'89 2.0 Turbo downgrade

'89 2.0 Turbo downgrade-
kocurro
- Posty: 484
- Rejestracja: 2007-03-25 18:50
- Samochód: była skoda superb
- Lokalizacja: Gdańsk Bartoszyce
Re: Miganie kontrolki poduszki powietrznej...?
kto ma chęć mi to na polski przetłumaczyć

wszyscy mają PROBE. miałem i ja:(:( 2.0 16v,94r.
- Robert
- Posty: 12613
- Rejestracja: 2004-10-21 19:12
- Samochód: Probe GT2.0'89; ForTwo 0.6turbo; HRV 1.6
- Galeria: viewtopic.php?t=6900
- Lokalizacja: Leszno (maz)
- Kontakt:
Re: Miganie kontrolki poduszki powietrznej...?
Poświęć niecałe 2 minuty na naukę korzystania z forum:
Lekcja 1 (bardzo krótka) i
Lekcja 2 (krótka)

'89 2.0 Turbo downgrade

'89 2.0 Turbo downgrade-
kocurro
- Posty: 484
- Rejestracja: 2007-03-25 18:50
- Samochód: była skoda superb
- Lokalizacja: Gdańsk Bartoszyce
Re: Miganie kontrolki poduszki powietrznej...?
USTERKA NAPRAWIONA
wielkie dzieki za pożyczenie modułu dla Rumun00
a więc jeżeli komuś wywala kod 34, nie było dzwona ani nic grzebane w kablach a kontrolka zaczęła migać sama od siebie tzn. że jest walniety moduł srs ( niebieskie pudełko obok pedału sprzęgła) nie ma różnicy czy to będzie moduł z rocznika 93, 95 czy 97 wsio to samo

wszyscy mają PROBE. miałem i ja:(:( 2.0 16v,94r.
Re: Miganie kontrolki poduszki powietrznej...?
Spoko grunt, że po sprawie 
V6 2,5l '93 Euro
było V6 2,5l '94 USA
było V6 2,5l '94 USA
- Leib Garde
- Posty: 52
- Rejestracja: 2008-07-27 23:36
- Samochód: brak
- Lokalizacja: Wrocław
Re: Miganie kontrolki poduszki powietrznej...?
Witajcie!
Jestem przeszczęśliwy
bo i ja poradziłem sobie z problemem błędu 34. Dokładnie jak Kolega wyżej napisał, wymieniłem moduł poduszek, ten w niebieskiej puszce. To właśnie było przyczyną i teraz wszystko gra
Sam moduł kosztował mnie na All 30zł więc śmieszne pieniądze, natomiast radość z naprawionego auta - bezcenna
Pozdrawiam!
Krzysiek
Jestem przeszczęśliwy
Pozdrawiam!
Krzysiek
czarne Probe II 2.0 16V 95r.
- Spider33
- Posty: 1247
- Rejestracja: 2008-01-05 12:23
- Samochód: Probe x ∞
- Galeria: viewtopic.php?t=20740
- Lokalizacja: Skarżysko-Kamienna
Re: Miganie kontrolki poduszki powietrznej...?
Witam. Również niestety mam problem z poduchą i najwyższy czas go rozwiązać
Mianowicie wywala mi błąd 52 czyli brak zasilania. Zdjąłem poduchę i sprawa wydawała się prosta, przerwana taśma. Postanowiłem ją wymienić ale niestety ta która otrzymałem ma inne mocowanie zasilania więc pozostaje lutowanie starej. I tu pojawia się moje pytanie gdzie podłączyć tą białą wtyczkę??? Wszystko było rozłączone i tylko ten drucik od klaksonu był przylutowany do tego co zostało z taśmy na kolumnie. Zamieszczam zdjęcie. Jakośc kiepska ale dla kogoś kto to już robił airbagi nie powinno sprawić problemów co gdzie jest.
Z góry dzięki.

Z góry dzięki.

- S.H.A.R.K
- Posty: 954
- Rejestracja: 2006-05-06 16:43
- Samochód: PROBE GT-ZE AURORA
- Galeria: viewtopic.php?t=12737
- Lokalizacja: Lubelskie (Krasnystaw)
Re: Miganie kontrolki poduszki powietrznej...?
Ta biała wtyczka to wiązka od sterowania tempomatem.... jeśli masz wersję europejską auta to jest Ci nie potrzebna.
FORD PROBE GT-ZE / AURORA FLARE BLUE PEARL
- Spider33
- Posty: 1247
- Rejestracja: 2008-01-05 12:23
- Samochód: Probe x ∞
- Galeria: viewtopic.php?t=20740
- Lokalizacja: Skarżysko-Kamienna
Re: Miganie kontrolki poduszki powietrznej...?
Dzięki wielkie. A tyle się naszukałem gdzie to podłączyć 
Re: Miganie kontrolki poduszki powietrznej...?
hmm,to dziś kosztuje naprawdę grosze,w sensie taśma,która odpowiada za twoje bezpieczeństwo..
może nie warto,aż tak rzeźbić tej taśmy..
a drucik ,czyli czarny przewód do klaksonu przykręcany jest w przełączniku zespolonym.
pzdr.

- Spider33
- Posty: 1247
- Rejestracja: 2008-01-05 12:23
- Samochód: Probe x ∞
- Galeria: viewtopic.php?t=20740
- Lokalizacja: Skarżysko-Kamienna
Re: Miganie kontrolki poduszki powietrznej...?
Chodzi właśnie o to że są różne końcówki tej taśmy. Trochę czasu mi zeszło z naprawą. Nie wiedziałem że to aż tyle roboty. I cierpliwość trzeba mieć
Ale w końcu mogę się cieszyć, że już mi nic nie miga. Miejmy nadzieje że jak najdłużej 
Re: Miganie kontrolki poduszki powietrznej...?
Hmm różne końcówki - jakoś nigdy na to nie zwróciłem uwagi,żeby były różne.
Ale może coś przeoczyłem.
Możesz dokładniej opisać na czym polegało to lutowanie - samej końcówki czy gdzieś taśmy?
Pzdr.
Ale może coś przeoczyłem.
Możesz dokładniej opisać na czym polegało to lutowanie - samej końcówki czy gdzieś taśmy?
Pzdr.

- Spider33
- Posty: 1247
- Rejestracja: 2008-01-05 12:23
- Samochód: Probe x ∞
- Galeria: viewtopic.php?t=20740
- Lokalizacja: Skarżysko-Kamienna
Re: Miganie kontrolki poduszki powietrznej...?
Końcówka którą miałem zamontować miała inna szerokość i kolory kabli miały inna kolejność podłączenia do taśmy. Jeśli chcesz to mogę zamieścić zdjęcie. Lutowałem tylko i wyłącznie końcówkę taśmy do poszczególnych kabli oraz całość, do tego czarnego czegoś (chodzi o to pudełeczko w którym jest taśma). Miałem to kleić ale stopiony plastik nawet ładnie trzymał. Czyli 6 kawałeczków do 6 odpowiadających im kabli.
- Robert
- Posty: 12613
- Rejestracja: 2004-10-21 19:12
- Samochód: Probe GT2.0'89; ForTwo 0.6turbo; HRV 1.6
- Galeria: viewtopic.php?t=6900
- Lokalizacja: Leszno (maz)
- Kontakt:
Re: Miganie kontrolki poduszki powietrznej...?
Jeśli masz, to oczywiście - zostanie dla przyszłych czytających.Spider33 pisze:Jeśli chcesz to mogę zamieścić zdjęcie.
Poświęć niecałe 2 minuty na naukę korzystania z forum:
Lekcja 1 (bardzo krótka) i
Lekcja 2 (krótka)

'89 2.0 Turbo downgrade

'89 2.0 Turbo downgradeRe: Miganie kontrolki poduszki powietrznej...?
Zamieść,zamieść,bo jestem ciekawy w czym sedno i ostatnio kiedyś miałem taśmy z różnych roczników (93 i 96) i były takie same,jak dobrze pamiętam,więc trochę mnie zastanawia ta rozbieżność 
