Dziwna wtyczka
- vitek
- Klubowicz
- Posty: 1749
- Rejestracja: 2007-11-22 17:26
- Galeria: viewtopic.php?t=13010
- Lokalizacja: Skarżysko
Re: Dziwna wtyczka
Tu sobie poszukaj
Strefa Zrzutu
był Ford Probe 2.0 16V - '96 Grey Green Metallic
jest Mondeo MK3 2.0 16V 145 KM ATX
jest Mondeo MK3 2.0 16V 145 KM ATX
- Fryc3k
- Posty: 51
- Rejestracja: 2009-05-31 22:19
- Samochód: Ford Probe 2.5 V6 24v 1995r.
- Galeria: viewtopic.php?t=16528
- Lokalizacja: Sochaczew
wtyczka
Witam. Zastanawia mnie pewna wtyczka bądź czujnik od czegoś której nie mam podłączonej :/ czy mógłby mi ktoś powiedzieć od czego to jest i czy to jest ważne? Poniżej dodaje zdjęcie. Chodzi o tą wtyczkę po środku.

Pozdrawiam Fryc3k

Pozdrawiam Fryc3k
Re: wtyczka
Zrób coś z tymi cieknącymi uszczelkami tak przy okazji
To proste ,jak widze masz Probe 95,a silnik masz z 93/94 - dlaczego tak (bo ktoś zmienił na inny) i jaka była róznica między czujnikami w poszczególnych rocznikach modelowych;znajdziesz na forum .
Więc jeśli masz tam wkręcony czujnik z 95 to ok i ten drugi jest zbędny w tym wypadku (roczniku).
Pzdr. & c ya..
To proste ,jak widze masz Probe 95,a silnik masz z 93/94 - dlaczego tak (bo ktoś zmienił na inny) i jaka była róznica między czujnikami w poszczególnych rocznikach modelowych;znajdziesz na forum .
Więc jeśli masz tam wkręcony czujnik z 95 to ok i ten drugi jest zbędny w tym wypadku (roczniku).
Pzdr. & c ya..

- komarosss
- Posty: 20
- Rejestracja: 2010-01-21 18:57
- Samochód: Ford Probe II 2,5 V6 24v
- Galeria: viewtopic.php?t=17143
- Lokalizacja: Warszawa
Co to za wtyczka??
-- oryginalny post 2010-06-20 17:56 --
Odpiecie tej kostki (zaznaczona na zdjęciu) znacznie poprawilo moj problem z szarpaniem na wolnych obrotach, lecz nie wiem od czego jest ta kostka??
Prosze o pomoc...
Pozdrawiam
-- dodano 2010-06-20 17:57 --
w sumie, moglem to napisac w watku o "szarpaniu na wolnych obrotach" ale tak z rozpedu dalem nowy watek....sorry
Odpiecie tej kostki (zaznaczona na zdjęciu) znacznie poprawilo moj problem z szarpaniem na wolnych obrotach, lecz nie wiem od czego jest ta kostka??
Prosze o pomoc...
Pozdrawiam
-- dodano 2010-06-20 17:57 --
w sumie, moglem to napisac w watku o "szarpaniu na wolnych obrotach" ale tak z rozpedu dalem nowy watek....sorry
jest: Alfa Romeo 156 1.8 T.Spark
bylo: ostatnio FORD PROBE II 2.5 V6 24v + LPG
wcześniej wiele różnych
bylo: ostatnio FORD PROBE II 2.5 V6 24v + LPG
wcześniej wiele różnych
Re: Co to za wtyczka??
CZUJNIK POŁOŻENIA PRZEPUSTNICY
Mogłeś napisać w wątku o szarpaniu, w wątku o nieznanych wtyczkach, a przede wszystkim jak byś dobrze poszukał to byś sam znalazł odpowiedź.
ps. odłączenie nie rozwiązuje problemu
Mogłeś napisać w wątku o szarpaniu, w wątku o nieznanych wtyczkach, a przede wszystkim jak byś dobrze poszukał to byś sam znalazł odpowiedź.
ps. odłączenie nie rozwiązuje problemu
Czarny FORD PROBE II GEN. 93r 2.5 V6 24v


- komarosss
- Posty: 20
- Rejestracja: 2010-01-21 18:57
- Samochód: Ford Probe II 2,5 V6 24v
- Galeria: viewtopic.php?t=17143
- Lokalizacja: Warszawa
Re: Dziwna wtyczka
Tyyy no dziwnym trafem jak odlacze ta kostke to nie szarpie.....cud??
jest: Alfa Romeo 156 1.8 T.Spark
bylo: ostatnio FORD PROBE II 2.5 V6 24v + LPG
wcześniej wiele różnych
bylo: ostatnio FORD PROBE II 2.5 V6 24v + LPG
wcześniej wiele różnych
Re: Dziwna wtyczka
A wiesz co to takiego tryb serwisowy/awaryjny ? Poszukaj,poczytaj i być może więcej takich prozaicznych pytań nie będziesz musiał zadawać 
Bo kolega Cypol ci dobrze podpowiada,więc doceń to zamiast klepać bezsensowne posty.
Pzdr. & c ya..
Bo kolega Cypol ci dobrze podpowiada,więc doceń to zamiast klepać bezsensowne posty.
Pzdr. & c ya..

- Basf_Wrocław
- Posty: 956
- Rejestracja: 2004-08-26 11:44
- Samochód: R4 94
- Galeria: viewtopic.php?t=5626
- Lokalizacja: Wrocław
- Robert
- Posty: 12613
- Rejestracja: 2004-10-21 19:12
- Samochód: Probe GT2.0'89; ForTwo 0.6turbo; HRV 1.6
- Galeria: viewtopic.php?t=6900
- Lokalizacja: Leszno (maz)
- Kontakt:
Re: Dziwna wtyczka
Na wyłączonym silniku odłącz klemę - w 100% przypadków szarpanie ustaje 
Poświęć niecałe 2 minuty na naukę korzystania z forum:
Lekcja 1 (bardzo krótka) i
Lekcja 2 (krótka)

'89 2.0 Turbo downgrade

'89 2.0 Turbo downgradeRe: Dziwna wtyczka
Robert pisze:Na wyłączonym silniku w 100% przypadków szarpanie ustaje
Czarny FORD PROBE II GEN. 93r 2.5 V6 24v


- evilbanan
- Posty: 9
- Rejestracja: 2009-05-11 18:12
- Samochód: Ford Probe 2.5 V6 93r. USA
- Lokalizacja: ok. Małego Trójmiasta
Re: Dziwna wtyczka
Panowie mam pytanie odnośnie wtyczek widocznych na zdjęciu. Od czego one są
Dodam że to Probe 2.5 JuEsEj 
Zapomniałem o zdjęciu

Zapomniałem o zdjęciu

Ostatnio zmieniony 2010-08-15 19:19 przez evilbanan, łącznie zmieniany 1 raz.
- Sam
- Posty: 471
- Rejestracja: 2004-05-27 22:04
- Samochód: Probe 96r, 2.0 16V
- Galeria: viewtopic.php?t=17752
- Lokalizacja: Sosnowiec
Re: Dziwna wtyczka
nie widzę zdjęcia ??
Dziś Probe 2.0 16V 96r
Kiedyś Probe 2.2 GL 90r
Niech gra muzyka i gaz do dechy
Komu w drogę temu pedał w podłogę :]
Kiedyś Probe 2.2 GL 90r
Niech gra muzyka i gaz do dechy
Komu w drogę temu pedał w podłogę :]
- evilbanan
- Posty: 9
- Rejestracja: 2009-05-11 18:12
- Samochód: Ford Probe 2.5 V6 93r. USA
- Lokalizacja: ok. Małego Trójmiasta
Re: Dziwna wtyczka
To od czego to są wtyczki Panowie ?
- Sam
- Posty: 471
- Rejestracja: 2004-05-27 22:04
- Samochód: Probe 96r, 2.0 16V
- Galeria: viewtopic.php?t=17752
- Lokalizacja: Sosnowiec
Re: Dziwna wtyczka
nie bardzo mogę się umiejscowić na podstawie zdjęcia -w którym miejscu samochodu masz te wtyki to znacznie zawęzi listę możliwości. Ewentualnie możesz sam poszukaćhttp://ford-probe.net/index.php?option= ... &Itemid=42 tam są rozmieszczenia wszystkich elementów elektrycznych
więc po umiejscowieniu można dojść do tego co to jest. Jednak podaj miejsce tych złącz myślę że ktoś będzie wiedział do czego one są.
Jeśli miałbym strzelać to albo są to wtyki do przełączników pod radiem albo od sensora imo (przynajmniej te dwa małe) taka 4 pinowa złączka jest pod radiem do zasilania zapalniczki. Ale mogę sobie tak strzelać
Jeśli miałbym strzelać to albo są to wtyki do przełączników pod radiem albo od sensora imo (przynajmniej te dwa małe) taka 4 pinowa złączka jest pod radiem do zasilania zapalniczki. Ale mogę sobie tak strzelać
Dziś Probe 2.0 16V 96r
Kiedyś Probe 2.2 GL 90r
Niech gra muzyka i gaz do dechy
Komu w drogę temu pedał w podłogę :]
Kiedyś Probe 2.2 GL 90r
Niech gra muzyka i gaz do dechy
Komu w drogę temu pedał w podłogę :]
- evilbanan
- Posty: 9
- Rejestracja: 2009-05-11 18:12
- Samochód: Ford Probe 2.5 V6 93r. USA
- Lokalizacja: ok. Małego Trójmiasta
Re: Dziwna wtyczka
wtyczki te znajdują się pod radiem, wszystkie przełączniki są podłączone, a zapalniczka to nie jest bo też jest podłączona i działa 
- Sam
- Posty: 471
- Rejestracja: 2004-05-27 22:04
- Samochód: Probe 96r, 2.0 16V
- Galeria: viewtopic.php?t=17752
- Lokalizacja: Sosnowiec
Re: Dziwna wtyczka
hym no więc jeśli chodzi o te mniejsze to nie jestem pewny - ale z tego co wiem w jakiś wersjach były przełączniki które pozwalały na otwarcie lamp bez ich świecenia. To było o ile się nie mylę wersje usa albo kanada bo tam nie montowano przeciwmgielnego i było jedno miejsce na przełącznik więcej. Może ktoś u ciebie jak sprowadził dorobił przeciwmgielne wymienił guzik a to po prostu zostawił luzem. Jeśli chodzi o tą 4 pinową to u mnie na bank do takiej wpina się pod radiem kabel do zapalniczki i podświetlenia zapalniczki. Czy na pewno jest podłączona oryginalnym przewodem ??
Dziś Probe 2.0 16V 96r
Kiedyś Probe 2.2 GL 90r
Niech gra muzyka i gaz do dechy
Komu w drogę temu pedał w podłogę :]
Kiedyś Probe 2.2 GL 90r
Niech gra muzyka i gaz do dechy
Komu w drogę temu pedał w podłogę :]
- Robert
- Posty: 12613
- Rejestracja: 2004-10-21 19:12
- Samochód: Probe GT2.0'89; ForTwo 0.6turbo; HRV 1.6
- Galeria: viewtopic.php?t=6900
- Lokalizacja: Leszno (maz)
- Kontakt:
Re: Dziwna wtyczka
Cofasz się na początek tego wątku, na rzucie kabiny sprawdzasz, które to mogą być wtyczki, a potem eliminujesz / potwierdzasz na drugiej stronie. Sprawdź, czy kolory kabli pasują do C231 i C287.
Poświęć niecałe 2 minuty na naukę korzystania z forum:
Lekcja 1 (bardzo krótka) i
Lekcja 2 (krótka)

'89 2.0 Turbo downgrade

'89 2.0 Turbo downgrade- helcio
- Posty: 86
- Rejestracja: 2010-11-02 20:50
- Samochód: Ford Probe 1997, v6 2.5
- Galeria: viewtopic.php?t=18448
- Lokalizacja: Białystok
czy te kable powinny być podłączone?
Witam. zauważyłem, że w moim probku są dwa nie podłączone kable które są blisko siebie i pasują jak ulał gdy je złączam , i nie wiem czy w ogóle powinny być razem złączone dla tego nie odpalałem samochodu po złączeniu tych kabli i nadal jeżdżę na rozłączonych, wiec mam takie pytanie , czy te kable powinny być ze sobą złączone? ,są one blisko "fuse box" zamieszczam zdjęcie. jest to silnik 2.5 V6, rok 1997, z góry dziękuję.
- Robert
- Posty: 12613
- Rejestracja: 2004-10-21 19:12
- Samochód: Probe GT2.0'89; ForTwo 0.6turbo; HRV 1.6
- Galeria: viewtopic.php?t=6900
- Lokalizacja: Leszno (maz)
- Kontakt:
Re: Dziwna wtyczka
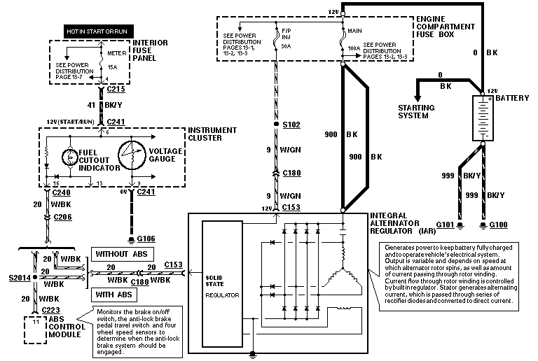
Jeśli po spięciu ich razem zaczyna wskazywać woltomierz (przy przekręconym kluczyku), a opisywana wcześniej "dioda od alarmu" to kontrolka odcięcia paliwa (pierwsza na lewo od prawego wskaźnika kierunkowskazów), to jest to wtyczka C180 z regulatora napięcia na alternatorze i właśnie namierzyłeś swój problem wcześniejszy problem.
Poświęć niecałe 2 minuty na naukę korzystania z forum:
Lekcja 1 (bardzo krótka) i
Lekcja 2 (krótka)

'89 2.0 Turbo downgrade

'89 2.0 Turbo downgrade- helcio
- Posty: 86
- Rejestracja: 2010-11-02 20:50
- Samochód: Ford Probe 1997, v6 2.5
- Galeria: viewtopic.php?t=18448
- Lokalizacja: Białystok
Re: Dziwna wtyczka
Robert, czyli mam je podpiąć razem? bo od kupna samochodu one są tak rozłączone.
- Robert
- Posty: 12613
- Rejestracja: 2004-10-21 19:12
- Samochód: Probe GT2.0'89; ForTwo 0.6turbo; HRV 1.6
- Galeria: viewtopic.php?t=6900
- Lokalizacja: Leszno (maz)
- Kontakt:
Re: Dziwna wtyczka
-- oryginalny post 2010.12.12 14:06 --
Tak mi się wydaje, ale ja nie mam d.generacji, by spojrzeć pod maskę i sprawdzić.
Na schematach, które wrzuciłem na 1 stronie tego wątku, w miejscu, które pokazujesz, jest właśnie C180. Niestety serwisówka nie podaje kształtu tej akurat wtyczki (wszystko, co jest, zamieściłem na stronie 2), więc nie mogę być na 100% pewien.
Z rozpiętym przewodem wskazówka woltomierza będzie leżeć na L, po wpięciu i przekręceniu kluczyka powinna podnieść się do połowy skali. Przy okazji ożywisz ABS (jeśli masz).
Możesz też poczekać na kogoś, kto się zna, macał w realu i potwierdzi lub zaprzeczy.
-- dodano 2010.12.12 14:13 --
Tak mi się wydaje, ale ja nie mam d.generacji, by spojrzeć pod maskę i sprawdzić.
Na schematach, które wrzuciłem na 1 stronie tego wątku, w miejscu, które pokazujesz, jest właśnie C180. Niestety serwisówka nie podaje kształtu tej akurat wtyczki (wszystko, co jest, zamieściłem na stronie 2), więc nie mogę być na 100% pewien.
Z rozpiętym przewodem wskazówka woltomierza będzie leżeć na L, po wpięciu i przekręceniu kluczyka powinna podnieść się do połowy skali. Przy okazji ożywisz ABS (jeśli masz).
Możesz też poczekać na kogoś, kto się zna, macał w realu i potwierdzi lub zaprzeczy.
-- dodano 2010.12.12 14:13 --
Poświęć niecałe 2 minuty na naukę korzystania z forum:
Lekcja 1 (bardzo krótka) i
Lekcja 2 (krótka)

'89 2.0 Turbo downgrade

'89 2.0 Turbo downgrade- helcio
- Posty: 86
- Rejestracja: 2010-11-02 20:50
- Samochód: Ford Probe 1997, v6 2.5
- Galeria: viewtopic.php?t=18448
- Lokalizacja: Białystok
Re: Dziwna wtyczka
tak , ABS mam , 2 poduszki powietrzne,klimatyzacja itp.,czyli wszytko oprócz skóry i podłokietnika
Re: Dziwna wtyczka
Robert dobrze mówi - Spiąć - taka wtyczka,ogólnie wersja inastalacji elektr.,bodajże dopiero od rocznika 96 euro stosowana (a może 95),a na pewno była spięta .
Pzdr.
Pzdr.

- helcio
- Posty: 86
- Rejestracja: 2010-11-02 20:50
- Samochód: Ford Probe 1997, v6 2.5
- Galeria: viewtopic.php?t=18448
- Lokalizacja: Białystok
Re: Dziwna wtyczka
niedawno złączyłem te kable ze sobą i na to co wygląda to powinno tak być, chociaż różnicy żadnej nie widzę gdy odpalam Probaska , może jeżdżąc będzie jakaś różnica, ale na razie nie mam zamiaru wyjeżdżać z oblodzonego podwórka 
- Robert
- Posty: 12613
- Rejestracja: 2004-10-21 19:12
- Samochód: Probe GT2.0'89; ForTwo 0.6turbo; HRV 1.6
- Galeria: viewtopic.php?t=6900
- Lokalizacja: Leszno (maz)
- Kontakt:
Re: Dziwna wtyczka
Wtyczki kompa 2.0 automat '93:(te na poprzedniej stronie okazały się z rocznika 1994).
Poświęć niecałe 2 minuty na naukę korzystania z forum:
Lekcja 1 (bardzo krótka) i
Lekcja 2 (krótka)

'89 2.0 Turbo downgrade

'89 2.0 Turbo downgrade