A co do samego samochodu to...jak go nie kochac??!!
Ile może kosztować założenie poduszki?
Ile może kosztować założenie poduszki?
Kupiłem w sumie przedwczoraj Probe USA 97 i auto mialo wystrzelone poduszki. Jako ze przeczytalem, ze cale to 'pipczenie' jest od tego ze nie ma poduszek (dzieki za ten post na forum, bo nie mialem pojecia) chcialbym sie dowiedziec ile mnie moze kosztowac zalozenie ich? bo pipczenie troche rzeczywiscie denerwuje 
A co do samego samochodu to...jak go nie kochac??!!
A co do samego samochodu to...jak go nie kochac??!!
- propaganda
- Posty: 282
- Rejestracja: 2003-08-01 13:20
- Samochód: brak
- Lokalizacja: Stara Miłosna
- Kontakt:
- propaganda
- Posty: 282
- Rejestracja: 2003-08-01 13:20
- Samochód: brak
- Lokalizacja: Stara Miłosna
- Kontakt:
Pewnie to pipczenie mozna jakos brutalnie odlaczyc,poszukaj moze na forum kiedys cos takiego bylo poruszane. A niestety poduchy to droga impreza.W Probie są 1 lub 2, a jakbyś miał z 6...
, no ale bezpieczeństwo kosztuje.
Ja nie mam poduchy,a wersja jest "z" i nic mi nie pipczy, no poza czujnikiem od pasów i świateł, a kontrolka od poduchy się nie zapala.
Ja nie mam poduchy,a wersja jest "z" i nic mi nie pipczy, no poza czujnikiem od pasów i świateł, a kontrolka od poduchy się nie zapala.
Andrzej
Black Metalic Probe2 24V
Black Metalic Probe2 24V
airbag srs
poduchy mozna kupic po 300zl sztuka, zmiana ich nie jest wiekszym problemem i zrobisz to sam. nastepna rzecz to musisz wyciagnac sterownik airbaga (pod kierownica w metalowej puszce) i z niego trzeba wykasowac dane ktore sie zapisyaly w miejsce zer w sterowniku poduszki (50-100zl, zaleznie od marki sterownika). Bez tego nawet po zmianie poduszek bedzie pipczalo a poduchy i tak nie zadzialaja. Wyzerowac zapisy w sterowniku mozesz u dobrego elektronika jak cos to moge polecic swojego. Jak probek jest wyposazony w pirotechniczny napinacz pasow to po zderzeniu tez jest on wystrzelony a elektronika jest polaczona z elektronika airbaga. Wtedy taki napinacz trzeba wymienic. Koszt uzywanego w granicach 150-200zl jesli takowy w probe istnieje. A wiec nie jest tak zle z tymi cenami prawda?
/Roofio Probe II 1995 USA
- Qki G
- Klubowicz
- Posty: 2916
- Rejestracja: 2004-08-20 09:04
- Galeria: viewtopic.php?t=5511
- Lokalizacja: Warszawa
-
Gość
A jak potem sprawdzić czy cała operacja powidła się, trzeba wystrzelić i zobaczyć czy działaRoofio pisze:poduchy mozna kupic po 300zl sztuka, zmiana ich nie jest wiekszym problemem i zrobisz to sam. nastepna rzecz to musisz wyciagnac sterownik airbaga (pod kierownica w metalowej puszce) i z niego trzeba wykasowac dane ktore sie zapisyaly w miejsce zer w sterowniku poduszki (50-100zl, zaleznie od marki sterownika). Bez tego nawet po zmianie poduszek bedzie pipczalo a poduchy i tak nie zadzialaja. Wyzerowac zapisy w sterowniku mozesz u dobrego elektronika jak cos to moge polecic swojego. Jak probek jest wyposazony w pirotechniczny napinacz pasow to po zderzeniu tez jest on wystrzelony a elektronika jest polaczona z elektronika airbaga. Wtedy taki napinacz trzeba wymienic. Koszt uzywanego w granicach 150-200zl jesli takowy w probe istnieje. A wiec nie jest tak zle z tymi cenami prawda?
- Qki G
- Klubowicz
- Posty: 2916
- Rejestracja: 2004-08-20 09:04
- Galeria: viewtopic.php?t=5511
- Lokalizacja: Warszawa
Pipczenie to oznaka że nie działa Ci kontrolka od air-bag'u. To taka kontrolka kontrolek, żebyś wiedział że coś jest nie tak. Jak założysz żaróweczkę na miejsce gdzie pewnie handlarz ją wyjął żeby łatwiej auto sprzedać to przestanie pipczeć ale zacznie mrygać.
Żeby przestało mrygać w obwód poduchy wepnij rezystor 1200ohm. Wpięcie rezystora nie zlikwiduje pipczenia tylko mryganie. Pipczenie to oznaka uszkodzonej kontrolki.
Żeby przestało mrygać w obwód poduchy wepnij rezystor 1200ohm. Wpięcie rezystora nie zlikwiduje pipczenia tylko mryganie. Pipczenie to oznaka uszkodzonej kontrolki.
Mówię bo wiem, a nie wiem bo mówię.....
GG: nie używam
(mój numer tel jest na tym forum - chcesz pogadać - poszukaj)
GG: nie używam
(mój numer tel jest na tym forum - chcesz pogadać - poszukaj)
cd..
jesli poduchy kupisz sprawne a sterownik airbaga wyzerujesz (czyli bedzie jak nowy bez zapisu zadnego zdarzenia - typu crash) to zadziala. z pipczeniem zgadzam sie z MiH'em. jesli nie zalezy Ci na poduchach i masz na czym spac (czyt. mlode piersi) to wsadz te rezystorki (w mondeo 3000 Ohm-jesli 1200 Ohm dziala w Probku to ok - nie testowalem). W Poznaniu na gieldzie widzialem zaslepki po 50zl - w miejsce AirBaga kierowcy.
/Roofio Probe II 1995 USA
Mam pytanko wyświetla mi się kod poduszki pasażera 32 (nie ma jej) kupiłem sprawna na allegro co jeszcze sprawdzić przed podłączeniem??
Czy da sie sprawdzić sensory zderzeniowe?? Bo po dzwonku powinno ich nie być albo powinny być zniszczone! Poduszka kierowcy tez jest odłączona ale nie wywala kodu!!
Czy da sie sprawdzić sensory zderzeniowe?? Bo po dzwonku powinno ich nie być albo powinny być zniszczone! Poduszka kierowcy tez jest odłączona ale nie wywala kodu!!
Sprzedam Probe 2,5 v6 94r
tak jak kiedys tam pisalem,,, po crashu masz zapis tego zdarzenia w sterowniku airbaga i nawet jak masz nowe poduchy a tam jest zapisany crash to bedzie pokazywalo blad. Co do sensorow zderzeniowych to z przodu jest schowany pod zderzakiem. z tylu jest po lewej stronie kolo zbiorniczka od spryskiwania wylnej szyby. Sa dwie pozycje albo wcisniety (zablokowany) albo w normalnej pozycji. Nawet jak w zyciu go nie widziales to rozpoznasz czy jest uszkodzony czy nie.
/Roofio Probe II 1995 USA
- strober
- Posty: 1338
- Rejestracja: 2003-01-30 13:09
- Samochód: none
- Galeria: viewtopic.php?t=7957
- Lokalizacja: Kraków
- Roswell
- Posty: 441
- Rejestracja: 2006-09-01 11:12
- Galeria: viewtopic.php?t=9688
- Lokalizacja: Ustroń
-
Probiacz2000
- Posty: 256
- Rejestracja: 2006-02-07 22:22
Mylicie sie! pipczenie jest spowodowane brakiem zarowki od airbaga w zegarach! sam u siebie chcialem wyjac ta zaroweczke i po jej wyjeciu caly czas mi cos pikalo wiec wlozylem ja spowrotem i nic nie pika!!! ;]
A co do poduszek to widzialem poduszke kierowcy za 80zl, a pasazera razem z deska rozdzielcza za150zl... ale byly to chyba niezle okazje...
A co do poduszek to widzialem poduszke kierowcy za 80zl, a pasazera razem z deska rozdzielcza za150zl... ale byly to chyba niezle okazje...
Re: Ile może kosztować założenie poduszki?
Mam pytanie apropo kontrolki . Kupiłem poduszkę . Wsadziłem w kierownicę . Tylko sie bałem podłaczyc. Mruga mi kontrolka od poduszki i czy jak ją podłaczę to nie dostane w "Gębę"
. I drugie pytanie . Czy kontrolka przestanie mrygać ??
- Maciucha
- Posty: 1564
- Rejestracja: 2004-08-26 22:11
- Samochód: I GT
- Galeria: viewtopic.php?t=7836
- Lokalizacja: Gorzów Wielkopolski
- Kontakt:
Re: Ile może kosztować założenie poduszki?
Jeśli poduszka była wystrzelona w wyniku wypadku, musisz również wymienić sensor poduszek.
Re: Ile może kosztować założenie poduszki?
Co ważne w przypadku wypinania i rozpinania poduszek:
Sprawny czujnik powinien mieć rezystancje - 1180 ohms (±12 ohms)
Pzdr. & c ya..
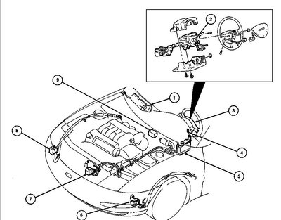
Co do czujników zderzeniowych rozmieszczone sa jak na załączonym rysunku - nr 6,7,8.2Ya pisze: robisz tak:
- odłączasz aku*
-czekasz sobie z 2-5 minutek*
-w miedzyczasie wduś pedał hamulca na 20-30sek.*
-odkręcasz poduszkę/airbag,4 śrubki na klucz 10
-wyjmujesz poduszkę i ją rozpinasz z przewodów
*to robisz po to aby odciąć napięcie sterownikowi airbagów oraz rozładowaniu jego kondensatorów co uchroni cię przed błedami w sterowniku.
Sprawny czujnik powinien mieć rezystancje - 1180 ohms (±12 ohms)
Pzdr. & c ya..

-
kowal-szeryf
- Posty: 47
- Rejestracja: 2008-03-21 19:15
- Samochód: Blue SE`95 2,0 ; Legacy Turbo 92
- Lokalizacja: Gdynia
Re: Ile może kosztować założenie poduszki?
A wiecie jak dokładnie sie "resetuje" komputer od poduszek - trzeba wyciągać , czy gdzies sie podłaczają w jaka kostke OBD-czy jakiegos takiego typu? Ile taki zabieg kosztuje , no i moze ma ktos kontakt z pomorza do "fachowców" od tych spraw.
Pozdr
Pozdr
Pozdr
Kowal-szeryf
Kowal-szeryf
- _KrISS_
- Posty: 107
- Rejestracja: 2006-08-14 11:08
- Samochód: Peugeot 607
- Galeria: viewtopic.php?t=10599
- Lokalizacja: Bray (ie), Szczecin (pl)
Re: Ile może kosztować założenie poduszki?
Kompa od poduszek się nie resetuje bo nie ma on pamięci usterek, w danej chwili kontrolka pokazuje usterkę pierwszą z listy kodów.
Jeśli usuniesz tą usterkę i kontrolka przestanie migać to OK, jeśli nie to pokaże kolejną usterkę.
Jeśli miałeś zwarcie w instalacji poduszek powietrznych to na koniec naprawdopodobniej wywali ci kod 51 czyli uszkodzony bezpiecznik w kompie od poduszek.
W takim wypadku możesz albo wymienić całego kompa albo rozebrać go i wymienić w nim bezpiecznik termiczny (niezalecane przez producenta).
Jeśli usuniesz tą usterkę i kontrolka przestanie migać to OK, jeśli nie to pokaże kolejną usterkę.
Jeśli miałeś zwarcie w instalacji poduszek powietrznych to na koniec naprawdopodobniej wywali ci kod 51 czyli uszkodzony bezpiecznik w kompie od poduszek.
W takim wypadku możesz albo wymienić całego kompa albo rozebrać go i wymienić w nim bezpiecznik termiczny (niezalecane przez producenta).
Jest Czarny Peugeot 407 Coupe 2.2 16v '07
Był Szary Peugeot 607 2.2 16v '01
Był Niebieski Ford Probe SE '95
Był Biały Ford Probe GT '90
Był Zielony Citroen BX 19 TZI '91
Był Szary Peugeot 607 2.2 16v '01
Był Niebieski Ford Probe SE '95
Był Biały Ford Probe GT '90
Był Zielony Citroen BX 19 TZI '91
- pawelc
- Posty: 115
- Rejestracja: 2006-04-26 15:30
- Samochód: mazda mx-6 ,2,5v6,92r x2
- Lokalizacja: Drawno zachodniopomorskie
- Kontakt:
Re: Ile może kosztować założenie poduszki?
Błędy się usuną same ,ale jak komp jest już po "użyciu"(czyli były wystrzelone poduszki) to pozostanie tzw .crash ,który już się nie wykasuję sam nawet po podłączeniu sprawnych czujników i poduszek -dlatego najlepiej wymienić go na taki nie użyty jeszcze -aha mam taki komplecik cały jakby co (dwie poduszki ,wszystkie czujniki,komputer -sterownik) -mogę sprzedać na poszczególne komponenty
Re: Ile może kosztować założenie poduszki?
Kompa od poduszki można jak najbardziej zresetowac - pytac u ludzi / elektroników co w tym siedzą,średnio 100zł taka usługa i oczywiście bez ingerencji w "bebechy" sterownika ale nalezy zadac sobie pytanie czy jest to opłacalne i ma sens ,skoro +/- w tej kwocie można kupic sterownik z bezwypadkową przeszłością .
Pozdro.
Pozdro.






automat USA '90