Obroty 5.5tys odciecie na kompie pokazuje 7.2
- tom87dg
- Klubowicz
- Posty: 574
- Rejestracja: 2009-12-25 12:37
- Samochód: probe 1993 2.5 v6
- Galeria: viewtopic.php?t=16963
- Lokalizacja: DG
Obroty 5.5tys odciecie na kompie pokazuje 7.2
witam, tak jak w temacie, na obrotach mam 5.5 tys i odcina mi zaplon a na kompie jak rownoczesnie byl podpiety pokazuje 7.2 tys
sprawa jest o tyle dziwna ze na jalowym pokazuje ok 0.7 tys a na wyzszych oszukuje, zamist 2 tys pokazuje 1.5 i nim wyzsze obroty to bardziej oszukuje, co to moze byc? bledy sprawdzalem tylko egr sie swieci nic po za tym, auto jezdzi ok nie ma problemu z moca, moze przeplywka pada? jestem nowy ale nie znalazlem podobnego watku na forum, pozdrawiam i czekam na jakies propozycje moze ktos tak mial
sprawa jest o tyle dziwna ze na jalowym pokazuje ok 0.7 tys a na wyzszych oszukuje, zamist 2 tys pokazuje 1.5 i nim wyzsze obroty to bardziej oszukuje, co to moze byc? bledy sprawdzalem tylko egr sie swieci nic po za tym, auto jezdzi ok nie ma problemu z moca, moze przeplywka pada? jestem nowy ale nie znalazlem podobnego watku na forum, pozdrawiam i czekam na jakies propozycje moze ktos tak mial
http://hydrografikadg.pl.tl --------> zapraszam osoby chcace zmienic wyglad w swoim woziku
- Kocureq
- Klubowicz
- Posty: 10630
- Rejestracja: 2006-03-21 21:35
- Samochód: Patrol Y60 1991, Audi A4 2023
- Galeria: viewtopic.php?t=10333
- Lokalizacja: Warszawa
Re: Obroty 5.5tys odciecie na kompie pokazuje 7.2
Jak miałeś wpiętego kompa?
- Robert
- Posty: 12613
- Rejestracja: 2004-10-21 19:12
- Samochód: Probe GT2.0'89; ForTwo 0.6turbo; HRV 1.6
- Galeria: viewtopic.php?t=6900
- Lokalizacja: Leszno (maz)
- Kontakt:
Re: Obroty 5.5tys odciecie na kompie pokazuje 7.2
Pewnie przez kabelek do strojenia gazu 
Poświęć niecałe 2 minuty na naukę korzystania z forum:
Lekcja 1 (bardzo krótka) i
Lekcja 2 (krótka)

'89 2.0 Turbo downgrade

'89 2.0 Turbo downgradeRe: Obroty 5.5tys odciecie na kompie pokazuje 7.2
a wedlug obrotomierza przy ilu powinno odciąć zapłon?? nie zdażylo mi sie nigdy dojsc do czerwonego chodźbym pękł... a czerwone o ile sie nie myle to 7 tys obrotow
pocieszczie i powiedzcie ze tez tak macie. (oczywiscie na benzynie mi chodzi)
- Kocureq
- Klubowicz
- Posty: 10630
- Rejestracja: 2006-03-21 21:35
- Samochód: Patrol Y60 1991, Audi A4 2023
- Galeria: viewtopic.php?t=10333
- Lokalizacja: Warszawa
Re: Obroty 5.5tys odciecie na kompie pokazuje 7.2
Odcięcie ma być przy 8 tysiącach
- tom87dg
- Klubowicz
- Posty: 574
- Rejestracja: 2009-12-25 12:37
- Samochód: probe 1993 2.5 v6
- Galeria: viewtopic.php?t=16963
- Lokalizacja: DG
Re: Obroty 5.5tys odciecie na kompie pokazuje 7.2
tak byl wpiety przez gazownika komp, i pokazuje inne obroty niz na liczniku, 5,5 odcina zaplon a na kompie wykazuje wiecej tak samo jest na nizszych obrotach oszukuje nim wyzej tym bardziej i te 5.5 odcina zaplon, czy przeplywomierz moze dawac takie objawy?
http://hydrografikadg.pl.tl --------> zapraszam osoby chcace zmienic wyglad w swoim woziku
Re: Obroty 5.5tys odciecie na kompie pokazuje 7.2
8 tyś??
nie realne zebym tyle wykrecil?? mozliwe ze przez vris odcina wczesniej?? albo sondy lambda??
- Kocureq
- Klubowicz
- Posty: 10630
- Rejestracja: 2006-03-21 21:35
- Samochód: Patrol Y60 1991, Audi A4 2023
- Galeria: viewtopic.php?t=10333
- Lokalizacja: Warszawa
Re: Obroty 5.5tys odciecie na kompie pokazuje 7.2
Odcina zapłon - na to nie mają wpływu sondy, VRIsy czy inne rzeczy związane z paliwem i powietrzem 
Re: Obroty 5.5tys odciecie na kompie pokazuje 7.2
to moze jakas podpowiedz co ma?? 6.5 to max mozliwosci... a padniete mam sondy obie i egr zapchany najprawdopodobniej...
A mozliwe wogle żeby obrotomierz i predkosciomierz sam w sobie oszukiwal?? bo zasze tak mam ze gdy jade przez pierwsze 10-15 min to przy 90km/h mam 2 tys obrotów. Natomiast po tym czasie 90 to juz lekko ponad 2.5 tyś?? jakiś pomysł??
A mozliwe wogle żeby obrotomierz i predkosciomierz sam w sobie oszukiwal?? bo zasze tak mam ze gdy jade przez pierwsze 10-15 min to przy 90km/h mam 2 tys obrotów. Natomiast po tym czasie 90 to juz lekko ponad 2.5 tyś?? jakiś pomysł??
- Kocureq
- Klubowicz
- Posty: 10630
- Rejestracja: 2006-03-21 21:35
- Samochód: Patrol Y60 1991, Audi A4 2023
- Galeria: viewtopic.php?t=10333
- Lokalizacja: Warszawa
Re: Obroty 5.5tys odciecie na kompie pokazuje 7.2
Jest możliwe, że przy złym składzie mieszanki silnik nie daje rady się wkręcić wyżej. Nie odcina Ci zapłonu tylko silnik się po prostu nie wkręca. Na luzie też nie wkręci się wyżej?wazir pisze:to moze jakas podpowiedz co ma?? 6.5 to max mozliwosci... a padniete mam sondy obie i egr zapchany najprawdopodobniej...
Co do reszty - niestety nie wiem.
Re: Obroty 5.5tys odciecie na kompie pokazuje 7.2
silnik zachowuje sie ewidentnie jak na odciecie zaplonu nie to ze sie dlawi. troche mnie to zaciekawilo popatrze co moze byc przyczyną i dam znac jak cos znajde 
-
MI3000GT
- Posty: 27
- Rejestracja: 2009-11-19 20:21
- Samochód: Mitsubishi 3000GT 3.0 v6 bi turbo 97r
- Lokalizacja: Warszawa
Re: Obroty 5.5tys odciecie na kompie pokazuje 7.2
witam.zna ktos odpowiedz na pytanie kolegi co zalozyl post?mam tak samo jak on i tak mysle moze ma wplyw ckp1 lubckp2 bo z nich plynie sygnal o predkosci obrotowej do ecu? jak mam racje?nie wiem.
- tom87dg
- Klubowicz
- Posty: 574
- Rejestracja: 2009-12-25 12:37
- Samochód: probe 1993 2.5 v6
- Galeria: viewtopic.php?t=16963
- Lokalizacja: DG
Re: Obroty 5.5tys odciecie na kompie pokazuje 7.2
jak ktos moze niech doradzi co to moze byc, dodam ze auto jezdzi normalnie nie ma problemow z moca.
http://hydrografikadg.pl.tl --------> zapraszam osoby chcace zmienic wyglad w swoim woziku
-
MI3000GT
- Posty: 27
- Rejestracja: 2009-11-19 20:21
- Samochód: Mitsubishi 3000GT 3.0 v6 bi turbo 97r
- Lokalizacja: Warszawa
Re: Obroty 5.5tys odciecie na kompie pokazuje 7.2
mysle ze tylko pomoze zmiana koputera z wersji europejskiej tam nie bylo odciecia ta na forum pisza ,ja juz pozyczylyem od kupla ktory ma wersje eropejska i zobacze co bedzie on na swoim nie ma odciecia ,kreci mu poza skale,takto opornie szukac pomocy
- Kocureq
- Klubowicz
- Posty: 10630
- Rejestracja: 2006-03-21 21:35
- Samochód: Patrol Y60 1991, Audi A4 2023
- Galeria: viewtopic.php?t=10333
- Lokalizacja: Warszawa
Re: Obroty 5.5tys odciecie na kompie pokazuje 7.2
Prawda, komputer USA ma odcięcie, ale przy danej prędkości, a nie obrotach.
- tom87dg
- Klubowicz
- Posty: 574
- Rejestracja: 2009-12-25 12:37
- Samochód: probe 1993 2.5 v6
- Galeria: viewtopic.php?t=16963
- Lokalizacja: DG
Re: Obroty 5.5tys odciecie na kompie pokazuje 7.2
ale nadal to nie daje nam zadnej odpowiedzi, czy przeplywomierz moze dawac takie objawy czy raczej aparat zaplonowy? z czego jest nadawany sygnal do obrotomierza?
http://hydrografikadg.pl.tl --------> zapraszam osoby chcace zmienic wyglad w swoim woziku
-
MI3000GT
- Posty: 27
- Rejestracja: 2009-11-19 20:21
- Samochód: Mitsubishi 3000GT 3.0 v6 bi turbo 97r
- Lokalizacja: Warszawa
Re: Obroty 5.5tys odciecie na kompie pokazuje 7.2
wyczytalem na probe .net ,ze czujniki ckp1(tzw halotrony)(ten w aparacie zaplonowym) i ckp2(ten przy kole pasowym) zawiadamiaja o polozeniu walu korbowego a też o predkosci obrotowej ale nie jestem pewien ktory jes brany przez ecu pod uwage do predkosci obrotowej,dwa czujniki byly w modelach do 93r, bo pózniej juz ckp1 nie montowali ( tego w aparacie),to kto ma juz tylko jeden, mianowicie 94r probka to jak ma taki przypadek sprawa rozwiazana.
pomierzylem opory i napiecia wedlug instrukcji probe.net i mam ok jeszcze aby opornosci przewodow od czujki do ecu,jak sprawdze dam znac
wlozylem kompa od kupla i faktycznie nie odcina mi zaplonu juz ale znalazlem ;i jak kolega pisal ,odcina go przy 190km/h ;taka informacje jeszcze znalazlem
posprawdzajczujniki wedlug tego co jest napisane na probe.net
pomierzylem opory i napiecia wedlug instrukcji probe.net i mam ok jeszcze aby opornosci przewodow od czujki do ecu,jak sprawdze dam znac
wlozylem kompa od kupla i faktycznie nie odcina mi zaplonu juz ale znalazlem ;i jak kolega pisal ,odcina go przy 190km/h ;taka informacje jeszcze znalazlem
posprawdzajczujniki wedlug tego co jest napisane na probe.net
- tom87dg
- Klubowicz
- Posty: 574
- Rejestracja: 2009-12-25 12:37
- Samochód: probe 1993 2.5 v6
- Galeria: viewtopic.php?t=16963
- Lokalizacja: DG
Re: Obroty 5.5tys odciecie na kompie pokazuje 7.2
dzieki za info, ale jak chodzi o odcinanie przy 190km/h to juz porazka hehe. chyba dam sobie spokoj z tymi obrotami bo i tak probe smiga poprawnie vrisy otwieraja sie przy 3.2 i pozniej przy 4.5 wiec raczej z opisow na forum jest ok.
http://hydrografikadg.pl.tl --------> zapraszam osoby chcace zmienic wyglad w swoim woziku
- sziaba
- Posty: 168
- Rejestracja: 2008-04-23 20:29
- Samochód: Skoda Octavia Scout
- Galeria: viewtopic.php?t=13751
- Lokalizacja: Szczecinek
Re: Obroty 5.5tys odciecie na kompie pokazuje 7.2
A sprawdzałeś rozrząd czy pasek nie przeskoczył
Kolega przerabiał taki problem w swoim probku autko spisywało się rewelacyjnie tylko te odcięcie przy 5tyś
Może i u ciebie jest ten sam problem
Może i u ciebie jest ten sam problem
Byl sobie Probe 2,5 V6 24v
Była sobie Mazda MX-5 NC
Jest Skoda Octavia Scout
Była sobie Mazda MX-5 NC
Jest Skoda Octavia Scout
- tom87dg
- Klubowicz
- Posty: 574
- Rejestracja: 2009-12-25 12:37
- Samochód: probe 1993 2.5 v6
- Galeria: viewtopic.php?t=16963
- Lokalizacja: DG
Re: Obroty 5.5tys odciecie na kompie pokazuje 7.2
nie sprawdzalem ale nawet gdyby przeskoczyl o 1 zabek to byloby to odczuwalne, chocby nawet przy odpalaniu czy przy jezdzie, musze podjechac na tygodniu na hamownie i sprawdzic jego umiejetnosci, gdy wyjda jakies smieszne rezultaty to oddam na sprawdzenie rozrzadu.
http://hydrografikadg.pl.tl --------> zapraszam osoby chcace zmienic wyglad w swoim woziku
- Robert
- Posty: 12613
- Rejestracja: 2004-10-21 19:12
- Samochód: Probe GT2.0'89; ForTwo 0.6turbo; HRV 1.6
- Galeria: viewtopic.php?t=6900
- Lokalizacja: Leszno (maz)
- Kontakt:
Re: Obroty 5.5tys odciecie na kompie pokazuje 7.2
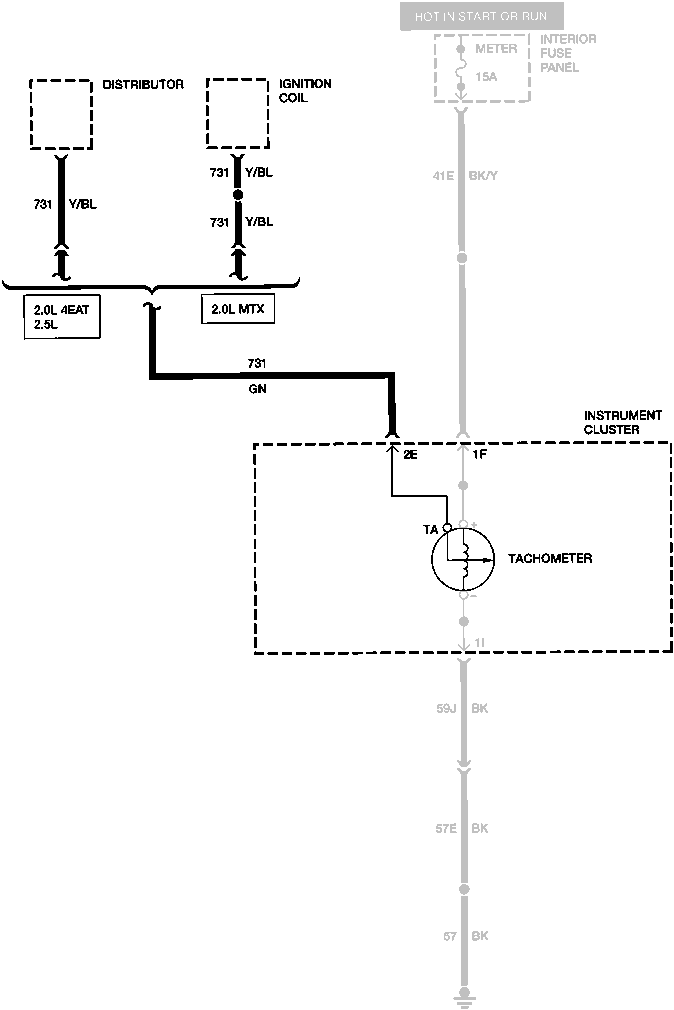
Sygnał brany jest z cewki - zewnętrznej w 2.0 w manualu, wewnętrznej (w rozdzielaczu) w automacie i 2.5norbus222 pisze:wyczytalem na probe .net ,ze czujniki ckp1(tzw halotrony)(ten w aparacie zaplonowym) i ckp2(ten przy kole pasowym) zawiadamiaja o polozeniu walu korbowego a też o predkosci obrotowej ale nie jestem pewien ktory jes brany przez ecu pod uwage do predkosci obrotowej
Jeśli nie ma kłopotów z zapłonem, to wydaje się, że przyczyną problemu może być ekranowanie sygnału (przewód 731).
Poświęć niecałe 2 minuty na naukę korzystania z forum:
Lekcja 1 (bardzo krótka) i
Lekcja 2 (krótka)

'89 2.0 Turbo downgrade

'89 2.0 Turbo downgrade-
MI3000GT
- Posty: 27
- Rejestracja: 2009-11-19 20:21
- Samochód: Mitsubishi 3000GT 3.0 v6 bi turbo 97r
- Lokalizacja: Warszawa
Re: Obroty 5.5tys odciecie na kompie pokazuje 7.2
napisałem to co wyczytalem na fordprobe. net , jak sprawdzic to ekranowanie? powinno miec mase?
Re: Obroty 5.5tys odciecie na kompie pokazuje 7.2
Witam,
Mam ten sam problem i sądzę, że ma to ścisły związek z temperaturą. Już piszę dlaczego: temat pojawił się u mnie dopiero tej zimy, podczas tych mega mrozów.
Mam Probka kilka lat i nigdy wczesniej nie miałem takich przypadków z oszukiwaniem obrotów jak teraz, kiedy temperatura zeszła poniżej -20 st., nigdy wcześniej nie było też takich mrozów, no i to pierwszy sezon, kiedy moje auto nie jest już garażowane. Kolejny dowód na to, że ma to związek z temperaturą to fakt, że po dłuzszej jeździe, kiedy silnik i wszystko w aucie jest już dobrze rozgrzane, pokazywane obroty zaczynają wracać do normy. Wiem co piszę, bo znam dobrze swój egzemplarz, jeżdżę głownie na ucho i zdaję sobie sprawę, jakie skrzynia ma przełożenia i jakie obroty na jakich biegach, przy jakich predkościach. Ciekawe jest to, że właściwe wskazania są tylko na "jałowym", czyli te faktyczne 550-650, jak powinno być. Jak ruszę zimnym autem prosto po odpaleniu to przy 100km/h na 5 biegu, obrotomierz mi pokazuje 2200, i wiem, że to jest gówno prawda. Po około 20min jazdy mam już 2500 przy tej prędkości, po dalszych 15 min jazdy już około 2700 (nadal trochę za mało).
Nie jestem mechanikiem, nie znam się na komputerach sterujących, kablach, elektryce etc, może ktoś po prostu napisze, gdzie można z tym podjechać, żeby to naprawić, jak miał podobny problem.
Z góry dzięki za uwagę, POZDR dla Wszystkich.
Mam ten sam problem i sądzę, że ma to ścisły związek z temperaturą. Już piszę dlaczego: temat pojawił się u mnie dopiero tej zimy, podczas tych mega mrozów.
Mam Probka kilka lat i nigdy wczesniej nie miałem takich przypadków z oszukiwaniem obrotów jak teraz, kiedy temperatura zeszła poniżej -20 st., nigdy wcześniej nie było też takich mrozów, no i to pierwszy sezon, kiedy moje auto nie jest już garażowane. Kolejny dowód na to, że ma to związek z temperaturą to fakt, że po dłuzszej jeździe, kiedy silnik i wszystko w aucie jest już dobrze rozgrzane, pokazywane obroty zaczynają wracać do normy. Wiem co piszę, bo znam dobrze swój egzemplarz, jeżdżę głownie na ucho i zdaję sobie sprawę, jakie skrzynia ma przełożenia i jakie obroty na jakich biegach, przy jakich predkościach. Ciekawe jest to, że właściwe wskazania są tylko na "jałowym", czyli te faktyczne 550-650, jak powinno być. Jak ruszę zimnym autem prosto po odpaleniu to przy 100km/h na 5 biegu, obrotomierz mi pokazuje 2200, i wiem, że to jest gówno prawda. Po około 20min jazdy mam już 2500 przy tej prędkości, po dalszych 15 min jazdy już około 2700 (nadal trochę za mało).
Nie jestem mechanikiem, nie znam się na komputerach sterujących, kablach, elektryce etc, może ktoś po prostu napisze, gdzie można z tym podjechać, żeby to naprawić, jak miał podobny problem.
Z góry dzięki za uwagę, POZDR dla Wszystkich.
24V...........d^_^b
- Sam
- Posty: 471
- Rejestracja: 2004-05-27 22:04
- Samochód: Probe 96r, 2.0 16V
- Galeria: viewtopic.php?t=17752
- Lokalizacja: Sosnowiec
Re: Obroty 5.5tys odciecie na kompie pokazuje 7.2
Jako elektronik mogę powiedzieć tak - obrotomierz to nawinięty miedziany drut na jakiś rdzeń - czyli inaczej jakaś cewka ;P miedziany drut ma swoja rezystancję - ta z kolei jest zależna w jakimś stopniu od temperatury tak więc temperatura może wpływać na wskazanie. Zmniejszając temperaturę rezystancja się zmniejsza co za tym idzie popłynie większy prąd i indukuję się większy strumień magnetyczny który mocniej odchyli wskazówkę. Jednak ktoś mądry na to wpadł i o ile się nie mylę to te cewki nawija się tak aby te różnice się kompensowały. Czy ten sposób nawijania przynosi efekty - odpowiedz brzmi powinien. powody oczywiście mogą być inne ;p
Ostatnio zmieniony 2010-03-15 09:45 przez Sam, łącznie zmieniany 1 raz.
Dziś Probe 2.0 16V 96r
Kiedyś Probe 2.2 GL 90r
Niech gra muzyka i gaz do dechy
Komu w drogę temu pedał w podłogę :]
Kiedyś Probe 2.2 GL 90r
Niech gra muzyka i gaz do dechy
Komu w drogę temu pedał w podłogę :]
- tom87dg
- Klubowicz
- Posty: 574
- Rejestracja: 2009-12-25 12:37
- Samochód: probe 1993 2.5 v6
- Galeria: viewtopic.php?t=16963
- Lokalizacja: DG
Re: Obroty 5.5tys odciecie na kompie pokazuje 7.2
w moim przypadku zawsze odcinal przy 7 tys, po remoncie silnika pokazuje 5.5 i odcina zalon a na kompie jest 7,2 dodam ze auto smiga jak nalezy i moc ma, tylko obroty klamia, na biegu jalowym jest ok 0,5 tys chodzi rowno i ladnie a od 2 tys zaczyna juz przeklamywac nim wyzsze obroty tym bardziej klamie, auto zrobilo po remoncie juz 40 tys
http://hydrografikadg.pl.tl --------> zapraszam osoby chcace zmienic wyglad w swoim woziku