Witam wszystkich jestem tu nowy i jeszcze do końca sie nie odnalazłem
ale mam nadzieje ze mi pomożecie w rozwiązaniu problemu
a mianowicie:
nie działa mi tylna wycieraczka i spryskiwacz w Probku - na początku działało a teraz nie działa,sprawdzałem bezpieczniki i są wszystkie dobre być może któryś z przekaźników?
ale nie wiem który i gdzie go szukać
Nie działająca tylna wycieraczka
Re: Nie działająca tylna wycieraczka
A w tym panelu, gdzie są włączniki do tylnej wycieraczki, reszta przycisków Ci działa? ich podświetlenie też?
Re: Nie działająca tylna wycieraczka
no to teraz luknij czy napiecie dochodzi
life's 2 short 4 seals ~~~~~~ ‹=====|=======|-----]
only ziligon
only ziligon
- avel
- Posty: 466
- Rejestracja: 2009-04-26 17:16
- Samochód: Probe II 2.0 1994
- Galeria: viewtopic.php?t=20438
- Lokalizacja: Unisław, kujawsko-pomorskie
Re: Nie działająca tylna wycieraczka
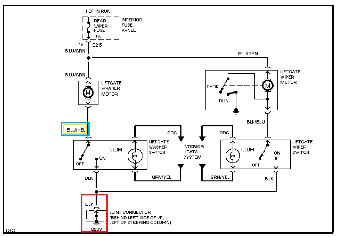
Masz tu schemacik.
Rozłączna przez przełączniki jest masa, skoro zdechły dwa naraz to ja odstawiam brak masy w punkcie który zaznaczyłem na czerwono. Żeby to sprawdzić wyjmij np. przełącznik spryskiwacza i zrób zwarcie niebieskio-żółtego kabla do masy.
Pozdro, Avel.
Rozłączna przez przełączniki jest masa, skoro zdechły dwa naraz to ja odstawiam brak masy w punkcie który zaznaczyłem na czerwono. Żeby to sprawdzić wyjmij np. przełącznik spryskiwacza i zrób zwarcie niebieskio-żółtego kabla do masy.
Pozdro, Avel.
Stare i zardzewiałe! Probe II 2.0 1994, było 
Audi A3 2.0TDI 170km quattro 2007, jest
Audi A3 2.0TDI 170km quattro 2007, jest
Re: Nie działająca tylna wycieraczka
Dziękuję za wszystkie podpowiedzi i schemacik sprawdzę i napiszę czy sie udało pozdrawiam
- Robert
- Posty: 12613
- Rejestracja: 2004-10-21 19:12
- Samochód: Probe GT2.0'89; ForTwo 0.6turbo; HRV 1.6
- Galeria: viewtopic.php?t=6900
- Lokalizacja: Leszno (maz)
- Kontakt:
Re: Nie działająca tylna wycieraczka
Opróczdzidek pisze:sprawdzałem bezpieczniki i są wszystkie dobre
Poświęć niecałe 2 minuty na naukę korzystania z forum:
Lekcja 1 (bardzo krótka) i
Lekcja 2 (krótka)

'89 2.0 Turbo downgrade

'89 2.0 Turbo downgrade