Dziwna wtyczka
- wujeksex
- Posty: 1395
- Rejestracja: 2008-09-08 21:09
- Samochód: Probe II 93 2.0 BASE MTX USA
- Galeria: viewtopic.php?t=14440
- Lokalizacja: Żarowo, Stargard Szczeciński
Re: Dziwna wtyczka
Był Probe II 93 2.0 BASE LPG ATX USA
Probe II 93 2.0 BASE MTX USA
Odważni nie żyją wiecznie - Ostrożni nie żyją wcale...
Na rozstaju dróg..... redukcja i but
Kobieta - istota stabilna emocjonalnie, niczym powierzchnia szklanki wody, trzymanej przez osobę z chorobą Parkinsona, któremu palą się spodnie podczas tańczenia Lambady
Lepiej być znanym pijakiem niż anonimowym alkoholikiem
Probe II 93 2.0 BASE MTX USA
Odważni nie żyją wiecznie - Ostrożni nie żyją wcale...
Na rozstaju dróg..... redukcja i but
Kobieta - istota stabilna emocjonalnie, niczym powierzchnia szklanki wody, trzymanej przez osobę z chorobą Parkinsona, któremu palą się spodnie podczas tańczenia Lambady
Lepiej być znanym pijakiem niż anonimowym alkoholikiem
- bogdano
- Posty: 474
- Rejestracja: 2010-07-01 13:02
- Samochód: Probe 2.0 16V 1994 wersja Hamerykańska i V6 granat EURO 96'
- Galeria: viewtopic.php?t=19509
- Lokalizacja: Jaworzno
Re: Dziwna wtyczka
Na jakiejś stronie z sprzedawanymi częściami do mazdy znalazłem ten komp, że go sprzedaje pawelc
Ale nie wiem czy to ten sam pawelc co u nas na forum. 
Lepsze dwa Probki w garażu niż Porsche w kalendarzu 
Re: Dziwna wtyczka
Opis FS 05 jeśli dobrze pamiętam powinien być w serwisówce czy manualu do mazdy GE, przynajmniej tak kojarze.
Na pewno go nie ma w serwisówce do Probe, bo tam tylko sa wersje na usa. Jeszcze jest opcja, że będzie w nowszych serwsówkach do Probe czyli 95-97.
Dawno już tego nie ogarniałem, więc istnieje ryzyko, że może się mylę
Na pewno go nie ma w serwisówce do Probe, bo tam tylko sa wersje na usa. Jeszcze jest opcja, że będzie w nowszych serwsówkach do Probe czyli 95-97.
Dawno już tego nie ogarniałem, więc istnieje ryzyko, że może się mylę

- avel
- Posty: 466
- Rejestracja: 2009-04-26 17:16
- Samochód: Probe II 2.0 1994
- Galeria: viewtopic.php?t=20438
- Lokalizacja: Unisław, kujawsko-pomorskie
Re: Dziwna wtyczka
FS05 nie ma w serwisówkach 95-97. Z tego o zdążyłem zauważyć to wygląda to tak:
(tylko o 2.0L)
1993:
Ford - pojedyncza długa wtyczka dla M/T i potrójne złącze dla A/T
Mazda – podwójna wtyczka dla M/T i potrójne dla A/T (identycznie jak w Fordzie)
1994, 1995:
Ford – jeden rozdaj wtyczki zunifikowany dla A/T i M/T wygląda jak ta z 1993 M/T
Mazda– długa wtyczka jak w Fordzie ale A/T i podwójna dla M/T
1996, 1997:
Ford: zmiana wtyczki na pojedynczą 107 pin dla A/T I M/T
Mazda: pojedyncza wtyczka 70 pin dla A/T oraz poczwórna dla M/T
Pisząc Mazda mam na myśli też europejskie Probe.
To co widać na zdjęciach to komp z roku 1993-95 typowo Mazdy ale mógł być tez w europejskim Probe. Od roku 1996 według wszystkich schematów były już zupełnie inne wtyki. Dla dociekliwych jak to jest podłączone odsyłam do strony: http://www.mazdaspeed.pl/forum/viewtopi ... 4&t=109361
W sekcji mx-6 można podejrzeć co i jak.
W załączniku widać jak taki dwu wtyczkowy komp jest podłączony z osprzętem (to Mazda 1993) zgadza się z Probe jak na moje oko.
(tylko o 2.0L)
1993:
Ford - pojedyncza długa wtyczka dla M/T i potrójne złącze dla A/T
Mazda – podwójna wtyczka dla M/T i potrójne dla A/T (identycznie jak w Fordzie)
1994, 1995:
Ford – jeden rozdaj wtyczki zunifikowany dla A/T i M/T wygląda jak ta z 1993 M/T
Mazda– długa wtyczka jak w Fordzie ale A/T i podwójna dla M/T
1996, 1997:
Ford: zmiana wtyczki na pojedynczą 107 pin dla A/T I M/T
Mazda: pojedyncza wtyczka 70 pin dla A/T oraz poczwórna dla M/T
Pisząc Mazda mam na myśli też europejskie Probe.
To co widać na zdjęciach to komp z roku 1993-95 typowo Mazdy ale mógł być tez w europejskim Probe. Od roku 1996 według wszystkich schematów były już zupełnie inne wtyki. Dla dociekliwych jak to jest podłączone odsyłam do strony: http://www.mazdaspeed.pl/forum/viewtopi ... 4&t=109361
W sekcji mx-6 można podejrzeć co i jak.
W załączniku widać jak taki dwu wtyczkowy komp jest podłączony z osprzętem (to Mazda 1993) zgadza się z Probe jak na moje oko.
Stare i zardzewiałe! Probe II 2.0 1994, było 
Audi A3 2.0TDI 170km quattro 2007, jest
Audi A3 2.0TDI 170km quattro 2007, jest
- bogdano
- Posty: 474
- Rejestracja: 2010-07-01 13:02
- Samochód: Probe 2.0 16V 1994 wersja Hamerykańska i V6 granat EURO 96'
- Galeria: viewtopic.php?t=19509
- Lokalizacja: Jaworzno
Re: Dziwna wtyczka
Nie orientujecie się, bo nie mogę znaleźć na tym schemacie gdzie powinien na tę wtyczkę od kompa wchodzić minus z cewki przekaźnika od załączania pierwszego biegu wentylatora chłodnicy? I jakim kolorem kabla to tam wchodzi?
Z tego co widzę, to powinno BLU/ORG tylko gdzie mam patrzeć? na 626 z 94 czy mx6? bo w 626 ma lecieć na 1S 13 a w mx6 na 3G niby na schemacie.
Z tego co widzę, to powinno BLU/ORG tylko gdzie mam patrzeć? na 626 z 94 czy mx6? bo w 626 ma lecieć na 1S 13 a w mx6 na 3G niby na schemacie.
- Załączniki
-
- Wtyczka.jpg (59.47 KiB) Przejrzano 11232 razy
Lepsze dwa Probki w garażu niż Porsche w kalendarzu 
- pawelc
- Posty: 115
- Rejestracja: 2006-04-26 15:30
- Samochód: mazda mx-6 ,2,5v6,92r x2
- Lokalizacja: Drawno zachodniopomorskie
- Kontakt:
Re: Dziwna wtyczka
ten sam w rzeczy samejbogdano pisze:Na jakiejś stronie z sprzedawanymi częściami do mazdy znalazłem ten komp, że go sprzedaje pawelcAle nie wiem czy to ten sam pawelc co u nas na forum.
- bogdano
- Posty: 474
- Rejestracja: 2010-07-01 13:02
- Samochód: Probe 2.0 16V 1994 wersja Hamerykańska i V6 granat EURO 96'
- Galeria: viewtopic.php?t=19509
- Lokalizacja: Jaworzno
Re: Dziwna wtyczka
A masz opis tych wtyczek do sprzedawanego przez Ciebie kompa? 
Lepsze dwa Probki w garażu niż Porsche w kalendarzu 
- pawelc
- Posty: 115
- Rejestracja: 2006-04-26 15:30
- Samochód: mazda mx-6 ,2,5v6,92r x2
- Lokalizacja: Drawno zachodniopomorskie
- Kontakt:
Re: Dziwna wtyczka
gdzieś mam manual od mx-6 ,muszę poszukać
- mak500
- Posty: 78
- Rejestracja: 2005-02-21 19:29
- Samochód: probe2 94 2.2gt
- Galeria: viewtopic.php?t=21548
- Lokalizacja: Wolin
Re: Dziwna wtyczka
Witam czy ktoś ma pojęcie o co chodzi w tych wtyczkach interesuje mnie opis podłączenia,w 2.5 v6 w szczególności podłączenie obrotomierza czujnika ładowania
- Destroyer
- Posty: 1260
- Rejestracja: 2007-06-13 09:37
- Samochód: II gen 2.5 V6
- Galeria: viewtopic.php?t=13662
- Lokalizacja: Radom
Re: Dziwna wtyczka
A co ty masz tam z tymi kablami? 
Był PROBE GT 2.2 Turbo '89 Full Opcja z Qresko Red Inside

Jest PROBE 2.5 V6 '94. Dostał nowe serduszko dzięki 2Ya
Jest SCENIC II ph I 2003 Lux Privilege pierońskie 1.6 115 KM
Jest PROBE 2.5 V6 '94. Dostał nowe serduszko dzięki 2Ya
Jest SCENIC II ph I 2003 Lux Privilege pierońskie 1.6 115 KM
- bogdano
- Posty: 474
- Rejestracja: 2010-07-01 13:02
- Samochód: Probe 2.0 16V 1994 wersja Hamerykańska i V6 granat EURO 96'
- Galeria: viewtopic.php?t=19509
- Lokalizacja: Jaworzno
Re: Dziwna wtyczka
Haha jakiś elektryk artysta tam mieszał. Normalnie to w wiązce te przewody lecą.
Co do wtyczek to przecież jest pełno opisów tylko trzeba numer wtyczki znać.
Co do wtyczek to przecież jest pełno opisów tylko trzeba numer wtyczki znać.
Lepsze dwa Probki w garażu niż Porsche w kalendarzu 
- Robert
- Posty: 12613
- Rejestracja: 2004-10-21 19:12
- Samochód: Probe GT2.0'89; ForTwo 0.6turbo; HRV 1.6
- Galeria: viewtopic.php?t=6900
- Lokalizacja: Leszno (maz)
- Kontakt:
Re: Dziwna wtyczka
Normalnie w d.generacji rzadko spotyka się silnik 2.2 turbo (jak u maka500), więc nie ma problemu z trafieniem wtyczką w gniazdo i opisem pinów.bogdano pisze:Normalnie to w wiązce te przewody lecą.
Poświęć niecałe 2 minuty na naukę korzystania z forum:
Lekcja 1 (bardzo krótka) i
Lekcja 2 (krótka)

'89 2.0 Turbo downgrade

'89 2.0 Turbo downgrade- bogdano
- Posty: 474
- Rejestracja: 2010-07-01 13:02
- Samochód: Probe 2.0 16V 1994 wersja Hamerykańska i V6 granat EURO 96'
- Galeria: viewtopic.php?t=19509
- Lokalizacja: Jaworzno
Re: Dziwna wtyczka
No ja jeszcze nie widziałem 2.2 w d generacji. A da się w ogóle tam wsadzić taki silnik? czy jaja sobie ktoś robi?
Lepsze dwa Probki w garażu niż Porsche w kalendarzu 
- Robert
- Posty: 12613
- Rejestracja: 2004-10-21 19:12
- Samochód: Probe GT2.0'89; ForTwo 0.6turbo; HRV 1.6
- Galeria: viewtopic.php?t=6900
- Lokalizacja: Leszno (maz)
- Kontakt:
Re: Dziwna wtyczka
Poświęć niecałe 2 minuty na naukę korzystania z forum:
Lekcja 1 (bardzo krótka) i
Lekcja 2 (krótka)

'89 2.0 Turbo downgrade

'89 2.0 Turbo downgrade- bogdano
- Posty: 474
- Rejestracja: 2010-07-01 13:02
- Samochód: Probe 2.0 16V 1994 wersja Hamerykańska i V6 granat EURO 96'
- Galeria: viewtopic.php?t=19509
- Lokalizacja: Jaworzno
Re: Dziwna wtyczka
Najlepszy z tego wszystkiego jest silnik na taczkach 
Lepsze dwa Probki w garażu niż Porsche w kalendarzu 
- mak500
- Posty: 78
- Rejestracja: 2005-02-21 19:29
- Samochód: probe2 94 2.2gt
- Galeria: viewtopic.php?t=21548
- Lokalizacja: Wolin
Re: Dziwna wtyczka
to może ktoś kuma jaki to nr tej wtyczki gdyż potrzebny mi opis. zanim zacznę kopać po przewodach, jak na tą chwilę brakuje mi podłączenia obrotomierza i wskaźnika ładowania (ładowanie jest ok) probe z roku 94 2.5 było seryjnie jest 2.2 gt więc próbuję je zgrać ze. 
Re: Dziwna wtyczka
life's 2 short 4 seals ~~~~~~ ‹=====|=======|-----]
only ziligon
only ziligon
- bogdano
- Posty: 474
- Rejestracja: 2010-07-01 13:02
- Samochód: Probe 2.0 16V 1994 wersja Hamerykańska i V6 granat EURO 96'
- Galeria: viewtopic.php?t=19509
- Lokalizacja: Jaworzno
Re: Dziwna wtyczka
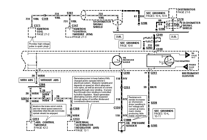
Moim zdaniem raczej musisz grzebać we wtyczkach C240 i C249.
Do ładowania nie idzie żaden sygnał z tego co na schemacie.
Pozdrawiam.
Do ładowania nie idzie żaden sygnał z tego co na schemacie.
Pozdrawiam.
Lepsze dwa Probki w garażu niż Porsche w kalendarzu 
- mak500
- Posty: 78
- Rejestracja: 2005-02-21 19:29
- Samochód: probe2 94 2.2gt
- Galeria: viewtopic.php?t=21548
- Lokalizacja: Wolin
Re: Dziwna wtyczka
-- oryginalny post 2012-11-08 23:53 --
Dzięki z góry jutro spróbuję trochę nad tym popracować .
Jak osiągnę jakieś pozytywne wyniki to dam znać
-- dodano 2012-12-30 17:30 --
już nie mam pojęcia o co chodzi więc może ktoś pomoże i tak
- po podłączeniu obrotomierza wskazówka dalej stoi w miejscu. Czy jest możliwe by impuls z silnika F2 2.2gt jest za słaby ?
a może zegar ma inne napięcia czy jak?????? podłączenie jest ok. Jak podłącze kompa do instalacji LPG to obroty mi na laptopie pokazuje. Czy przełożenie obrotomierza coś zmieni
kolejna sprawa to zegar temperatury wody za szybko rośnie i idzie za wysoko pomimo tego że jest ok od ok 40 stopni pokazuje maxa czujnik wziąłem od 2.5 V6 i jest tak samo. Nie wiem już gdzie szukać więc może ktoś ma większą wiedzę i jakiś pomysł
Jak osiągnę jakieś pozytywne wyniki to dam znać
-- dodano 2012-12-30 17:30 --
- po podłączeniu obrotomierza wskazówka dalej stoi w miejscu. Czy jest możliwe by impuls z silnika F2 2.2gt jest za słaby ?
a może zegar ma inne napięcia czy jak?????? podłączenie jest ok. Jak podłącze kompa do instalacji LPG to obroty mi na laptopie pokazuje. Czy przełożenie obrotomierza coś zmieni
kolejna sprawa to zegar temperatury wody za szybko rośnie i idzie za wysoko pomimo tego że jest ok od ok 40 stopni pokazuje maxa czujnik wziąłem od 2.5 V6 i jest tak samo. Nie wiem już gdzie szukać więc może ktoś ma większą wiedzę i jakiś pomysł
- avel
- Posty: 466
- Rejestracja: 2009-04-26 17:16
- Samochód: Probe II 2.0 1994
- Galeria: viewtopic.php?t=20438
- Lokalizacja: Unisław, kujawsko-pomorskie
Re: Dziwna wtyczka
Może sam obrotomierz jest zepsuty.
Możesz ten układ sprawdzić na dwa sposoby.
1. Bierzesz transformator dzwonkowy. Taki, który na wyjściu ma 12V i podłączasz go miedzy masę i wejście obrotomierza. w zegarach od V6 powinien się wychylić na 1500 rpm. (2.0 nie wiem, jeszcze nie sprawdzałem, ale jeżeli jest 1 impuls na obrut wału to powinien pokazać 3000rpm )
2. Multimetr na napięcie zmienne podłączasz w linie gdzie są impulsy obrotów i wciśnij gaz tak żeby silnik pracował mniej więcej na 3000rpm. Multimetr powinien pokazać około 12V. Tanie multimetry mierzą dobrze napięcie zmienne właśnie dla 50Hz więc przy innych obrotach będą głupoty pokazywane.
Możesz ten układ sprawdzić na dwa sposoby.
1. Bierzesz transformator dzwonkowy. Taki, który na wyjściu ma 12V i podłączasz go miedzy masę i wejście obrotomierza. w zegarach od V6 powinien się wychylić na 1500 rpm. (2.0 nie wiem, jeszcze nie sprawdzałem, ale jeżeli jest 1 impuls na obrut wału to powinien pokazać 3000rpm )
2. Multimetr na napięcie zmienne podłączasz w linie gdzie są impulsy obrotów i wciśnij gaz tak żeby silnik pracował mniej więcej na 3000rpm. Multimetr powinien pokazać około 12V. Tanie multimetry mierzą dobrze napięcie zmienne właśnie dla 50Hz więc przy innych obrotach będą głupoty pokazywane.
Stare i zardzewiałe! Probe II 2.0 1994, było 
Audi A3 2.0TDI 170km quattro 2007, jest
Audi A3 2.0TDI 170km quattro 2007, jest
- wujeksex
- Posty: 1395
- Rejestracja: 2008-09-08 21:09
- Samochód: Probe II 93 2.0 BASE MTX USA
- Galeria: viewtopic.php?t=14440
- Lokalizacja: Żarowo, Stargard Szczeciński
Re: Dziwna wtyczka
Nie wiem skąd wziąłeś te wartości.avel pisze:Bierzesz transformator dzwonkowy. Taki, który na wyjściu ma 12V i podłączasz go miedzy masę i wejście obrotomierza. w zegarach od V6 powinien się wychylić na 1500 rpm. (2.0 nie wiem, jeszcze nie sprawdzałem, ale jeżeli jest 1 impuls na obrut wału to powinien pokazać 3000rpm )
50Hz = 50 pulsów na sekundę = 3000 pulsów na minutę
Dla V6 6 pulsów na obrót silnika, czyli
Dla R4 4 pulsy na obrót silnika, czyli
Za trafem przydałoby się wstawić diodę prostowniczą, bo na obrotomierz idą jedynie napięcia dodatnie i może się dziwnie zachowywać lub uszkodzić dostając też ujemne.
Był Probe II 93 2.0 BASE LPG ATX USA
Probe II 93 2.0 BASE MTX USA
Odważni nie żyją wiecznie - Ostrożni nie żyją wcale...
Na rozstaju dróg..... redukcja i but
Kobieta - istota stabilna emocjonalnie, niczym powierzchnia szklanki wody, trzymanej przez osobę z chorobą Parkinsona, któremu palą się spodnie podczas tańczenia Lambady
Lepiej być znanym pijakiem niż anonimowym alkoholikiem
Probe II 93 2.0 BASE MTX USA
Odważni nie żyją wiecznie - Ostrożni nie żyją wcale...
Na rozstaju dróg..... redukcja i but
Kobieta - istota stabilna emocjonalnie, niczym powierzchnia szklanki wody, trzymanej przez osobę z chorobą Parkinsona, któremu palą się spodnie podczas tańczenia Lambady
Lepiej być znanym pijakiem niż anonimowym alkoholikiem
- avel
- Posty: 466
- Rejestracja: 2009-04-26 17:16
- Samochód: Probe II 2.0 1994
- Galeria: viewtopic.php?t=20438
- Lokalizacja: Unisław, kujawsko-pomorskie
Re: Dziwna wtyczka
nie trzeba diody, w układzie obrotomierza zaraz na wejściu jest dioda, potem dzielnik napięcia, mało tego układ jest tak głupoto-odporny że nawet na jego zasilaniu jest dioda prostownicza, tylko po to żeby go zabezpieczyć przed omyłkowym podłączeniem.
zrobiłem ostatnio reverse engineering całego tego ustrojstwa, to tzw. driver Sin/Cos. na jakimś nieznanym chipie Toshiby, za to bardzo często stosowanym w japońskich samochodach.
Obrowy nie są brane z czajnika położenie wału a z rozdzielacza, w obu przypadkach 2.5 i 2.0
To że pokazuje 1,5k rpm dla V6 to prawda, sprawdzone empirycznie.
zrobiłem ostatnio reverse engineering całego tego ustrojstwa, to tzw. driver Sin/Cos. na jakimś nieznanym chipie Toshiby, za to bardzo często stosowanym w japońskich samochodach.
Obrowy nie są brane z czajnika położenie wału a z rozdzielacza, w obu przypadkach 2.5 i 2.0
To że pokazuje 1,5k rpm dla V6 to prawda, sprawdzone empirycznie.
Stare i zardzewiałe! Probe II 2.0 1994, było 
Audi A3 2.0TDI 170km quattro 2007, jest
Audi A3 2.0TDI 170km quattro 2007, jest
- wujeksex
- Posty: 1395
- Rejestracja: 2008-09-08 21:09
- Samochód: Probe II 93 2.0 BASE MTX USA
- Galeria: viewtopic.php?t=14440
- Lokalizacja: Żarowo, Stargard Szczeciński
Re: Dziwna wtyczka
Rozdzielacza czegoavel pisze:Obrowy nie są brane z czajnika położenie wału a z rozdzielacza, w obu przypadkach 2.5 i 2.0
Wszystkie schematy pokazują, że sygnał na obrotomierz idzie z cewki zapłonowej (oczywiście z uzwojenia pierwotnego
Był Probe II 93 2.0 BASE LPG ATX USA
Probe II 93 2.0 BASE MTX USA
Odważni nie żyją wiecznie - Ostrożni nie żyją wcale...
Na rozstaju dróg..... redukcja i but
Kobieta - istota stabilna emocjonalnie, niczym powierzchnia szklanki wody, trzymanej przez osobę z chorobą Parkinsona, któremu palą się spodnie podczas tańczenia Lambady
Lepiej być znanym pijakiem niż anonimowym alkoholikiem
Probe II 93 2.0 BASE MTX USA
Odważni nie żyją wiecznie - Ostrożni nie żyją wcale...
Na rozstaju dróg..... redukcja i but
Kobieta - istota stabilna emocjonalnie, niczym powierzchnia szklanki wody, trzymanej przez osobę z chorobą Parkinsona, któremu palą się spodnie podczas tańczenia Lambady
Lepiej być znanym pijakiem niż anonimowym alkoholikiem
- avel
- Posty: 466
- Rejestracja: 2009-04-26 17:16
- Samochód: Probe II 2.0 1994
- Galeria: viewtopic.php?t=20438
- Lokalizacja: Unisław, kujawsko-pomorskie
Re: Dziwna wtyczka
Rozdzielacz zapłonowy, w domyśle aparat. to chyba jasne.
Nie rozbierałem aparatu zapłonowego, nie wiem jak to jest skonstruowane, ale jak dla mnie, nie jest to bezpośrednio podłączone z uzwojeniem, w każdym razie wiem co widziałem. dla V6 przy 50Hz jest 1500 rpm.
Nie rozbierałem aparatu zapłonowego, nie wiem jak to jest skonstruowane, ale jak dla mnie, nie jest to bezpośrednio podłączone z uzwojeniem, w każdym razie wiem co widziałem. dla V6 przy 50Hz jest 1500 rpm.
Stare i zardzewiałe! Probe II 2.0 1994, było 
Audi A3 2.0TDI 170km quattro 2007, jest
Audi A3 2.0TDI 170km quattro 2007, jest
- Robert
- Posty: 12613
- Rejestracja: 2004-10-21 19:12
- Samochód: Probe GT2.0'89; ForTwo 0.6turbo; HRV 1.6
- Galeria: viewtopic.php?t=6900
- Lokalizacja: Leszno (maz)
- Kontakt:
Re: Dziwna wtyczka
Może tanie multimetry "lubią" pokazywać 50Hz, jako najłatwiej dostępną (w gniazdku), bo rzeczywiście schematy zdają się potwierdzać wyliczenia WujkaSexa.avel pisze:Tanie multimetry mierzą dobrze napięcie zmienne właśnie dla 50Hz więc przy innych obrotach będą głupoty pokazywane.
Poświęć niecałe 2 minuty na naukę korzystania z forum:
Lekcja 1 (bardzo krótka) i
Lekcja 2 (krótka)

'89 2.0 Turbo downgrade

'89 2.0 Turbo downgrade

