zegary
-
maruder_22
- Posty: 46
- Rejestracja: 2007-01-23 13:54
- Samochód: brak
- Lokalizacja: Michałów
zegary
witam mam mały problem z rozpoznaniem wersji mojego auta na liczniku dużymi literami są kilometry a małymi mile probe 2.5 kat T22 chciałem wymienić tarcze i wskazówki popękały muszę kupić cały licznik , ale czy np jak mam 1993 będzie pasował licznik np z 1995 proszę o pomoc 
Auto sportowe nie jest autem wyścigowym.
- TYKWA
- Posty: 1296
- Rejestracja: 2005-04-03 18:31
- Samochód: brak
- Galeria: viewtopic.php?t=6180
- Lokalizacja: polska
-
maruder_22
- Posty: 46
- Rejestracja: 2007-01-23 13:54
- Samochód: brak
- Lokalizacja: Michałów
- Kędziorek
- Posty: 3381
- Rejestracja: 2004-11-24 22:32
- Galeria: viewtopic.php?t=8098
- Lokalizacja: Poznań
- Kontakt:
NIEPRAWDA
kupilem licznik od 2.0 usa 95 bo sam mam 2.0 95 usa i sa rozne wersje (z tylu na liczniku jest napisana wersja REV.), trzeba sprawdzic i uwazac z tym tematem. werske base nie mialy np tempomatu a w SE mam no i tutaj jest calkiem inna elektonika. poprzedni licznik mi calkiem padl - teraz jezdze bez tempomatu :/ FCUK
/Roofio Probe II 1995 USA
-
maruder_22
- Posty: 46
- Rejestracja: 2007-01-23 13:54
- Samochód: brak
- Lokalizacja: Michałów
No to Ciekawe ile naprawdę jadę mając na liczniku np. 120km/h.Kędziorek pisze:Poszukaj na forum, bo ostatnio debatowaliśmy na temat różnych wyskalowań liczników.
Licznik od 2.5 EURO i USA mają całkowicie inne wyskalowania i tak jest w wielu przypadkach.
Pozdro
Mam licznik od 2.0 Euro a samochód mam 2.5 USA.
Ciekawe czy jade wolniej czy szybciej

probe II GT 93
-
maruder_22
- Posty: 46
- Rejestracja: 2007-01-23 13:54
- Samochód: brak
- Lokalizacja: Michałów
u mnie w 2 gen jest tylko taki jakby silniczek nie mam zadnego napisu 
Ford Probe II generacja rok 94 silnik 2.0
Red Rocket
http://pl.youtube.com/watch?v=t73Y1o2pP ... ed&search=
Red Rocket
http://pl.youtube.com/watch?v=t73Y1o2pP ... ed&search=
-
maruder_22
- Posty: 46
- Rejestracja: 2007-01-23 13:54
- Samochód: brak
- Lokalizacja: Michałów
- Robert
- Posty: 12613
- Rejestracja: 2004-10-21 19:12
- Samochód: Probe GT2.0'89; ForTwo 0.6turbo; HRV 1.6
- Galeria: viewtopic.php?t=6900
- Lokalizacja: Leszno (maz)
- Kontakt:
Dyskusja (z obrazkami), która to kontrolka:maruder_22 pisze:...która to kontrolka...
Poświęć niecałe 2 minuty na naukę korzystania z forum:
Lekcja 1 (bardzo krótka) i
Lekcja 2 (krótka)

'89 2.0 Turbo downgrade

'89 2.0 Turbo downgrade-
maruder_22
- Posty: 46
- Rejestracja: 2007-01-23 13:54
- Samochód: brak
- Lokalizacja: Michałów
-
maruder_22
- Posty: 46
- Rejestracja: 2007-01-23 13:54
- Samochód: brak
- Lokalizacja: Michałów
- Zolak
- Posty: 521
- Rejestracja: 2006-01-07 20:46
- Samochód: FP "97 GT
- Galeria: viewtopic.php?t=8715
- Lokalizacja: Warszawa
Takie moze troch glupie pytanie ale dlaczego na prospekcie PRobe (96") zegary swieca sie na niebiesko a u mnie w aucie na zielono??
Ktos mi odpowie na to pytanie??
Pozdrawiam
Pozdrawiam
Były :
2.0 SE "96 JJ
2.5 GT "96 JJ
2.5 GT" 96 EZ
2.5 GT "95 HL
2.5 GT "97 JJ
2.0 SE "95 MQ
2.5 GT "94 MQ
Są :
2.5 GT "97 JJ
2.5 GT "96 CU
2.5 GT "95 GL
2.5 GT "94 HL
2.0 SE "96 JJ
2.5 GT "96 JJ
2.5 GT" 96 EZ
2.5 GT "95 HL
2.5 GT "97 JJ
2.0 SE "95 MQ
2.5 GT "94 MQ
Są :
2.5 GT "97 JJ
2.5 GT "96 CU
2.5 GT "95 GL
2.5 GT "94 HL
- Robert
- Posty: 12613
- Rejestracja: 2004-10-21 19:12
- Samochód: Probe GT2.0'89; ForTwo 0.6turbo; HRV 1.6
- Galeria: viewtopic.php?t=6900
- Lokalizacja: Leszno (maz)
- Kontakt:
Zwróć uwagę, że całe wnętrze ma taki niebiesko-fioletowawy odcień.
Jak to zrobili? Dokładnie tak samo, jak różne wersje kolorystyczne na str.14
(to oczywiście tylko moja wykładnia, ale pewnie właśnie marketingowcom pasowały takie jasne białe zegary do folderu i nic poza tym)
Jak to zrobili? Dokładnie tak samo, jak różne wersje kolorystyczne na str.14
(to oczywiście tylko moja wykładnia, ale pewnie właśnie marketingowcom pasowały takie jasne białe zegary do folderu i nic poza tym)
Poświęć niecałe 2 minuty na naukę korzystania z forum:
Lekcja 1 (bardzo krótka) i
Lekcja 2 (krótka)

'89 2.0 Turbo downgrade

'89 2.0 Turbo downgrade- bogdano
- Posty: 471
- Rejestracja: 2010-07-01 13:02
- Samochód: Probe 2.0 16V 1994 wersja Hamerykańska i V6 granat EURO 96'
- Galeria: viewtopic.php?t=19509
- Lokalizacja: Jaworzno
Różnice pomiędzy licznikami.
Witam.
Chciałem zapytać:
1. Czym różnią się liczniki w probasach 2 generacji oprócz tgo oczywiście, że w 2.0 mają skalę prędkościomierze do 220 km/h a w 2.5 do 240 km/h? Czy pozostałe wskaźniki mają takie same parametry?
2. Czy jak podepnę licznik z 2.5 do 2.o to będzie mi pokazywał tą samą prędkość? (czy czujniki vss są takie same w 2.5 jak w 2.0)?
3. Czy sygnały z czujników ciśnienia oleju, temperatury i poziomu paliwa są takie same dla 2.5 i 2.0?
Pozdrawiam.
P.S. Jeżeli ma ktoś ajkieś schematy elektroniczne liczników a konkretnie chodzi mi o elementy odpowiedzialne za działanie wskazówki poziomu paliwa to będę wdzięczny.
Chciałem zapytać:
1. Czym różnią się liczniki w probasach 2 generacji oprócz tgo oczywiście, że w 2.0 mają skalę prędkościomierze do 220 km/h a w 2.5 do 240 km/h? Czy pozostałe wskaźniki mają takie same parametry?
2. Czy jak podepnę licznik z 2.5 do 2.o to będzie mi pokazywał tą samą prędkość? (czy czujniki vss są takie same w 2.5 jak w 2.0)?
3. Czy sygnały z czujników ciśnienia oleju, temperatury i poziomu paliwa są takie same dla 2.5 i 2.0?
Pozdrawiam.
P.S. Jeżeli ma ktoś ajkieś schematy elektroniczne liczników a konkretnie chodzi mi o elementy odpowiedzialne za działanie wskazówki poziomu paliwa to będę wdzięczny.
Lepsze dwa Probki w garażu niż Porsche w kalendarzu 
- Robert
- Posty: 12613
- Rejestracja: 2004-10-21 19:12
- Samochód: Probe GT2.0'89; ForTwo 0.6turbo; HRV 1.6
- Galeria: viewtopic.php?t=6900
- Lokalizacja: Leszno (maz)
- Kontakt:
Re: zegary
1: Serwisówka nie sygnalizuje różnic.
2: J.w., VSS podaje 8 impulsów na obrót zębatki prędkościomierza.
3: J.w.
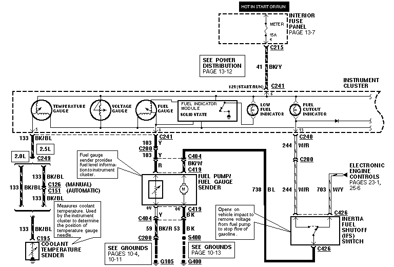
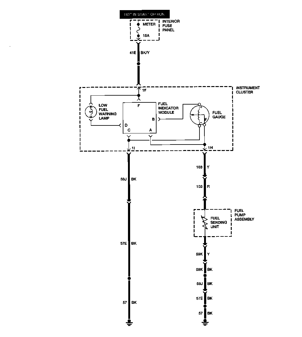
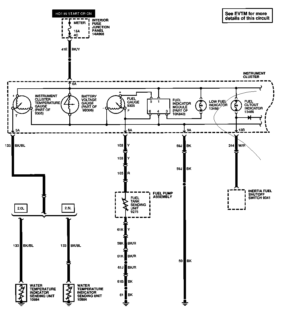
P.S.: Poniżej wszystko, co daje wspomniana serwisówka. Niestety nie ma dokładnego schematu wnętrza liczników.
2: J.w., VSS podaje 8 impulsów na obrót zębatki prędkościomierza.
3: J.w.
P.S.: Poniżej wszystko, co daje wspomniana serwisówka. Niestety nie ma dokładnego schematu wnętrza liczników.
Poświęć niecałe 2 minuty na naukę korzystania z forum:
Lekcja 1 (bardzo krótka) i
Lekcja 2 (krótka)

'89 2.0 Turbo downgrade

'89 2.0 Turbo downgrade- Sam
- Posty: 471
- Rejestracja: 2004-05-27 22:04
- Samochód: Probe 96r, 2.0 16V
- Galeria: viewtopic.php?t=17752
- Lokalizacja: Sosnowiec
Re: zegary
Dobra ja robiłem takie eksperymenty - zwrócić uwagę należy na to że podobno liczniki różniły się jeszcze w zależności od rocznika. Więc tak - ja założyłem licznik z 2.5 do 2.0 to nie działał wskaźnik oleju wiec przełożyłem sam moduł wskaźnika oleju i teraz działa. Jeszcze po pewnym czasie zauważyłem jedną różnice. Oszukuje mi obrotomierz, co najśmieszniejsze to jeszcze wydaje mi się że nie liniowo. Mianowicie wolne obroty wskazuje mniej więcej poprawnie czym większe tym więcej oszukuje.
Dziś Probe 2.0 16V 96r
Kiedyś Probe 2.2 GL 90r
Niech gra muzyka i gaz do dechy
Komu w drogę temu pedał w podłogę :]
Kiedyś Probe 2.2 GL 90r
Niech gra muzyka i gaz do dechy
Komu w drogę temu pedał w podłogę :]
- bogdano
- Posty: 471
- Rejestracja: 2010-07-01 13:02
- Samochód: Probe 2.0 16V 1994 wersja Hamerykańska i V6 granat EURO 96'
- Galeria: viewtopic.php?t=19509
- Lokalizacja: Jaworzno
Re: zegary
Witam.
Super. Dzięki "Robert" za schematy stokrotne. O to mi chodziło.
Tylko czy nie masz jeszcze czasem schematu układu "Fuel indicator module"?
Bo u mnie najprawdopodobniej jakiś element szlag trafił, bo jak nie dostaje żadnego przyłączonego oporu z czujnika poziomu paliwa to jest ok. przy czym jak dostanie parę omów to wskazówka szybuje na maksa ponad kreskę max ale zauważyłem, że drga. Wygląda mi na to że jedna cewka wskaźnika odpycha wskazówkę do góry a na drugą nie dostaje napięcia.
"Sam" ja też zauważyłem, że u mnie obrotomierz jaja robi sobie i się zastanawiam, czy mi prędkość chociaż dobrze pokazuje.
Pozdrawiam.
P.S. Gdzie można zdobyć w/w serwisówkę? ze schematami i opisami ?
Super. Dzięki "Robert" za schematy stokrotne. O to mi chodziło.
Tylko czy nie masz jeszcze czasem schematu układu "Fuel indicator module"?
Bo u mnie najprawdopodobniej jakiś element szlag trafił, bo jak nie dostaje żadnego przyłączonego oporu z czujnika poziomu paliwa to jest ok. przy czym jak dostanie parę omów to wskazówka szybuje na maksa ponad kreskę max ale zauważyłem, że drga. Wygląda mi na to że jedna cewka wskaźnika odpycha wskazówkę do góry a na drugą nie dostaje napięcia.
"Sam" ja też zauważyłem, że u mnie obrotomierz jaja robi sobie i się zastanawiam, czy mi prędkość chociaż dobrze pokazuje.
Pozdrawiam.
P.S. Gdzie można zdobyć w/w serwisówkę? ze schematami i opisami ?
Lepsze dwa Probki w garażu niż Porsche w kalendarzu 
- Sam
- Posty: 471
- Rejestracja: 2004-05-27 22:04
- Samochód: Probe 96r, 2.0 16V
- Galeria: viewtopic.php?t=17752
- Lokalizacja: Sosnowiec
Re: zegary
Jako że jesteś nowy to raczej ci odpowiedzą że na zlocie ;p ja jestem na forum od 2004 i tez nie mam serwisówki jakby ktoś mógł podrzucić to też poproszę.
Dziś Probe 2.0 16V 96r
Kiedyś Probe 2.2 GL 90r
Niech gra muzyka i gaz do dechy
Komu w drogę temu pedał w podłogę :]
Kiedyś Probe 2.2 GL 90r
Niech gra muzyka i gaz do dechy
Komu w drogę temu pedał w podłogę :]
- bogdano
- Posty: 471
- Rejestracja: 2010-07-01 13:02
- Samochód: Probe 2.0 16V 1994 wersja Hamerykańska i V6 granat EURO 96'
- Galeria: viewtopic.php?t=19509
- Lokalizacja: Jaworzno
Re: zegary
Widze, ze kolega z SosnowcaSam pisze:Jako że jesteś nowy to raczej ci odpowiedzą że na zlocie ;p ja jestem na forum od 2004 i tez nie mam serwisówki jakby ktoś mógł podrzucić to też poproszę.
"Sam" nie masz czasami tego licznika ze sprawnym tym modułem paliwowym?
Pozdrawiam.
Lepsze dwa Probki w garażu niż Porsche w kalendarzu 
- Sam
- Posty: 471
- Rejestracja: 2004-05-27 22:04
- Samochód: Probe 96r, 2.0 16V
- Galeria: viewtopic.php?t=17752
- Lokalizacja: Sosnowiec
Re: zegary
hym moduł paliwowy powinien być sprawny przynajmniej działał zanim go wymontowałem ale w sumie nie wiadomo czemu tobie nie działa ?
co do zlotów to jak troszkę pobędziesz na forum to dostaniesz dostęp do działu rendez-vous ( o ile jeszcze nie masz) tam piszą o właściwie wszystkich zlotach spotach i innych spotkaniach. Najbliżej są w Mikołowie co miesiąc w ostatnią niedziele ok 15-16 przeważnie 16. Tyle że w sezonie wakacyjnym trochę nas mało ostatnio było. Wiec zapraszam
co do zlotów to jak troszkę pobędziesz na forum to dostaniesz dostęp do działu rendez-vous ( o ile jeszcze nie masz) tam piszą o właściwie wszystkich zlotach spotach i innych spotkaniach. Najbliżej są w Mikołowie co miesiąc w ostatnią niedziele ok 15-16 przeważnie 16. Tyle że w sezonie wakacyjnym trochę nas mało ostatnio było. Wiec zapraszam
Dziś Probe 2.0 16V 96r
Kiedyś Probe 2.2 GL 90r
Niech gra muzyka i gaz do dechy
Komu w drogę temu pedał w podłogę :]
Kiedyś Probe 2.2 GL 90r
Niech gra muzyka i gaz do dechy
Komu w drogę temu pedał w podłogę :]
- bogdano
- Posty: 471
- Rejestracja: 2010-07-01 13:02
- Samochód: Probe 2.0 16V 1994 wersja Hamerykańska i V6 granat EURO 96'
- Galeria: viewtopic.php?t=19509
- Lokalizacja: Jaworzno
Re: zegary
Sam pisze:w sumie nie wiadomo czemu tobie nie działa ?
Mnie się wydaje, że te moduły są raczej takie same tylko liczniki sie różnią właśnie skalą prędkości i wskazaniami obrotomierza.
A była by jakaś szansa od ciebie to kupić jak sobie z tym nie dojdę do ładu co posiadam?
Pozdrawiam.
Lepsze dwa Probki w garażu niż Porsche w kalendarzu 





