zegary

maruder_22
Posty: 46
Rejestracja: 2007-01-23 13:54
Samochód: brak
Lokalizacja: Michałów

zegary

Post autor: maruder_22 »

witam mam mały problem z rozpoznaniem wersji mojego auta na liczniku dużymi literami są kilometry a małymi mile probe 2.5 kat T22 chciałem wymienić tarcze i wskazówki popękały muszę kupić cały licznik , ale czy np jak mam 1993 będzie pasował licznik np z 1995 proszę o pomoc :cry:
Auto sportowe nie jest autem wyścigowym.
Awatar użytkownika
TYKWA
Posty: 1296
Rejestracja: 2005-04-03 18:31
Samochód: brak
Galeria: viewtopic.php?t=6180
Lokalizacja: polska

Post autor: TYKWA »

bedzie pasowac. Tylko wazne zeby byl od wersji 2,5.
byl sobie Probek 2.5 - R.I.P - 01.05.08 :-(Obrazek
Awatar użytkownika
mers
Posty: 243
Rejestracja: 2005-11-23 09:27
Samochód: brak
Lokalizacja: Kraków
Kontakt:

Post autor: mers »

ja mam w probe 2.5 USA licznik od 2.0 euro, wszystko wydaje się być w porządku tylko obrotomież dziwnie się zachowuje, ale przynajmniej mogę zamknąć licznik bez problemu :D
Obrazek
probe II GT 93
maruder_22
Posty: 46
Rejestracja: 2007-01-23 13:54
Samochód: brak
Lokalizacja: Michałów

Post autor: maruder_22 »

dzięki panowie biorę się za zamawianie jak to zrobię to może troszkę odpocznę z remoncikami 8)
Auto sportowe nie jest autem wyścigowym.
Awatar użytkownika
Indi
Posty: 97
Rejestracja: 2004-09-06 19:31
Samochód: brak
Lokalizacja: Opole

Post autor: Indi »

maruder_22 pisze:na liczniku dużymi literami są kilometry a małymi mile probe 2.5 kat T22
Uwaga na skale na tarczach, w milach jest inaczej wyskalowana np. na pozycji 12 w km/h jest 120, a w milach około 100km/h[/quote]
Ford PROBE Blue 2.5 V6 96r.
Ford PROBE Black 2.0 16v 95r.
Takie były teraz jest taki
Ford PROBE Red 2.5 V6 96.r 72Kkm
Obrazek
Obrazek
Awatar użytkownika
Kędziorek
Posty: 3381
Rejestracja: 2004-11-24 22:32
Galeria: viewtopic.php?t=8098
Lokalizacja: Poznań
Kontakt:

Post autor: Kędziorek »

Poszukaj na forum, bo ostatnio debatowaliśmy na temat różnych wyskalowań liczników.

Licznik od 2.5 EURO i USA mają całkowicie inne wyskalowania i tak jest w wielu przypadkach.

Pozdro
ObrazekObrazekObrazek
Awatar użytkownika
roofio
Posty: 102
Rejestracja: 2004-07-06 03:50
Samochód: brak
Lokalizacja: Stargard Szczeciński

NIEPRAWDA

Post autor: roofio »

kupilem licznik od 2.0 usa 95 bo sam mam 2.0 95 usa i sa rozne wersje (z tylu na liczniku jest napisana wersja REV.), trzeba sprawdzic i uwazac z tym tematem. werske base nie mialy np tempomatu a w SE mam no i tutaj jest calkiem inna elektonika. poprzedni licznik mi calkiem padl - teraz jezdze bez tempomatu :/ FCUK
/Roofio Probe II 1995 USA
maruder_22
Posty: 46
Rejestracja: 2007-01-23 13:54
Samochód: brak
Lokalizacja: Michałów

Post autor: maruder_22 »

:oops: witam kurcze już zamówiłem licznik identyczny jak miałem przyjdzie jutro ale ciekawe czy będzie pasować zobaczymy dam znać dzięki :lol:
Auto sportowe nie jest autem wyścigowym.
Awatar użytkownika
mers
Posty: 243
Rejestracja: 2005-11-23 09:27
Samochód: brak
Lokalizacja: Kraków
Kontakt:

Post autor: mers »

Kędziorek pisze:Poszukaj na forum, bo ostatnio debatowaliśmy na temat różnych wyskalowań liczników.

Licznik od 2.5 EURO i USA mają całkowicie inne wyskalowania i tak jest w wielu przypadkach.

Pozdro
No to Ciekawe ile naprawdę jadę mając na liczniku np. 120km/h.
Mam licznik od 2.0 Euro a samochód mam 2.5 USA.
Ciekawe czy jade wolniej czy szybciej :D
Obrazek
probe II GT 93
maruder_22
Posty: 46
Rejestracja: 2007-01-23 13:54
Samochód: brak
Lokalizacja: Michałów

Post autor: maruder_22 »

witam zmieniłem już zegary i mam pytanie jak check engine jest opisany na nowszego typu licznikach czy to tak jakby silniczek? a po za tym wszystko ok działa tamten licznik miał coś z oprzewodowaniem , elektryk powiedział ze przebicie robił czy coś.
Auto sportowe nie jest autem wyścigowym.
Awatar użytkownika
stiv
Posty: 274
Rejestracja: 2006-10-01 15:52
Samochód: brak
Lokalizacja: Kraków

Post autor: stiv »

u mnie w 2 gen jest tylko taki jakby silniczek nie mam zadnego napisu :roll:
Ford Probe II generacja rok 94 silnik 2.0
Red Rocket :P
http://pl.youtube.com/watch?v=t73Y1o2pP ... ed&search=
maruder_22
Posty: 46
Rejestracja: 2007-01-23 13:54
Samochód: brak
Lokalizacja: Michałów

Post autor: maruder_22 »

ale nie świeci ci podczas jazdy ? i jeszcze jedno która to kontrolka jak możesz powiedzieć dzięki.
Auto sportowe nie jest autem wyścigowym.
Awatar użytkownika
Robert
Posty: 12613
Rejestracja: 2004-10-21 19:12
Samochód: Probe GT2.0'89; ForTwo 0.6turbo; HRV 1.6
Galeria: viewtopic.php?t=6900
Lokalizacja: Leszno (maz)
Kontakt:

Post autor: Robert »

maruder_22 pisze:...która to kontrolka...
Dyskusja (z obrazkami), która to kontrolka:
:arrow: http://www.fordprobe.pl/forum/viewtopic.php?t=4167
Poświęć niecałe 2 minuty na naukę korzystania z forum: :arrow: Lekcja 1 (bardzo krótka) i :arrow: Lekcja 2 (krótka)
Obrazek ObrazekObrazek'89 2.0 Turbo downgrade
maruder_22
Posty: 46
Rejestracja: 2007-01-23 13:54
Samochód: brak
Lokalizacja: Michałów

Post autor: maruder_22 »

ok już się doczytałem dzięki śliczne a i jeszcze jedno jak engine czasem świeciło to ten silniczek też powinienen po zmianie licznika?
Auto sportowe nie jest autem wyścigowym.
maruder_22
Posty: 46
Rejestracja: 2007-01-23 13:54
Samochód: brak
Lokalizacja: Michałów

Post autor: maruder_22 »

powie mi to ktoś jak check engine świecił na starym liczniku to na drugim jak jest ten silniczek to on też powinien świecić ????????????? :?
Auto sportowe nie jest autem wyścigowym.
Awatar użytkownika
Zolak
Posty: 521
Rejestracja: 2006-01-07 20:46
Samochód: FP "97 GT
Galeria: viewtopic.php?t=8715
Lokalizacja: Warszawa

Post autor: Zolak »

Takie moze troch glupie pytanie ale dlaczego na prospekcie PRobe (96") zegary swieca sie na niebiesko a u mnie w aucie na zielono?? :D Ktos mi odpowie na to pytanie??

Pozdrawiam
Były :
2.0 SE "96 JJ
2.5 GT "96 JJ
2.5 GT" 96 EZ
2.5 GT "95 HL
2.5 GT "97 JJ
2.0 SE "95 MQ
2.5 GT "94 MQ
Są :
2.5 GT "97 JJ
2.5 GT "96 CU
2.5 GT "95 GL
2.5 GT "94 HL
Awatar użytkownika
Robert
Posty: 12613
Rejestracja: 2004-10-21 19:12
Samochód: Probe GT2.0'89; ForTwo 0.6turbo; HRV 1.6
Galeria: viewtopic.php?t=6900
Lokalizacja: Leszno (maz)
Kontakt:

Post autor: Robert »

Zwróć uwagę, że całe wnętrze ma taki niebiesko-fioletowawy odcień.
Jak to zrobili? Dokładnie tak samo, jak różne wersje kolorystyczne na str.14 :lol:
(to oczywiście tylko moja wykładnia, ale pewnie właśnie marketingowcom pasowały takie jasne białe zegary do folderu i nic poza tym)
Poświęć niecałe 2 minuty na naukę korzystania z forum: :arrow: Lekcja 1 (bardzo krótka) i :arrow: Lekcja 2 (krótka)
Obrazek ObrazekObrazek'89 2.0 Turbo downgrade
Awatar użytkownika
bogdano
Posty: 474
Rejestracja: 2010-07-01 13:02
Samochód: Probe 2.0 16V 1994 wersja Hamerykańska i V6 granat EURO 96'
Galeria: viewtopic.php?t=19509
Lokalizacja: Jaworzno

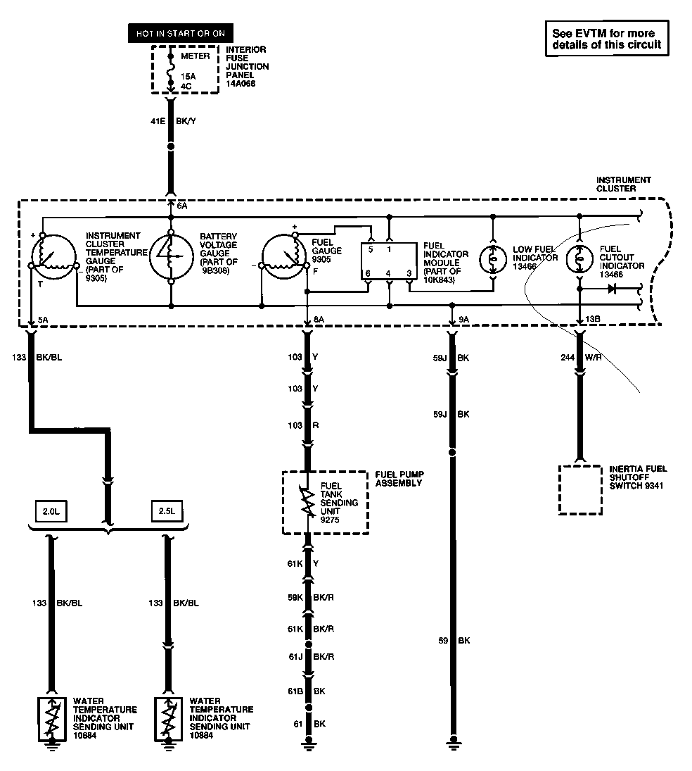
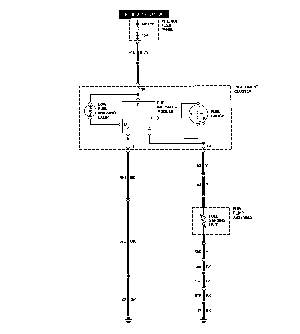
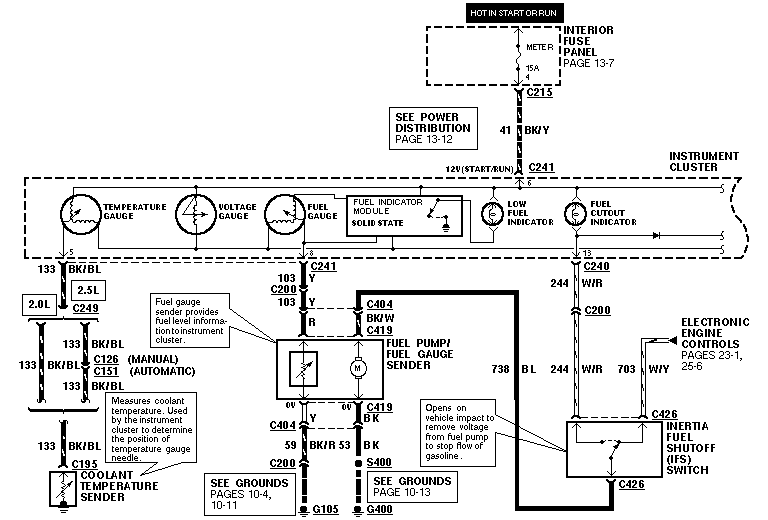
Różnice pomiędzy licznikami.

Post autor: bogdano »

Witam.

Chciałem zapytać:

1. Czym różnią się liczniki w probasach 2 generacji oprócz tgo oczywiście, że w 2.0 mają skalę prędkościomierze do 220 km/h a w 2.5 do 240 km/h? Czy pozostałe wskaźniki mają takie same parametry?
2. Czy jak podepnę licznik z 2.5 do 2.o to będzie mi pokazywał samą prędkość? (czy czujniki vss są takie same w 2.5 jak w 2.0)?
3. Czy sygnały z czujników ciśnienia oleju, temperatury i poziomu paliwa są takie same dla 2.5 i 2.0?

Pozdrawiam.

P.S. Jeżeli ma ktoś ajkieś schematy elektroniczne liczników a konkretnie chodzi mi o elementy odpowiedzialne za działanie wskazówki poziomu paliwa to będę wdzięczny. :)
Lepsze dwa Probki w garażu niż Porsche w kalendarzu ;)
Awatar użytkownika
Robert
Posty: 12613
Rejestracja: 2004-10-21 19:12
Samochód: Probe GT2.0'89; ForTwo 0.6turbo; HRV 1.6
Galeria: viewtopic.php?t=6900
Lokalizacja: Leszno (maz)
Kontakt:

Re: zegary

Post autor: Robert »

1: Serwisówka nie sygnalizuje różnic.
2: J.w., VSS podaje 8 impulsów na obrót zębatki prędkościomierza.
3: J.w.
P.S.: Poniżej wszystko, co daje wspomniana serwisówka. Niestety nie ma dokładnego schematu wnętrza liczników.
paliwo1.gif
paliwo2.gif
paliwo3.gif
paliwo4.gif
paliwo5.gif
paliwo5.gif (7.24 KiB) Przejrzano 29236 razy
paliwo6.gif
paliwo6.gif (5.73 KiB) Przejrzano 29237 razy
Poświęć niecałe 2 minuty na naukę korzystania z forum: :arrow: Lekcja 1 (bardzo krótka) i :arrow: Lekcja 2 (krótka)
Obrazek ObrazekObrazek'89 2.0 Turbo downgrade
Awatar użytkownika
Sam
Posty: 471
Rejestracja: 2004-05-27 22:04
Samochód: Probe 96r, 2.0 16V
Galeria: viewtopic.php?t=17752
Lokalizacja: Sosnowiec

Re: zegary

Post autor: Sam »

Dobra ja robiłem takie eksperymenty - zwrócić uwagę należy na to że podobno liczniki różniły się jeszcze w zależności od rocznika. Więc tak - ja założyłem licznik z 2.5 do 2.0 to nie działał wskaźnik oleju wiec przełożyłem sam moduł wskaźnika oleju i teraz działa. Jeszcze po pewnym czasie zauważyłem jedną różnice. Oszukuje mi obrotomierz, co najśmieszniejsze to jeszcze wydaje mi się że nie liniowo. Mianowicie wolne obroty wskazuje mniej więcej poprawnie czym większe tym więcej oszukuje.
Dziś Probe 2.0 16V 96r
Kiedyś Probe 2.2 GL 90r

Niech gra muzyka i gaz do dechy :D
Komu w drogę temu pedał w podłogę :]
Awatar użytkownika
bogdano
Posty: 474
Rejestracja: 2010-07-01 13:02
Samochód: Probe 2.0 16V 1994 wersja Hamerykańska i V6 granat EURO 96'
Galeria: viewtopic.php?t=19509
Lokalizacja: Jaworzno

Re: zegary

Post autor: bogdano »

Witam.

Super. Dzięki "Robert" za schematy stokrotne. O to mi chodziło.
Tylko czy nie masz jeszcze czasem schematu układu "Fuel indicator module"?
Bo u mnie najprawdopodobniej jakiś element szlag trafił, bo jak nie dostaje żadnego przyłączonego oporu z czujnika poziomu paliwa to jest ok. przy czym jak dostanie parę omów to wskazówka szybuje na maksa ponad kreskę max ale zauważyłem, że drga. Wygląda mi na to że jedna cewka wskaźnika odpycha wskazówkę do góry a na drugą nie dostaje napięcia.

"Sam" ja też zauważyłem, że u mnie obrotomierz jaja robi sobie i się zastanawiam, czy mi prędkość chociaż dobrze pokazuje. :)

Pozdrawiam.

P.S. Gdzie można zdobyć w/w serwisówkę? ze schematami i opisami ? :)
Lepsze dwa Probki w garażu niż Porsche w kalendarzu ;)
Awatar użytkownika
Sam
Posty: 471
Rejestracja: 2004-05-27 22:04
Samochód: Probe 96r, 2.0 16V
Galeria: viewtopic.php?t=17752
Lokalizacja: Sosnowiec

Re: zegary

Post autor: Sam »

Jako że jesteś nowy to raczej ci odpowiedzą że na zlocie ;p ja jestem na forum od 2004 i tez nie mam serwisówki jakby ktoś mógł podrzucić to też poproszę.
Dziś Probe 2.0 16V 96r
Kiedyś Probe 2.2 GL 90r

Niech gra muzyka i gaz do dechy :D
Komu w drogę temu pedał w podłogę :]
Awatar użytkownika
bogdano
Posty: 474
Rejestracja: 2010-07-01 13:02
Samochód: Probe 2.0 16V 1994 wersja Hamerykańska i V6 granat EURO 96'
Galeria: viewtopic.php?t=19509
Lokalizacja: Jaworzno

Re: zegary

Post autor: bogdano »

Sam pisze:Jako że jesteś nowy to raczej ci odpowiedzą że na zlocie ;p ja jestem na forum od 2004 i tez nie mam serwisówki jakby ktoś mógł podrzucić to też poproszę.
Widze, ze kolega z Sosnowca :) A gdzie są jakieś zloty w naszej okolicy? :)
"Sam" nie masz czasami tego licznika ze sprawnym tym modułem paliwowym? :)

Pozdrawiam.
Lepsze dwa Probki w garażu niż Porsche w kalendarzu ;)
Awatar użytkownika
Sam
Posty: 471
Rejestracja: 2004-05-27 22:04
Samochód: Probe 96r, 2.0 16V
Galeria: viewtopic.php?t=17752
Lokalizacja: Sosnowiec

Re: zegary

Post autor: Sam »

hym moduł paliwowy powinien być sprawny przynajmniej działał zanim go wymontowałem ale w sumie nie wiadomo czemu tobie nie działa ?

co do zlotów to jak troszkę pobędziesz na forum to dostaniesz dostęp do działu rendez-vous ( o ile jeszcze nie masz) tam piszą o właściwie wszystkich zlotach spotach i innych spotkaniach. Najbliżej są w Mikołowie co miesiąc w ostatnią niedziele ok 15-16 przeważnie 16. Tyle że w sezonie wakacyjnym trochę nas mało ostatnio było. Wiec zapraszam ;)
Dziś Probe 2.0 16V 96r
Kiedyś Probe 2.2 GL 90r

Niech gra muzyka i gaz do dechy :D
Komu w drogę temu pedał w podłogę :]
Awatar użytkownika
bogdano
Posty: 474
Rejestracja: 2010-07-01 13:02
Samochód: Probe 2.0 16V 1994 wersja Hamerykańska i V6 granat EURO 96'
Galeria: viewtopic.php?t=19509
Lokalizacja: Jaworzno

Re: zegary

Post autor: bogdano »

Sam pisze:w sumie nie wiadomo czemu tobie nie działa ?
:) A żebym ja wiedział czemu nie działa :) Pewnie jakiś element się sfajczył :)
Mnie się wydaje, że te moduły są raczej takie same tylko liczniki sie różnią właśnie skalą prędkości i wskazaniami obrotomierza.

A była by jakaś szansa od ciebie to kupić jak sobie z tym nie dojdę do ładu co posiadam?

Pozdrawiam.
Lepsze dwa Probki w garażu niż Porsche w kalendarzu ;)
ODPOWIEDZ

Wróć do „II gen (1993 - 1997)”