ZBIEŻNOŚĆ
-
Gość
ZBIEŻNOŚĆ
Witajcie! potrzebuje danych ktore pozwola mi ustawic zbieznosc przednich i tylnich kol w probe z 97r.! mam sprzet do tego i wiem jak to sie robi ale musze miec jakies parametry zeby to sobie ustawic! jesli ktos posiada taka wiedze prosilbym o podzielenie sie nia ze mna!zreszta inni moze tez by chcieli wiedziec! z gory dzieki! pzdrv
-
bluetoth
- Posty: 66
- Rejestracja: 2007-01-25 16:30
- Samochód: Probe 2.0, r. 94 x 2 szt
- Lokalizacja: Kalisz
Re: ZBIEŻNOŚĆ
Witam,
Nie znalazłem tematu odpowiadającemu mojemu problemowi, więc podepnę się tutaj.
Chodzi o to że we wrześniu wymieniłem przednie wahacze z powodu zużytych tulei i po tym zabiegu pojechałem na geometrię.
Niestety po jej ustawieniu zaczęły się moje problemy, tzn. od tego czasu ściąga na prawo. Pojechałem na poprawkę to stwierdzili że jest OK, więc zdesperowany znalazłem inny zakład, ustawili i nadal ściąga. Po następnej wizycie doszli do wniosku że to opony (tak na marginesie to w marcu ubiegłego roku założyłem nówki), więc je przekładali na wsie sposoby, wyważali i nadal kiszka. Po następnej wizycie ktoś się połapał że w tym aucie również tylną oś się ustawia, więc ustawili a ściąganie nawet się zwiększyło. Nie muszę dodawać że za wszystko biorą kasę i tak już padłem ponad 200zł i guzik z tego mam.
Dodam iż auto mam 4 rok, nigdy nie było bite i dopiero po tej geometrii to się zaczęło dziać, aha i jeszcze jedno być może ważne spostrzeżenie: od tego czasu auto prowadzi się podobnie do poloneza którego miałem 12 lat temu, trzeba cały czas kontrować kierownicą na prawo i lewo. Ma ktoś pomysł, albo jakiś na 100% pewny warsztat? bo z moich dotychczasowych doświadczeń wynika iż w Kaliszu nikt mi tego nie zrobi bo to ich chyba przerasta.
Nie znalazłem tematu odpowiadającemu mojemu problemowi, więc podepnę się tutaj.
Chodzi o to że we wrześniu wymieniłem przednie wahacze z powodu zużytych tulei i po tym zabiegu pojechałem na geometrię.
Niestety po jej ustawieniu zaczęły się moje problemy, tzn. od tego czasu ściąga na prawo. Pojechałem na poprawkę to stwierdzili że jest OK, więc zdesperowany znalazłem inny zakład, ustawili i nadal ściąga. Po następnej wizycie doszli do wniosku że to opony (tak na marginesie to w marcu ubiegłego roku założyłem nówki), więc je przekładali na wsie sposoby, wyważali i nadal kiszka. Po następnej wizycie ktoś się połapał że w tym aucie również tylną oś się ustawia, więc ustawili a ściąganie nawet się zwiększyło. Nie muszę dodawać że za wszystko biorą kasę i tak już padłem ponad 200zł i guzik z tego mam.
Dodam iż auto mam 4 rok, nigdy nie było bite i dopiero po tej geometrii to się zaczęło dziać, aha i jeszcze jedno być może ważne spostrzeżenie: od tego czasu auto prowadzi się podobnie do poloneza którego miałem 12 lat temu, trzeba cały czas kontrować kierownicą na prawo i lewo. Ma ktoś pomysł, albo jakiś na 100% pewny warsztat? bo z moich dotychczasowych doświadczeń wynika iż w Kaliszu nikt mi tego nie zrobi bo to ich chyba przerasta.
Probe II, 2.0, 94r x 2szt 
Re: ZBIEŻNOŚĆ
Też mam ten sam problem . Ale u mnie po wymianie amortyzatorów tak się zrobiło . Na samym początku stwierdzili że to winna nieorginalnych końcówek drążków kierowniczych . Wymieniłem na orginalne . I dalej po ustawieniu ściągało mnie w lewo . Przełożyłem opony tył na przód . I teraz jest tak że mnie ściąga w lewo jak gazu dodaje . A nie daj boże jak w koleiny wjadę . Buja jak starym fiatem . Opony mam 215/55/16 . Są już troch zajechane . Nie wiem od czego zacząć ??
Ostatnio zmieniony 2009-03-01 11:45 przez Trasecom, łącznie zmieniany 1 raz.
Re: ZBIEŻNOŚĆ
bluetoth pisze: trzeba cały czas kontrować kierownicą na prawo i lewo.
Trasecom pisze: A nie daj boże jak w koleiny wjadę . Buja jak starym fiatem .
Witam,
W starszych autach to się nazywało kąt wyprzedzenia sworznia zwrotnicy, albo jakoś tak. W probku jest niewielka regulacja poprzez obrócenie mocowania górnego mcpersona(można jeszcze dołożyć/ przełożyć podkładki przy mocowaniu wahacza). Wedle Haynes'a 3 z 4 położeń są prawidłowe, a jedno nie. Jest na forum link, skąd możecie zassać pdf'a i dokładnie wyczytać.
Pzdr!
P.
93'EuroProbe 2 i 1/2
Re: ZBIEŻNOŚĆ
Czyli jak to zaznaczyłeś wymienić wahacze całe ?? Bo po ustawieniu zbieżności kąty czy tam stopnie wychodziły im dobrze .
Ostatnio zmieniony 2009-03-01 11:46 przez Trasecom, łącznie zmieniany 1 raz.
Re: ZBIEŻNOŚĆ
Nic nie wymieniaj. Górne mocowanie przednich mcpersonów. Zdaje się, że jest na 4 śrubach. Po odkręceniu możesz je obracać wokół własnej osi i ustawiać w 4 różnych pozycjach. Po każdym przestawieniu zmienia Ci się ustawienie koła (przód/tył- zmniejszenie lub zwiększenie kąta wyprzedzenia) i pochylenie koła w pionie (nie zbieżność). Poszukaj w manualu Haynes'a, masz tam podane wszystkie wartości i napisane co i jak. Zdaje się, sam zauważyłeś, że zaczęło się pieprzyć po zmianie amortyzatorów.
Odnośnie wahacza- jeden mechanior poradził mi kiedyś, że można to regulować też za pomocą przełożenia lub dodania podkładek przy mocowaniu całych wahaczy. Tak, żeby minimalnie przesunąć wahacz do przodu albo do tyłu- i zmienić kąt wyprzedzenia.
Dla pewności może niech się jeszcze ktoś wypowie.
Pzdr!
P.
Odnośnie wahacza- jeden mechanior poradził mi kiedyś, że można to regulować też za pomocą przełożenia lub dodania podkładek przy mocowaniu całych wahaczy. Tak, żeby minimalnie przesunąć wahacz do przodu albo do tyłu- i zmienić kąt wyprzedzenia.
Dla pewności może niech się jeszcze ktoś wypowie.
Pzdr!
P.
93'EuroProbe 2 i 1/2
-
bluetoth
- Posty: 66
- Rejestracja: 2007-01-25 16:30
- Samochód: Probe 2.0, r. 94 x 2 szt
- Lokalizacja: Kalisz
Re: ZBIEŻNOŚĆ
Hyh, to może być to, bo faktycznie macpersony były też ściągane, gdyż padło podejrzenie na łożyska oporowe (coś nieraz lekko zgrzytało przy kręceniu sterem na postoju). Czy te elementy mają jakieś oznaczenia jak je założyć? może ktoś by fotkę mógł podesłać jak to jest założone fabrycznie.
Probe II, 2.0, 94r x 2szt 
Re: ZBIEŻNOŚĆ
Blabo dobrze pisze,jeśli chodzi o amorki i ich regulacje 
Kolego,a jakie wachacze założyłeś ? Może te made in china i tu może byc przyczyna
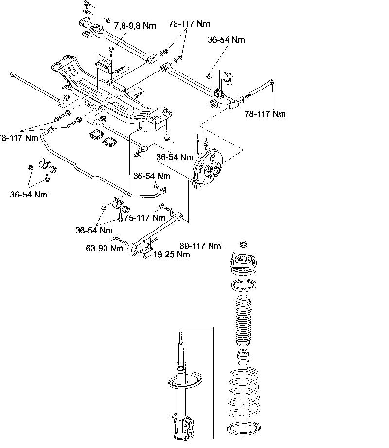
Poniżej wartości regulacyjne dla ukł. kierowniczego - może komus sie przyda.
Pzdr. & c ya..
edit:
Budowa zawieszenia przód + tył:
Dodatkowo masz jeszcze tutaj :
http://ford-probe.net/forum/topics13/bu ... vt5583.htm
Kolego,a jakie wachacze założyłeś ? Może te made in china i tu może byc przyczyna
Poniżej wartości regulacyjne dla ukł. kierowniczego - może komus sie przyda.
Pzdr. & c ya..
edit:
Budowa zawieszenia przód + tył:
Dodatkowo masz jeszcze tutaj :
http://ford-probe.net/forum/topics13/bu ... vt5583.htm
Ostatnio zmieniony 2009-03-01 17:40 przez 2Ya, łącznie zmieniany 1 raz.

-
bluetoth
- Posty: 66
- Rejestracja: 2007-01-25 16:30
- Samochód: Probe 2.0, r. 94 x 2 szt
- Lokalizacja: Kalisz
Re: ZBIEŻNOŚĆ
Wahacze założyłem made in Germany, lecz nie wytrzymały nawet pół roku i znowu były luzy na tulejach, więc potrząsłem kiesą raz jeszcze, chociaż wydatek mocno bolał i kupiłem w sklepie dla Japońców wahacze made in Japan po 350zł sztuka, lecz nie pamiętam firmy. W każdym razie po prawie roku nadal nie ma luzów, więc chyba trwałe.
Bardzo dziękuję za obrazki, lecz z nich nie wynika jak zamontować ten element z 4 śrubami aby było OK. Ponawiam więc pytanie: czy jest on jakoś oznakowany aby zamontować go tak jak był fabrycznie? Bo doświadczalnie to mamy 4 położenia razy dwa macpersony to jest razem aż 16 możliwych ustawień
Bardzo dziękuję za obrazki, lecz z nich nie wynika jak zamontować ten element z 4 śrubami aby było OK. Ponawiam więc pytanie: czy jest on jakoś oznakowany aby zamontować go tak jak był fabrycznie? Bo doświadczalnie to mamy 4 położenia razy dwa macpersony to jest razem aż 16 możliwych ustawień
Probe II, 2.0, 94r x 2szt 
- Robert
- Posty: 12613
- Rejestracja: 2004-10-21 19:12
- Samochód: Probe GT2.0'89; ForTwo 0.6turbo; HRV 1.6
- Galeria: viewtopic.php?t=6900
- Lokalizacja: Leszno (maz)
- Kontakt:
Re: ZBIEŻNOŚĆ
Znacznik na kolumnie powinien wskazywać do tyłu na boki (w kierunku zewnętrznych lusterek).
Poświęć niecałe 2 minuty na naukę korzystania z forum:
Lekcja 1 (bardzo krótka) i
Lekcja 2 (krótka)

'89 2.0 Turbo downgrade

'89 2.0 Turbo downgrade-
bluetoth
- Posty: 66
- Rejestracja: 2007-01-25 16:30
- Samochód: Probe 2.0, r. 94 x 2 szt
- Lokalizacja: Kalisz
Re: ZBIEŻNOŚĆ
Dzięki, rysunek się przydał (dopiero jak go zobaczyłem to połapałem się iż faktycznie te znaczniki były tak przed zdjęciem kolumn. Teraz jest już prawie dobrze, ale nie do końca, gdyż nadal ściąga w prawo, ale tym razem już bardzo delikatnie. Patrząc jednak na wydruk z geometrii widzę iż jest to jednak wyłącznie niedbalstwo wykonujących regulacje, gdyż są pewne różnice pomiędzy lewą i prawą stroną, oraz mimo iż wyszedł im pewien kąt znoszenia to nie raczyli poprawić ustawień, twierdząc że mieszczą się w tolerancji (poprzednio też wydruk pokazywał iż nastawy mieszczą się w tolerancji a ściągało jak diabli. Ponawiam więc pytanie: gdzie najbliżej Kalisza ustawią mi tą cholerną zbieżność dokładnie, wkładając w to serce, a nie patrząc tylko aby odpieprzyć pańszczyznę i skasować kasę. Już mnie to wkurza, bo do tej pory wywaliłem na zbieżność prawie 300zł, a to chyba bardzo drogo wyszło, no nie?
Poniżej niektóre dane z wydruku:
Przód Lewa
kąt PK: -1,04
kąt WSZ: 2,47
zbieżność: 0,09
kąt PSZ: 15,37
suma kątów PK i PSZ: 14,33
Przód Prawa
kąt PK: -0,50
kąt WSZ: 3,08
zbieżność: 0,06
kąt PSZ: 15,58
suma kątów PK i PSZ: 15,08
Przód
różnica kątów PK: -0,13
różnica kątów WSZ: -0,21
różnica kątów PSZ: -0,21
zbieżność sumaryczna: 0,16
Tył Lewa
kąt PK: -1,05
zbieżność: 0,01
Tył Prawa
kąt PK: -0,03
zbieżność: 0,09
Tył
różnica kątów PK: -1,01
zbieżność sumaryczna: 0,1
kąt znoszenia: -0,04
Poniżej niektóre dane z wydruku:
Przód Lewa
kąt PK: -1,04
kąt WSZ: 2,47
zbieżność: 0,09
kąt PSZ: 15,37
suma kątów PK i PSZ: 14,33
Przód Prawa
kąt PK: -0,50
kąt WSZ: 3,08
zbieżność: 0,06
kąt PSZ: 15,58
suma kątów PK i PSZ: 15,08
Przód
różnica kątów PK: -0,13
różnica kątów WSZ: -0,21
różnica kątów PSZ: -0,21
zbieżność sumaryczna: 0,16
Tył Lewa
kąt PK: -1,05
zbieżność: 0,01
Tył Prawa
kąt PK: -0,03
zbieżność: 0,09
Tył
różnica kątów PK: -1,01
zbieżność sumaryczna: 0,1
kąt znoszenia: -0,04
Probe II, 2.0, 94r x 2szt 
- Ronin
- Posty: 957
- Rejestracja: 2005-09-26 15:56
- Galeria: viewtopic.php?t=7575
- Lokalizacja: Oława
Re: ZBIEŻNOŚĆ
Hej!
Może się przyda, wrzucone przez Indiego dane dot. geometrii.
http://ford-probe.net/forum/topics2/20- ... 115,30.htm
pzdr
Może się przyda, wrzucone przez Indiego dane dot. geometrii.
http://ford-probe.net/forum/topics2/20- ... 115,30.htm
pzdr
Probe 2.5 V6 MTX USA 97r
Young men - enjoy with Your youth...
Young men - enjoy with Your youth...
- pawlacz
- Posty: 378
- Rejestracja: 2012-07-24 23:41
- Samochód: Probe II 2.5 v6 '93
- Galeria: viewtopic.php?t=22222
Re: ZBIEŻNOŚĆ
Odkopię temat. Samochód jest po regeneracji maglownicy, wydaje mi się, że zbieżność mogła być źle ustawiona. Dysponuje ktoś danymi na temat zbieżności które są "pewne"? Wszystkie inne tematy miały obrazki, które są już usunięte.
- avel
- Posty: 466
- Rejestracja: 2009-04-26 17:16
- Samochód: Probe II 2.0 1994
- Galeria: viewtopic.php?t=20438
- Lokalizacja: Unisław, kujawsko-pomorskie
Re: ZBIEŻNOŚĆ
Nie wiem czy to takie istotne, bo w 2014 już ciężko trafić warsztat, który nie ustawiał by tego programem komputerowym, a ten prowadzi mechanika za rączkę.
Stare i zardzewiałe! Probe II 2.0 1994, było 
Audi A3 2.0TDI 170km quattro 2007, jest
Audi A3 2.0TDI 170km quattro 2007, jest
- geraldoff
- Posty: 90
- Rejestracja: 2013-11-25 01:23
- Samochód: Probe'94 2.0
- Galeria: viewtopic.php?t=22575
- Lokalizacja: Warszawa
Re: ZBIEŻNOŚĆ
Z ciekawości spojrzałem pod machę i też mam w takim razie źle ustawione poduszki o 90 stopni (znaczniki nie patrzą na lusterka tylko na migacz w błotniku). Rozumiem, że muszę zdjąć mcpersony, rozebrać je i złożyć z obróconą poduchą? Też mam problem ze zbieżnością - po wymianie tulei, drążków i innych historii w przednim zawieszeniu, też ustawiałem zbieżność i po chwili znów zaczął ściągać. Teraz zregenerowałem też tylną zawiechę więc trzeba będzie przed zbieżnością i geometrią poprawić poduchy?
- avel
- Posty: 466
- Rejestracja: 2009-04-26 17:16
- Samochód: Probe II 2.0 1994
- Galeria: viewtopic.php?t=20438
- Lokalizacja: Unisław, kujawsko-pomorskie
Re: ZBIEŻNOŚĆ
nie trzeba rozbierać kolumn, tylko podlewarować auto, odkręcić 4 śruby z góry i obrócić.
Stare i zardzewiałe! Probe II 2.0 1994, było 
Audi A3 2.0TDI 170km quattro 2007, jest
Audi A3 2.0TDI 170km quattro 2007, jest
- Romas
- Klubowicz
- Posty: 5270
- Rejestracja: 2009-12-23 22:35
- Samochód: PROBE '94 2.5V6 GT MTX
- Galeria: viewtopic.php?t=19226
- Lokalizacja: Warszawa
Re: ZBIEŻNOŚĆ
Jep i cała filozofia. a do obrócenia weź sobie nasadkę 21 grzechotkę z przedłużką i i będzie ci wygodnie obrócić. tylko musisz zdjąć kapstelek ten co na środku poduchy jest.
- geraldoff
- Posty: 90
- Rejestracja: 2013-11-25 01:23
- Samochód: Probe'94 2.0
- Galeria: viewtopic.php?t=22575
- Lokalizacja: Warszawa
Re: ZBIEŻNOŚĆ
Faktycznie chwila roboty
nieświadomie źle założyłem amory z przekręconymi poduchami i ścięło mi 2 opony więc były już do wyrzucenia. Dzięki chłopaki, gdyby nie forum to nigdy bym na to nie wpadł 
Re: ZBIEŻNOŚĆ
Witam, mam pytanie odnośnie siodła sprężyny w przednim amorze. Jak powinno być ustawione ten znak w którą stronę powinien być skierowany żeby było prawidłowo? Rozkręcałem podczas zmiany i nie popatrzyłem jak było wcześniej
- Romas
- Klubowicz
- Posty: 5270
- Rejestracja: 2009-12-23 22:35
- Samochód: PROBE '94 2.5V6 GT MTX
- Galeria: viewtopic.php?t=19226
- Lokalizacja: Warszawa
Re: ZBIEŻNOŚĆ
Zależy jak chcesz mieć ustawiony kąt pochylenia koładarosz330 pisze: 2023-04-14 23:53 Witam, mam pytanie odnośnie siodła sprężyny w przednim amorze. Jak powinno być ustawione ten znak w którą stronę powinien być skierowany żeby było prawidłowo? Rozkręcałem podczas zmiany i nie popatrzyłem jak było wcześniej
Re: ZBIEŻNOŚĆ
Chodzi mi o to jak to jest fabrycznie względem sprężyny to wycięcie jak ma być ustawione.