Dziwna wtyczka
- avel
- Posty: 466
- Rejestracja: 2009-04-26 17:16
- Samochód: Probe II 2.0 1994
- Galeria: viewtopic.php?t=20438
- Lokalizacja: Unisław, kujawsko-pomorskie
Re: Dziwna wtyczka
A które wyliczenia? Bo on sam podał dwie sprzeczne wersje. Chyba wam film nakręcenie dla tego licznika v6 to uwierzycie.
Stare i zardzewiałe! Probe II 2.0 1994, było 
Audi A3 2.0TDI 170km quattro 2007, jest
Audi A3 2.0TDI 170km quattro 2007, jest
- Robert
- Posty: 12613
- Rejestracja: 2004-10-21 19:12
- Samochód: Probe GT2.0'89; ForTwo 0.6turbo; HRV 1.6
- Galeria: viewtopic.php?t=6900
- Lokalizacja: Leszno (maz)
- Kontakt:
Re: Dziwna wtyczka
To chyba

Chyba się nie dogadamy - nie będziemy tu stosować stalinowskich nocnych przesłuchań, jak CBA i poczekajmy, aż procenty wyparują i wróci pojedyncze widzenie (lub czytanie ze zrozumieniem).avel pisze:A które wyliczenia? Bo on sam podał dwie sprzeczne wersje.
Poświęć niecałe 2 minuty na naukę korzystania z forum:
Lekcja 1 (bardzo krótka) i
Lekcja 2 (krótka)

'89 2.0 Turbo downgrade

'89 2.0 Turbo downgrade- wujeksex
- Posty: 1395
- Rejestracja: 2008-09-08 21:09
- Samochód: Probe II 93 2.0 BASE MTX USA
- Galeria: viewtopic.php?t=14440
- Lokalizacja: Żarowo, Stargard Szczeciński
Re: Dziwna wtyczka
Czyliavel pisze:A które wyliczenia? Bo on sam podał dwie sprzeczne wersje.
Co ja będę tłumaczył
Nie trzeba. Podejrzewam, że podłączasz trafo bezpośrednio na wskaźnik pomijając elektronikę zegarów. Wskaźnik jest woltomierzem, więc wychyla się.avel pisze:Chyba wam film nakręcenie dla tego licznika v6 to uwierzycie.
Był Probe II 93 2.0 BASE LPG ATX USA
Probe II 93 2.0 BASE MTX USA
Odważni nie żyją wiecznie - Ostrożni nie żyją wcale...
Na rozstaju dróg..... redukcja i but
Kobieta - istota stabilna emocjonalnie, niczym powierzchnia szklanki wody, trzymanej przez osobę z chorobą Parkinsona, któremu palą się spodnie podczas tańczenia Lambady
Lepiej być znanym pijakiem niż anonimowym alkoholikiem
Probe II 93 2.0 BASE MTX USA
Odważni nie żyją wiecznie - Ostrożni nie żyją wcale...
Na rozstaju dróg..... redukcja i but
Kobieta - istota stabilna emocjonalnie, niczym powierzchnia szklanki wody, trzymanej przez osobę z chorobą Parkinsona, któremu palą się spodnie podczas tańczenia Lambady
Lepiej być znanym pijakiem niż anonimowym alkoholikiem
- avel
- Posty: 466
- Rejestracja: 2009-04-26 17:16
- Samochód: Probe II 2.0 1994
- Galeria: viewtopic.php?t=20438
- Lokalizacja: Unisław, kujawsko-pomorskie
Re: Dziwna wtyczka
Cóż, widzę że nie wyprowadzę Cię z mylnego przekonania że wiesz lepiej. Szkoda tylko że ktoś to przeczyta za jakiś czas i zgłupieje
Chcę podkreślić, że zaproponowałem co mak500 ma zrobić aby sprawdzić obrotomierz, jest to sposób sprawdzony.
---------------
Nie trzeba żądnych diod,
W żadnym wypadku wskaźnik to nie woltomierz, to dwucewkowy silnik sin-cos, tutaj masz coś bardzo podobnego http://pdf1.alldatasheet.pl/datasheet-p ... CS289.html
Przepraszam i zwracam honor, kalkulacja jest OK. i muszę przyznać że masz racje co do podłączenia na uzwojeniu pierwotnym (ni wieziałem tego schematu przedtem), to wskazywało by że powinno być 6 impulsów na obrót. Dlaczego u mnie wychył był inny, nie wiem, sprawdzam to teraz.
Sprawdziłem to. buc ze mnie, masz rację przy 50Hz jest 750rpm czyli zgodnie z obliczeniami, może byłem tak nieprzytomny że podłączałem to z prostownikiem dwupołówkowym a wtedy jak wiadomo robi sie 100Hz
Ładuję film na YouTube jak to sprawdzałem. Dla wtajemniczonych wyjaśni sporo, dla innych nic
YouTube
http://www.youtube.com/watch?v=mG6SEb85 ... e=youtu.be
Chcę podkreślić, że zaproponowałem co mak500 ma zrobić aby sprawdzić obrotomierz, jest to sposób sprawdzony.
---------------
Nie trzeba żądnych diod,
W żadnym wypadku wskaźnik to nie woltomierz, to dwucewkowy silnik sin-cos, tutaj masz coś bardzo podobnego http://pdf1.alldatasheet.pl/datasheet-p ... CS289.html
Przepraszam i zwracam honor, kalkulacja jest OK. i muszę przyznać że masz racje co do podłączenia na uzwojeniu pierwotnym (ni wieziałem tego schematu przedtem), to wskazywało by że powinno być 6 impulsów na obrót. Dlaczego u mnie wychył był inny, nie wiem, sprawdzam to teraz.
Sprawdziłem to. buc ze mnie, masz rację przy 50Hz jest 750rpm czyli zgodnie z obliczeniami, może byłem tak nieprzytomny że podłączałem to z prostownikiem dwupołówkowym a wtedy jak wiadomo robi sie 100Hz
Ładuję film na YouTube jak to sprawdzałem. Dla wtajemniczonych wyjaśni sporo, dla innych nic
YouTube
http://www.youtube.com/watch?v=mG6SEb85 ... e=youtu.be
Stare i zardzewiałe! Probe II 2.0 1994, było 
Audi A3 2.0TDI 170km quattro 2007, jest
Audi A3 2.0TDI 170km quattro 2007, jest
- mak500
- Posty: 78
- Rejestracja: 2005-02-21 19:29
- Samochód: probe2 94 2.2gt
- Galeria: viewtopic.php?t=21548
- Lokalizacja: Wolin
Re: Dziwna wtyczka
-- oryginalny post 2013-01-08 21:50 --
Dzięki za zaangażowanie pomimo tego że niewiele z tego łapię
Po wyjęciu zegarów sprawdziłem na krótko wszystkie ok, dodałem masę i plus do każdego zegara i tak:
temperatura, ładowanie, ciśnienie oleju, oraz paliwo działa już jak należy prędkościomierz przełożyłem na mechaniczny(linkę)
i
sprawdziłem obrotomierz z 2.2 na kable działa wpasuje go tylko, i jak wszystko zagra to składam

-- dodano 2013-01-08 22:11 --
Pytanie mam takie co to jest i czy ma coś wspólnego z obrotomierzem? bez podłączenia tego obrotomierz działa

Dzięki za zaangażowanie pomimo tego że niewiele z tego łapię
Po wyjęciu zegarów sprawdziłem na krótko wszystkie ok, dodałem masę i plus do każdego zegara i tak:
temperatura, ładowanie, ciśnienie oleju, oraz paliwo działa już jak należy prędkościomierz przełożyłem na mechaniczny(linkę)
i
-- dodano 2013-01-08 22:11 --
Pytanie mam takie co to jest i czy ma coś wspólnego z obrotomierzem? bez podłączenia tego obrotomierz działa
- avel
- Posty: 466
- Rejestracja: 2009-04-26 17:16
- Samochód: Probe II 2.0 1994
- Galeria: viewtopic.php?t=20438
- Lokalizacja: Unisław, kujawsko-pomorskie
Re: Dziwna wtyczka
A gdzie to jest podłaczone? Wygląda jak rezystor (opornik).
Stare i zardzewiałe! Probe II 2.0 1994, było 
Audi A3 2.0TDI 170km quattro 2007, jest
Audi A3 2.0TDI 170km quattro 2007, jest
- mak500
- Posty: 78
- Rejestracja: 2005-02-21 19:29
- Samochód: probe2 94 2.2gt
- Galeria: viewtopic.php?t=21548
- Lokalizacja: Wolin
Re: Dziwna wtyczka
-- oryginalny post 2013-01-09 13:46 --
podłączony jest z tyłu zegara obrotomierza +na plus - chyba na impuls jak minus podłącze na minus to się grzeje natomiast bez niego jak i z nim obrotomierz działa normalnie
-- dodano 2013-01-09 13:48 --
http://allegro.pl/ford-probe-i-89-93-li ... 21980.html
drugie zdjęcie
podłączony jest z tyłu zegara obrotomierza +na plus - chyba na impuls jak minus podłącze na minus to się grzeje natomiast bez niego jak i z nim obrotomierz działa normalnie
-- dodano 2013-01-09 13:48 --
http://allegro.pl/ford-probe-i-89-93-li ... 21980.html
drugie zdjęcie
- Robert
- Posty: 12613
- Rejestracja: 2004-10-21 19:12
- Samochód: Probe GT2.0'89; ForTwo 0.6turbo; HRV 1.6
- Galeria: viewtopic.php?t=6900
- Lokalizacja: Leszno (maz)
- Kontakt:
Re: Dziwna wtyczka
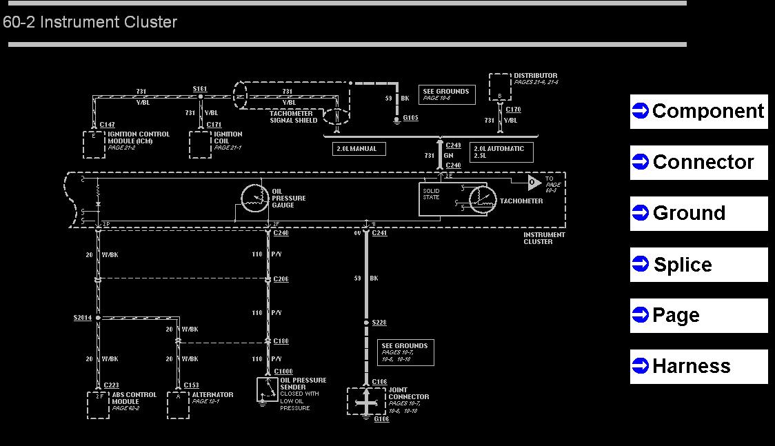
Ponieważ, mimo działu, dyskusja zboczyła na obrotomierz w jedynkach turbo, to tam sygnał brany jest z czujnika położenia wału (CPS) w dystrybutorze. Więc nic nie trzeba dzielić przez cylindry i 50 Hz oznaczałoby 3000 obr/min. Ale to w tym jednym, jedynym przypadku jedynki GT.
Poświęć niecałe 2 minuty na naukę korzystania z forum:
Lekcja 1 (bardzo krótka) i
Lekcja 2 (krótka)

'89 2.0 Turbo downgrade

'89 2.0 Turbo downgrade- bogdano
- Posty: 474
- Rejestracja: 2010-07-01 13:02
- Samochód: Probe 2.0 16V 1994 wersja Hamerykańska i V6 granat EURO 96'
- Galeria: viewtopic.php?t=19509
- Lokalizacja: Jaworzno
Re: Dziwna wtyczka
Nie wiecie gdzie ma być podłączona wtyczka od pompy wspomagania kierownicy? Taka mała? Bo pewnie ona odpowiada za podwyższanie obrotów silnika przy kręceniu kierownicą?
Lepsze dwa Probki w garażu niż Porsche w kalendarzu 
-
dzolero
- Posty: 54
- Rejestracja: 2012-04-20 07:31
- Samochód: Probe 97 2.0 16v
- Galeria: viewtopic.php?t=21058
- Lokalizacja: Żary FZA Lubuskie
Re: Dziwna wtyczka
u mnie mam jak otwierasz maske przy chłodnicy po lewej w połowie wysokości chłodnicy
-
azjablonski
- Posty: 4
- Rejestracja: 2013-02-05 11:06
- Samochód: Probe II 2.5 V6 Medici 1997r.
Pojedyncza biała wtyczka.
Witam.
Mam Forda Probe II 2.5 1997r. wersja Medici. Znalazłem za silnikiem od strony pasażera pojedynczy zielony kabelek z jednopinową wtyczką (jak na zdjęciach).
Nie zauważyłem żadnego miejsca w którym powinna być podłączona. Czy ktoś może wie do czego powinna być podłączona?
Dodam jeszcze że nie działa wskaźnik ciśnienia oleju na desce rozdzielczej. Pomyślałem że to może od tego. Niestety za silnikiem jest tak ciasno że nie znalazłem tego czujnika a tak w sumie to nawet nie wiem gdzie on w tym aucie się znajduje.
Proba mam od niedawna i jeszcze nie zdążyłem się zapoznać z technicznymi niuansami tego samochodu.
Mam Forda Probe II 2.5 1997r. wersja Medici. Znalazłem za silnikiem od strony pasażera pojedynczy zielony kabelek z jednopinową wtyczką (jak na zdjęciach).
Nie zauważyłem żadnego miejsca w którym powinna być podłączona. Czy ktoś może wie do czego powinna być podłączona?
Dodam jeszcze że nie działa wskaźnik ciśnienia oleju na desce rozdzielczej. Pomyślałem że to może od tego. Niestety za silnikiem jest tak ciasno że nie znalazłem tego czujnika a tak w sumie to nawet nie wiem gdzie on w tym aucie się znajduje.
Proba mam od niedawna i jeszcze nie zdążyłem się zapoznać z technicznymi niuansami tego samochodu.
- Romas
- Klubowicz
- Posty: 5270
- Rejestracja: 2009-12-23 22:35
- Samochód: PROBE '94 2.5V6 GT MTX
- Galeria: viewtopic.php?t=19226
- Lokalizacja: Warszawa
Re: Dziwna wtyczka
Czujnik ciśnienia oleju nie jest z tyłu tylko z przodu samochodu tuż nad filtrem oleju po lewej stronie kolektora wydechowego.
-
azjablonski
- Posty: 4
- Rejestracja: 2013-02-05 11:06
- Samochód: Probe II 2.5 V6 Medici 1997r.
Re: Dziwna wtyczka
Więc od czego może być ta wtyczka?
- adadamczyk
- Posty: 35
- Rejestracja: 2012-10-18 19:27
- Samochód: Ford Probe II 2.0 16V FS 1994r.
- Lokalizacja: Zdzieszowice/Opole
Re: Dziwna wtyczka
Witam! Panowie mam takie pytanie, sprzatajac samochod zauwazylem dwie wtyczki, jedna za kierownica od spodu oraz jedna po prawej stronie pedalu gazu schowana za tym plastikiem na zdjeciu. Czy ktos moze sie orientuje do czego one sluza i czy cos powinno byc pod nie podpiete? Pozdrawiam i z gory dziekuje za pomoc. Auto Ford Probe 2.0 16V
Re: Dziwna wtyczka
ta pierwsza wyglada jak od kompa automatu
life's 2 short 4 seals ~~~~~~ ‹=====|=======|-----]
only ziligon
only ziligon
- bogdano
- Posty: 474
- Rejestracja: 2010-07-01 13:02
- Samochód: Probe 2.0 16V 1994 wersja Hamerykańska i V6 granat EURO 96'
- Galeria: viewtopic.php?t=19509
- Lokalizacja: Jaworzno
Re: Dziwna wtyczka
Ta pierwsza to raczej od kompa. Może ktoś zapomniał podpiąć
Zobacz czy masz wszystko podpięte do komputera.
Albo ktoś zmienił kompa i mu jedna wtyczka została niepotrzebna. hehehe.
Albo ktoś zmienił kompa i mu jedna wtyczka została niepotrzebna. hehehe.
Lepsze dwa Probki w garażu niż Porsche w kalendarzu 
- adadamczyk
- Posty: 35
- Rejestracja: 2012-10-18 19:27
- Samochód: Ford Probe II 2.0 16V FS 1994r.
- Lokalizacja: Zdzieszowice/Opole
Re: Dziwna wtyczka
Koledzy, wracajac do tej wtyczki, dzisiaj rozebralem ten bok z prawej strony pedalu gazu, zrobilem zdjecia, podpowiedzcie gdzie sie znajduje ten caly sterownik ECU? Kurcze bo juz sam nie wiem, moze zadam idiotyczne pytanie, ale czy bez ECU mozna jezdzic? Wisi mi jakas wtyczka, nie wiadomo do czego z tej wtyczki jakies kable poupie....ane:( nie wiem co jest grane, i zalaczylem jeszcze jedno zdjecie tylko tak informacyjnie jezeli wolno chcialem zapytac czy w tej puszce bezpiecznikow pod maska powinien po srodku znajdowac sie przekaznik? bo u mnie go nie ma a widze ze sa wtyczki zenskie w niej osadzone. Pozdrawiam i dziekuje
Re: Dziwna wtyczka
ja tu widze mocowanie po kompie automatu, wiec te wtyczki tez prawdopodobnie od niego. a przewod za blokiem silnika to jakas ... tajemnica. tez taki mam i tez nikt mi nie jest w stanie powiedziec do czego to
life's 2 short 4 seals ~~~~~~ ‹=====|=======|-----]
only ziligon
only ziligon
- adadamczyk
- Posty: 35
- Rejestracja: 2012-10-18 19:27
- Samochód: Ford Probe II 2.0 16V FS 1994r.
- Lokalizacja: Zdzieszowice/Opole
Re: Dziwna wtyczka
ale jakiego automatu? do czego on sluzy?
Re: Dziwna wtyczka
do zmiany biegow
life's 2 short 4 seals ~~~~~~ ‹=====|=======|-----]
only ziligon
only ziligon
- bogdano
- Posty: 474
- Rejestracja: 2010-07-01 13:02
- Samochód: Probe 2.0 16V 1994 wersja Hamerykańska i V6 granat EURO 96'
- Galeria: viewtopic.php?t=19509
- Lokalizacja: Jaworzno
Re: Dziwna wtyczka
ECU masz właśnie na środku pod przełącznikami od sterowaniem ogrzewaniem. Jak ściągnąłeś ten boczny plastik to powinieneś go widzieć. Taka mała prostokątna skrzyneczka coś jak twardy dysk od kompa 
A quarth-owi chodziło pewnie o to, że ECU od Probka z manualną skrzynią a od Probka z automatyczną się różni więc pewnie Twój miał skrzynię automat i ktoś przerobił na manual.
Bez ECU raczej się nie da jeździć bo coś musi sterować wtryskami, regulować obroty silnika w zależności od temperatury i obciążenia i sygnałów ze wszystkich czujników.
Co do przekaźnika to pod pokrywą przekaźników masz opis to sobie sprawdź co tam pisze na opisie tego przekaźnika.
A quarth-owi chodziło pewnie o to, że ECU od Probka z manualną skrzynią a od Probka z automatyczną się różni więc pewnie Twój miał skrzynię automat i ktoś przerobił na manual.
Bez ECU raczej się nie da jeździć bo coś musi sterować wtryskami, regulować obroty silnika w zależności od temperatury i obciążenia i sygnałów ze wszystkich czujników.
Co do przekaźnika to pod pokrywą przekaźników masz opis to sobie sprawdź co tam pisze na opisie tego przekaźnika.
Lepsze dwa Probki w garażu niż Porsche w kalendarzu 
- adadamczyk
- Posty: 35
- Rejestracja: 2012-10-18 19:27
- Samochód: Ford Probe II 2.0 16V FS 1994r.
- Lokalizacja: Zdzieszowice/Opole
Re: Dziwna wtyczka
No dobrze bogdano, ale fdyby to byl fabryczny automat to w dokumentacji cos by o tym bylo no nie? Poza tym zegary tez musial by byc zmienione na od manuala a ja chybq od nowosci miwlem te zegary. Bo kupilem go z przebiegiem udokumentowabym 215tk. A czy jest mozliwisc wymiany Ecu na inny? Bez zadnych problemow?
- bogdano
- Posty: 474
- Rejestracja: 2010-07-01 13:02
- Samochód: Probe 2.0 16V 1994 wersja Hamerykańska i V6 granat EURO 96'
- Galeria: viewtopic.php?t=19509
- Lokalizacja: Jaworzno
Re: Dziwna wtyczka
Po wyglądzie przewodów do tej wtyczki widać, że ktoś tam nieźle coś kopał. Raczej fabrycznie tam nie ma takiej masakry.
ECU można wymienić oczywiście o ile się ktoś na tym zna i ma opis wtyczek do kompa.
Jak Ci wszystko działa to znaczy, że chyba masz dobrze podłączonego ECU.
ECU można wymienić oczywiście o ile się ktoś na tym zna i ma opis wtyczek do kompa.
Jak Ci wszystko działa to znaczy, że chyba masz dobrze podłączonego ECU.
Lepsze dwa Probki w garażu niż Porsche w kalendarzu 
- adadamczyk
- Posty: 35
- Rejestracja: 2012-10-18 19:27
- Samochód: Ford Probe II 2.0 16V FS 1994r.
- Lokalizacja: Zdzieszowice/Opole
Re: Dziwna wtyczka
Bogdamo widze ze jestes z Jaworzna moze kiedys sie spikniemy looknal bys na to moje cudo... Bo nie wiem czy jest ktos z opolskiego na forum. Nie mam porownania z zadnym inny probe 2.0. A strasznie mnie wkurza ze cis mu jest a nie wiem co...
Re: Dziwna wtyczka
bledy wszedzie. ecu od automatu i manuala sa dokladnie takie same. ewentualnie roznia sie mapami, ale tego pewien nie jestem. bonusem jest to, ze od ecu wychodza dodatkowe kable, ktore ida do komputera automatu zlokalizowanego na tunelu srodkowym, pod sciana grodziowa. zegary nie roznia sie niczym.
life's 2 short 4 seals ~~~~~~ ‹=====|=======|-----]
only ziligon
only ziligon